Запчасти Case 310G (094) - ENGINE CONTROLS - DIESEL (01) - ENGINE

Схема запчастей Case 310G - (094) - ENGINE CONTROLS - DIESEL (01) - ENGINE
FIT
1:1
100%

Артикул

Название

Примечание

Количество

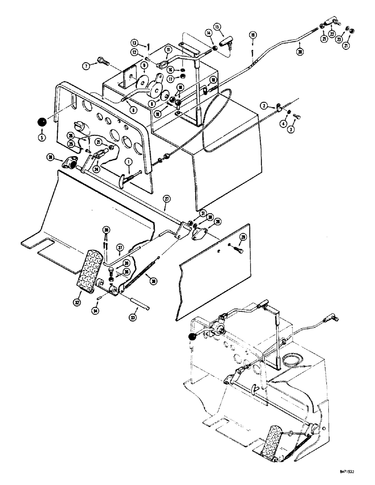
1

D26791

CONTROL - engine shut-off (For service, use D22773)

1шт.

D22773

CONTROL

- engine shut-off

1шт.

2

A26673

CLIP

CLAMP - engine shut-off cable

1шт.

3

13-48

BOLT,Hex, 1/4" - 20 x 1/2", Gr 5

1шт.

4

92-4

LOCK WASHER,1/4"

WASHER, LOCK, 1/4"

1шт.

5

70213

KNOB

- D30924 throttle lever, 3/8" - 24 NF

1шт.

5

D49996

KNOB

- D50241 throttle lever, 1/2" - 20 NF

1шт.

6

D33924

THROTTLE

LEVER - throttle (3/8" - 24 NF)

1шт.

6

D50241

LEVER

- throttle (1/2" - 20 NF)

1шт.

7

13-836

BOLT,Hex, 1/2" - 13 x 2-1/4", Gr 5

HHCS - 1/2" - 13 NC x 2-1/4"

1шт.

8

R14771

WASHER

- special

1шт.

9

R15071

DISC

- friction

1шт.

10

25-148

JAM NUT,Jam, 1/2"-13, G5

- lock, hex (1/2"-13 NC)

2шт.

11

D33925

ROD

- throttle lever

1шт.

12

141-3

CLEVIS PIN,5/16" x .940"

PIN, CLEVIS, 5/16" x .940"

1шт.

13

132-25

COTTER PIN,3/32" x 5/8"

Pin, Split (Cotter), 3/32" x 5/8"

1шт.

14

25-115

NUT,5/16"-24, G5

- hex (5/16"-24 NF)

1шт.

15

A19105

BALL JOINT

- adjustable

1шт.

16

92-5

LOCK WASHER,5/16"

1шт.

17

25-115

NUT,5/16"-24, G5

- hex (5/16"-24 NF)

1шт.

18

D26783

LINK

- throttle lever

1шт.

19

132-25

COTTER PIN,3/32" x 5/8"

Pin, Split (Cotter), 3/32" x 5/8"

2шт.

20

D33225

ROD

- throttle

1шт.

21

25-114

NUT,1/4"-28, G5

- hex. (1/4" - 28 NF)

3шт.

22

A10329

BALL JOINT,1/4" - 28 x 1"

- adjustable

1шт.

23

92-4

LOCK WASHER,1/4"

WASHER, LOCK, 1/4"

1шт.

24

213-2

ADJUSTABLE CLEVIS,1/4"-28 x 2"

YOKE - end, adjustable

1шт.

25

141-2

CLEVIS PIN,1/4" x .770"

PIN - clevis (1/4")

1шт.

26

132-5

COTTER PIN,1/16" x 1/2"

Pin, Split (Cotter), 1/16" x 1/2"

1шт.

27

D33224

CONTROL BLOCK

SHAFT - pivot, foot throttle

1шт.

28

D33219

FLANGE

BEARING - pivot shaft

2шт.

29

13-616

BOLT,Hex, 3/8" - 16 x 1", Gr 5, Full Thd

4шт.

30

92-6

LOCK WASHER,3/8"

4шт.

31

25-106

NUT,3/8"-16, G5

- hex. (3/8" - 16 NC)

4шт.

32

D33215

PEDAL - foot throttle

1шт.

33

R17364

SHAFT

- foot throttle

1шт.

34

135-737

GROOVED PIN,5/32" x 1", Type E

PIN, GROOVED, , Shaft 5/32" x 1", Type E

1шт.

35

13-832

BOLT,Hex, 1/2" - 13 x 2", Gr 5

1шт.

36

25-148

JAM NUT,Jam, 1/2"-13, G5

- lock, hex (1/2"-13 NC)

1шт.

37

D33222

ROD - foot throttle to pivot shaft

1шт.

38

132-25

COTTER PIN,3/32" x 5/8"

Pin, Split (Cotter), 3/32" x 5/8"

4шт.

39

D42889

SPRING

- throttle return

1шт.

Выбрано товаров: 0