Запчасти Case 310G (022) - FUEL INJECTION PUMP AND DRIVE, (188) DIESEL ENGINE (02) - FUEL SYSTEM

Схема запчастей Case 310G - (022) - FUEL INJECTION PUMP AND DRIVE, (188) DIESEL ENGINE (02) - FUEL SYSTEM
FIT
1:1
100%

Артикул

Название

Примечание

Количество

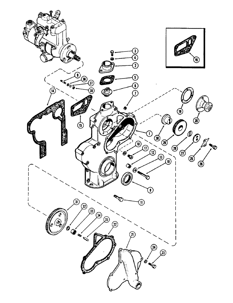
1

A38088

COVER - injection pump drive (Used eng. S.N. 2627377 and after)

1шт.

1

A36823

COVER

- injection pump drive (Used prior to eng. S.N. 2627377)

1шт.

2

G2144

FITTING

CONNECTION - water outlet

1шт.

3

13-616

BOLT,Hex, 3/8" - 16 x 1", Gr 5, Full Thd

2шт.

4

92-6

LOCK WASHER,3/8"

2шт.

5

G46907

GASKET

- water outlet

1шт.

6

G45788

THERMOSTAT (180 degrees)

1шт.

7

221-1013

DRAIN PLUG,Sq Hd, 3/8"-18 NPTF

PLUG - pipe, 3/8" sq. hd.

1шт.

8

A36609

OIL SEAL

- oil, crankshaft front

1шт.

9

G11204

STUD

- pump mtg. 3/8" N.C. x 1-7/16"

3шт.

10

13-614

BOLT,Hex, 3/8" - 16 x 7/8", Gr 5, Full Thd

2шт.

10

13-620

BOLT,Hex, 3/8" - 16 x 1-1/4", Gr 5, Full Thd

3шт.

10

13-624

BOLT,Hex, 3/8" - 16 x 1-1/2", Gr 5

- 3/8 x 1-1/2" N.C. hex

3шт.

11

413-632

BOLT,Hex, 3/8" - 16 x 2", Gr 5

1шт.

11

13-644

BOLT,Hex, 3/8" - 16 x 2-3/4", Gr 5

- 3/8 x 2-3/4" N.C. hex

3шт.

11

13-648

BOLT,Hex, 3/8" - 16 x 3", Gr 5

- 3/8 x 3" N.C. hex

1шт.

11

13-652

BOLT,Hex, 3/8" - 16 x 3-1/4", Gr 5

- 3/8 x 3-1/4" N.C. hex

3шт.

12

A29442

RING

- dowel, Serial Range: cover-block

2шт.

13

95-6

WASHER,3/8"

- 7/16 x 1 x 5/64"

2шт.

14

G46857

GASKET

-, Serial Range: cover-block

1шт.

15

A38084

GASKET,1.27mm Thk

- cover to head (Used eng. S.N. 2627377 & after)

1шт.

16

G46858

GASKET

- cover to head (Used prior to eng. S.N. 2627377)

1шт.

17

G49083

BOLT

- drilled, cover to hd., 1/2 x 3/4" spec. (Used w/A36823 cover)

1шт.

18

193-77

LOCK WASHER,Int Tooth, 1/2"

WASHER, LOCK, (Used w/A36823 cover) Int Tooth, 1/2"

1шт.

19

A38083

GASKET

- water pump to cover (See figure 48)

1шт.

20

A37758

PUMP

WATER PUMP ASSY. (See figure 48) (Replaces G11939)

1шт.

20

A146584GV

WATER PUMP

Value, Water Pump Assy.

1шт.

20

A146584R

REMAN-WATER PUMP

Reman For New P/N A37758, Water Pump Assy

1шт.

20

A146584C

CORE-WATER PUMP

Return Part Number

1шт.

21

G2077

COVER ASSY

COVER - drive gear

1шт.

22

G46859

GASKET

- gear cover

1шт.

22

G46859

GASKET

- gear cover

1шт.

23

413-632

BOLT,Hex, 3/8" - 16 x 2", Gr 5

1шт.

23

13-616

BOLT,Hex, 3/8" - 16 x 1", Gr 5, Full Thd

8шт.

24

92-6

LOCK WASHER,3/8"

9шт.

25

G11746

PLATE

- lock, idler gear

1шт.

26

413-632

BOLT,Hex, 3/8" - 16 x 2", Gr 5

2шт.

27

G11732

PLATE

- thrust, idler gear

1шт.

28

G11728

SHIM,.005" Thk

Idler gear .005" Thk

1шт.

28

G11729

SHIM,.006" Thk

Idler gear .006" Thk

1шт.

28

G11730

SHIM,.007" Thk

Idler gear .007" Thk

1шт.

28

G11731

SHIM,.009" Thk

Idler gear .009" Thk

1шт.

29

G11852

GEAR

ASSY. idler (Incl. bushing)

1шт.

30

G11726

HUB

HUG - idler gear

1шт.

31

G2076

GEAR

- drive, injection pump

1шт.

32

G49081

WASHER

- lock, pump drive shaft

1шт.

33

25-159

JAM NUT,Jam, 9/16"-18, G5

- 9/16" N.F. hex. jam

1шт.

34

G48502

SPRING

- thrust, pump drive shaft

1шт.

35

G47128

PLUNGER

- thrust spring

1шт.

36

A30043

WASHER

- pump mtg. stud.

3шт.

37

92-6

LOCK WASHER,3/8"

3шт.

38

25-106

NUT,3/8"-16, G5

- 3/8" N.C. hex

3шт.

Выбрано товаров: 52