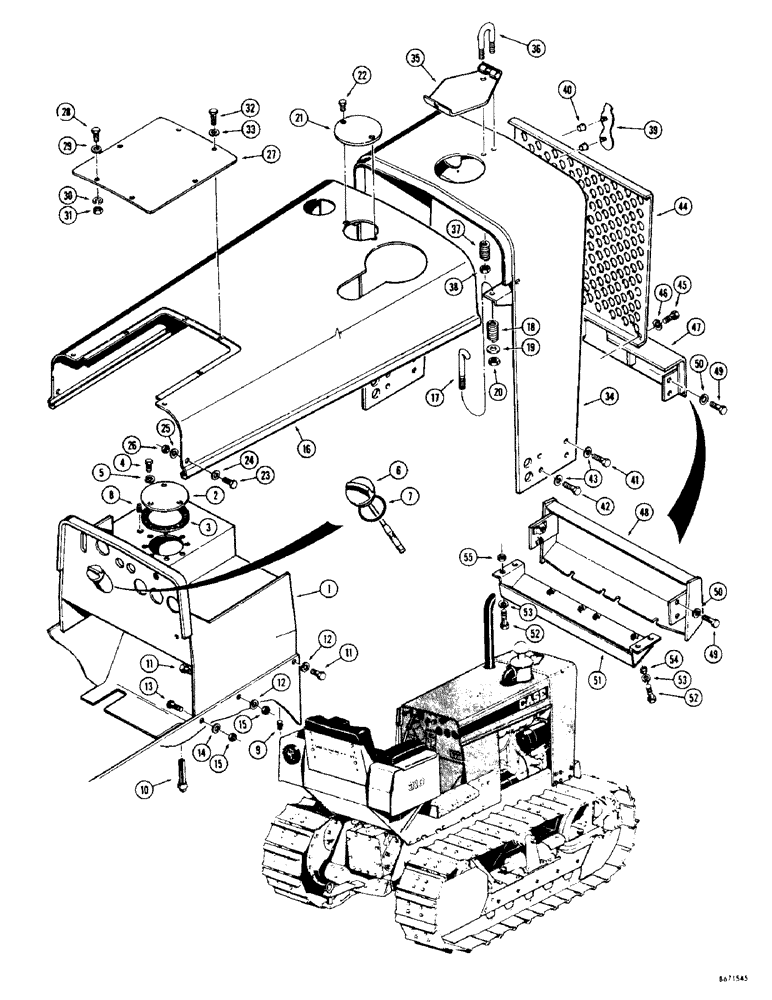
Запчасти Case 310G (132) - HOOD, SHROUD, COWL AND DASH (05) - UPPERSTRUCTURE CHASSIS

Схема запчастей Case 310G - (132) - HOOD, SHROUD, COWL AND DASH (05) - UPPERSTRUCTURE CHASSIS
FIT
1:1
100%

Артикул

Название

Примечание

Количество

1

D33209

COWL AND DASH - (Includes hydraulic reservoir)

1шт.

2

37758

HOSE

COVER - filter hole (Used on models without hydraulic systems)

1шт.

3

36321

GASKET

- cover

1шт.

4

14-616

BOLT,Hex, 3/8" - 24 x 1", Gr 5

HHCS - 3/8" - 24 NF x 1"

3шт.

5

92-6

LOCK WASHER,3/8"

3шт.

6

D35919

DIPSTICK

CAP AND DIPSTICK - hydraulic oil

1шт.

7

A7552

O-RING,0.21" Thk x 1.975" ID, -329, Cl 5, 75 Duro

SEAL - "O" ring, cap and dipstick

1шт.

8

221-7

DRAIN PLUG,Sq Hd, 1 1/4"-11 1/2 NPTF

PLUG - pipe, square head (1-1/4" NPT)

1шт.

9

221-12

PLUG,Sq Hd, 1/4"-18

- pipe, square head (1/4" NPT)

1шт.

10

D21397

PLUG - pipe, drain (Magnetic) 3/4" NPT

1шт.

11

13-816

BOLT,Hex, 1/2" - 13 x 1", Gr 5, Full Thd

4шт.

12

92-8

LOCK WASHER,1/2"

4шт.

13

77-816

THMS - 1/2" - 13 NC x 1"

2шт.

14

193-32

LOCK WASHER,Int Tooth, 1/2"

WASHER, LOCK, Int Tooth, 1/2"

2шт.

15

25-108

NUT,1/2"-13, G5

- hex. (1/2" - 13 NC)

4шт.

16

D33954

HOOD - engine (Diesel models) When stock is exhausted, use D44189 hood for service

1шт.

16

D44189

HOOD - engine (Diesel models)

1шт.

16

D33953

HOOD - engine (Gas models only)

1шт.

17

D33958

BOLT

- special, hood hold down

2шт.

18

F60482

SPRING

- hold down bolt

2шт.

19

195-25

WASHER,3/8"

- flat () 3/8"

2шт.

20

131-352

LOCK NUT,3/8"-16, GA

NUT - lock, hex. (3/8" - 16 NC)

2шт.

21

D29977

PLATE - cover, hood

1шт.

22

114-2

BOLT,Hex, 1/4" - 28 x 1/2", Gr 5

HHCS - 1/4" - 28 NF x 1/2"

2шт.

23

13-612

BOLT,Hex, 3/8" - 16 x 3/4", Gr 5, Full Thd

4шт.

24

195-25

WASHER,3/8"

- flat () 3/8"

4шт.

25

92-6

LOCK WASHER,3/8"

4шт.

26

25-106

NUT,3/8"-16, G5

- hex. (3/8" - 16 NC)

4шт.

27

D29976

COVER - access

1шт.

28

113-206

BOLT,Hex, 3/8" - 16 x 3/4", Gr 5, Full Thd

2шт.

29

195-525

WASHER,3/8", SAE

- flat (3/8")

2шт.

30

192-21

LOCK WASHER,3/8"

WASHER, LOCK, 3/8"

2шт.

31

129-103

NUT,Hex, 3/8" - 16, Gr 5

NUT, 3/8"-16, G5

2шт.

32

114-2

BOLT,Hex, 1/4" - 28 x 1/2", Gr 5

HHCS - 1/4" - 28 NF x 1/2"

4шт.

33

192-19

LOCK WASHER,Helical Spring, 0.256" ID, CST, ZND

WASHER, LOCK, 1/4"

4шт.

34

D33964

SHROUD - radiator (Drawbar and dozer models only)

1шт.

34

D33059

SHROUD - radiator (Loader models only)

1шт.

35

D30074

LID

COVER - radiator access

1шт.

36

D29688

U-BOLT

"U" BOLT - radiator cover

1шт.

37

23098

SPRING

- radiator cover

2шт.

38

131-365

LOCK NUT

NUT - hex., lock (5/16" - 24 NF)

2шт.

39

D40300

EMBLEM

MEDALLION - Case Eagle

1шт.

40

D41526

CLIP - speed, Tinnerman

2шт.

41

13-820

BOLT,Hex, 1/2" - 13 x 1-1/4", Gr 5, Full Thd

4шт.

42

13-824

BOLT,Hex, 1/2" - 13 x 1-1/2", Gr 5, Full Thd

4шт.

43

92-8

LOCK WASHER,1/2"

8шт.

44

D29964

GRILLE - radiator

1шт.

45

13-816

BOLT,Hex, 1/2" - 13 x 1", Gr 5, Full Thd

4шт.

46

92-8

LOCK WASHER,1/2"

4шт.

47

D26239

BUMPER - backhoe models only

1шт.

48

D33203

FENDER

BUMPER - all models without backhoe

1шт.

49

13-828

BOLT,Hex, 1/2" - 13 x 1-3/4", Gr 5

HHCS - 1/2" - 13 NC x 1-3/4"

4шт.

50

92-8

LOCK WASHER,1/2"

4шт.

51

36979

SPACER

SUPPORT - bumper

1шт.

52

13-820

BOLT,Hex, 1/2" - 13 x 1-1/4", Gr 5, Full Thd

8шт.

53

92-8

LOCK WASHER,1/2"

8шт.

54

195-33

WASHER,1/2"

- flat () 1/2"

4шт.

55

25-108

NUT,1/2"-13, G5

- hex. (1/2" - 13 NC)

2шт.

Выбрано товаров: 58