Запчасти Case 310G (160) - LOGGING FORK AND GRAPPLE ATTACHMENT (05) - UPPERSTRUCTURE CHASSIS

Схема запчастей Case 310G - (160) - LOGGING FORK AND GRAPPLE ATTACHMENT (05) - UPPERSTRUCTURE CHASSIS
FIT
1:1
100%

Артикул

Название

Примечание

Количество

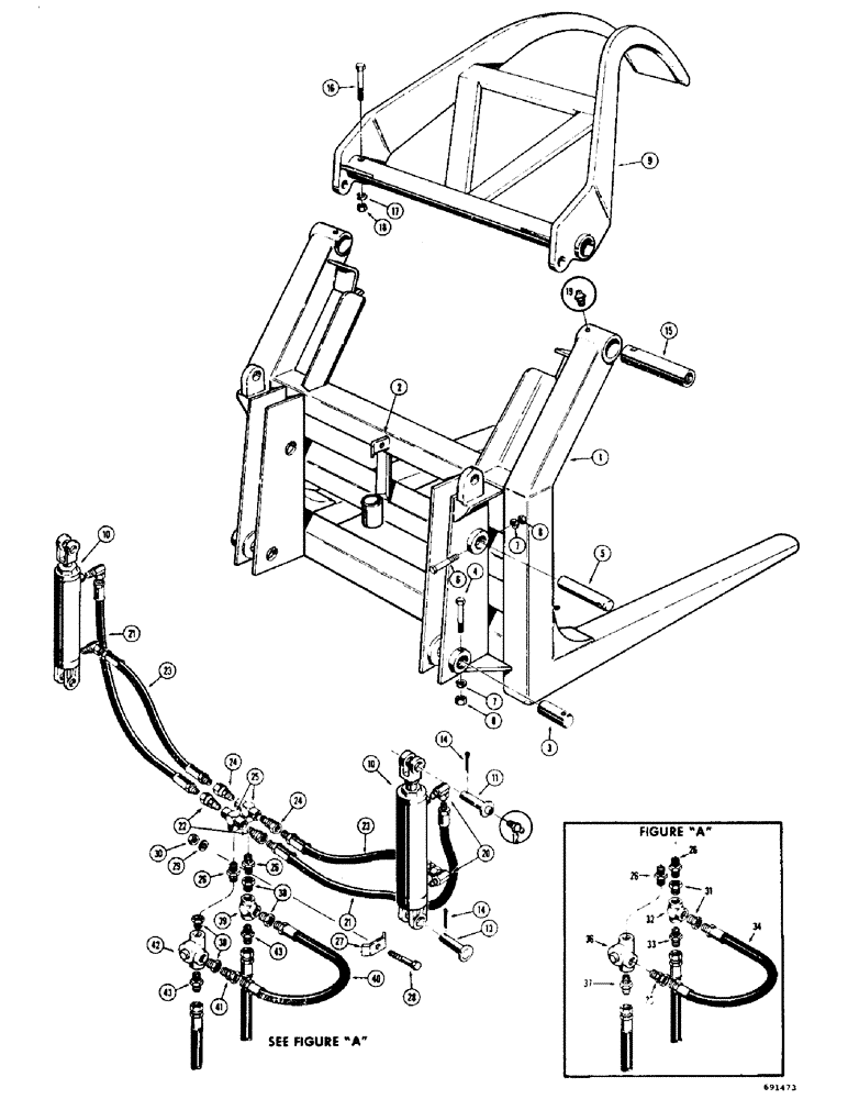
D39516

LOGGING FORK ASSEMBLY - machinery item

1шт.

1

NSS

NOT SOLD SEPARAT

FORK - logging

1шт.

2

D40173

BRACKET - hydraulic fittings

1шт.

3

D40176

PIN - mounting, fork to loader arm

2шт.

4

13-856

BOLT,Hex, 1/2" - 13 x 3-1/2", Gr 5

2шт.

5

D40144

PIN - mounting, fork to dump link

2шт.

6

13-848

BOLT,Hex, 1/2" - 13 x 3", Gr 5

HHCS - 1/2" - 13 NC x 3"

2шт.

7

92-8

LOCK WASHER,1/2"

4шт.

8

25-108

NUT,1/2"-13, G5

- hex. (1/2" - 13 NC)

4шт.

D39517

GRAPPLE ATTACHMENT ASSEMBLY - machinery item (Use with D39516 logging fork assembly only)

1шт.

9

D39969

HOOK

- grapple

1шт.

10

D39720

CYLINDER - grapple hook (Parts list figure 218)

2шт.

11

D40179

PIN - cylinder to grapple hook

2шт.

12

219-1

LUBE NIPPLE,1/8" - 27 NPTF

FITTING - grease, straight (1/8" NPT)

1шт.

13

D40180

PIN -, Serial Range: cylinder-fork

2шт.

14

132-150

COTTER PIN,1/4" x 1 1/2"

Pin, Split (Cotter), 1/4" x 1 1/2"

4шт.

15

D40178

PIN - fork to grapple hook

2шт.

16

13-864

BOLT,Hex, 1/2" - 13 x 4", Gr 5

2шт.

17

92-8

LOCK WASHER,1/2"

2шт.

18

25-108

NUT,1/2"-13, G5

- hex. (1/2" - 13 NC)

2шт.

19

219-1

LUBE NIPPLE,1/8" - 27 NPTF

FITTING - grease, straight (1/8" NPT)

2шт.

20

D33746

X

ELBOW - special, 90 degrees

4шт.

21

D40185

HOSE - grapple cylinder - rod end - to control valve (30" long)

2шт.

22

218-902

HYD CONNECTOR,3/8" NPT x 3/8" - 18 ORFS

ADAPTER - swivel (3/8" NPT - 3/8" NPT)

1шт.

23

D40186

HOSE ASSY.

HOSE - grapple cylinder - closed end - to control valve (18" long)

2шт.

24

218-902

HYD CONNECTOR,3/8" NPT x 3/8" - 18 ORFS

ADAPTER - swivel (3/8" NPT - 3/8" NPT)

1шт.

25

D40181

X

TEE - special (3/8" NPT)

2шт.

26

221-161

PIPE,Nipple, 3/8" NPT x 1 1/2"

NIPPLE - pipe (3/8" NPT)

2шт.

27

D40184

BODY

CLAMP - hydraulic fittings

1шт.

28

413-632

BOLT,Hex, 3/8" - 16 x 2", Gr 5

1шт.

29

92-6

LOCK WASHER,3/8"

1шт.

30

25-106

NUT,3/8"-16, G5

- hex. (3/8" - 16 NC)

1шт.

31

221-56

BUSHING - reducing (1/2" NPT x 3/8" NPT), early production models

2шт.

32

D23911

FITTING

TEE - special (1/2" NPT), early production models

1шт.

33

218-456

HYD CONNECTOR,3/4" - 16 Male JIC x 1/2" - 14 Male NPTF

ADAPTER - male (1/2" NPT x 1/2" JIC), early production models

1шт.

34

D40184

BODY

HOSE - crossover (15" long), early production models

1шт.

35

218-902

HYD CONNECTOR,3/8" NPT x 3/8" - 18 ORFS

ADAPTER - swivel (3/8" NPT x 3/8" NPT), early production models

1шт.

36

D39719

VALVE - relief (3/8" NPT ports) Parts list figure 236, early production models

1шт.

37

218-444

HYD CONNECTOR,3/4" - 16 Male JIC x 3/8" - 18 Male NPTF

ADAPTER - male (3/8" NPT x 1/2" JIC), early production models

1шт.

38

221-56

BUSHING - reducing (1/2" NPT x 3/8" NPT), late production models

4шт.

39

D23911

FITTING

TEE - special (1/2" NPT), late production models

1шт.

40

D40184

BODY

HOSE - crossover (15" long), late production models

1шт.

41

218-902

HYD CONNECTOR,3/8" NPT x 3/8" - 18 ORFS

ADAPTER - swivel (3/8" NPT - 3/8" NPT), late production models

1шт.

42

D40200

VALVE - relief (1/2" NPT ports) Parts list figure 236, late production models

1шт.

43

218-456

HYD CONNECTOR,3/4" - 16 Male JIC x 1/2" - 14 Male NPTF

ADAPTER - male (1/2" NPT x 1/2" JIC), late production models

2шт.

Выбрано товаров: 45