Запчасти Case 310G (164) - MECHANICAL ANGLING DOZER (05) - UPPERSTRUCTURE CHASSIS

Схема запчастей Case 310G - (164) - MECHANICAL ANGLING DOZER (05) - UPPERSTRUCTURE CHASSIS
FIT
1:1
100%

Артикул

Название

Примечание

Количество

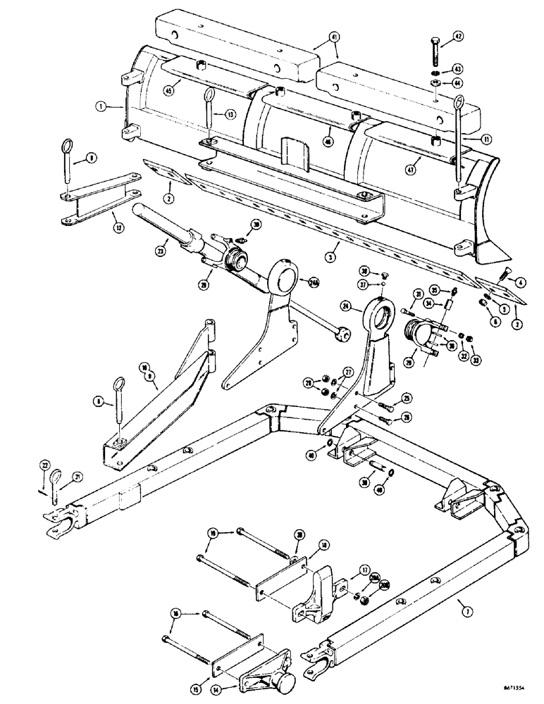
1

16741

MOLDBOARD - dozer (This assembly does not include ref. nos. 45, 46, or 47)

1шт.

2

NLS

NO LONGER SERVICED

BLADE - cutting, end

2шт.

3

16792

EDGE, CUTTING

BLADE, center

1шт.

4

19-828

BOLT,1/2"-13 x 1 3/4", G5

Plow

22шт.

5

92-8

LOCK WASHER,1/2"

22шт.

6

25-108

NUT,1/2"-13, G5

Hex

22шт.

7

D40737

SPARE PART Dozer

1шт.

8

16720

SHROUD

PIN - support and stabilizer arms to "C" frame

4шт.

9

16757

FITTING

ARM - stabilizer, RH

1шт.

10

16758

ARM - stabilizer, LH

1шт.

11

16569

BACK PLATE

PIN - stabilizer, Serial Range: arm-moldboard

2шт.

12

16798

SPARE PART Support, angling

1шт.

13

16720

SHROUD

PIN - mounting, support arm

1шт.

14

D30588

SPARE PART BRACKET - pivot, dozer attaching

2шт.

15

D30586

SPARE PART Pivot bracket

2шт.

16

14-12192

BOLT,Hex, 3/4" - 16 x 12", Gr 5

4шт.

17

33961

CONNECTING LINK

PLATE - rub

2шт.

18

D30586

SPARE PART Rub plate

2шт.

19

14-12216

BOLT,Hex, 3/4" - 16 x 13-1/2", Gr 5

4шт.

20

D34666

WASHER,33.34mm ID x 63.5mm OD x 2.38mm Thk

Special

4шт.

20a

92-12

LOCK WASHER,3/4"

8шт.

20b

25-1112

NUT,3/4"-16, G5

Hex

8шт.

21

16865

SPARE PART Mounting, "C" frame to pivot bracket

2шт.

22

132-154

COTTER PIN,1/4" x 2"

2шт.

23

REF

INSTRUCTION

CYLINDER - lift (See figure 220 and 221A for cylinders)

2шт.

24

D24502

SPARE PART TRUNNION - cylinder, RH outer

1шт.

24a

D24501

SPARE PART TRUNNION - cylinder, LH outer

1шт.

25

13-1036

BOLT,Hex, 5/8" - 11 x 2-1/4", Gr 5

2шт.

26

13-1024

BOLT,Hex, 5/8" - 11 x 1-1/2", Gr 5, Full Thd

8шт.

27

92-10

LOCK WASHER,5/8"

10шт.

28

25-1010

NUT,5/8"-11, G5

10шт.

29

D24497

TRUNNION

Inner race

2шт.

30

219-1

LUBE NIPPLE,1/8" - 27 NPTF

Straight (1/8 NPT)

2шт.

31

13-648

BOLT,Hex, 3/8" - 16 x 3", Gr 5

4шт.

32

92-6

LOCK WASHER,3/8"

4шт.

33

25-106

NUT,3/8"-16, G5

Hex

4шт.

34

D24508

PIN,31.74mm OD x 50.8mm L

Mounting, Serial Range: cylinder-trunnion

4шт.

35

219-1

LUBE NIPPLE,1/8" - 27 NPTF

Straight (1/8" NPT)

4шт.

36

D24516

WASHER

Thrust, special

4шт.

37

211-17

BALL,3/4" Dia

Steel (.) 3/4" Dia

38шт.

38

D24506

PLUG

SPARE PART Trunnion

2шт.

39

D30609

PIN,25.4mm OD x 95.25mm L

Lift cylinder to "C" frame

2шт.

40

D25277

SNAP RING,23.5mm ID x 2.62mm Thk

SNAP - lift cylinder pin

4шт.

41

D35480

SPARE PART Dozer/backhoe (200 lbs. each), for mechanical angling

2шт.

42

13-1272

BOLT,Hex, 3/4" - 10 x 4-1/2", Gr 5

Counterweights for mechanical angling/dozer backhoes

4шт.

43

92-12

LOCK WASHER,3/4"

Counterweights for mechanical angling/dozer backhoes

4шт.

44

95-12

WASHER,3/4"

Std. wrot, counterweights for mechanical angling/dozer backhoes

4шт.

45

D35485

SPARE PART Mounting (LH), counterweights for mechanical angling/dozer backhoes

1шт.

46

D35486

SPARE PART Mounting (Center), counterweights for mechanical angling/dozer backhoes

1шт.

47

D35484

SPARE PART Mounting (RH), counterweights for mechanical angling/dozer backhoes

1шт.

Выбрано товаров: 50