Запчасти Case 310G (240) - P.T.O., BELT PULLEY, AND CONTROL (05) - UPPERSTRUCTURE CHASSIS

Схема запчастей Case 310G - (240) - P.T.O., BELT PULLEY, AND CONTROL (05) - UPPERSTRUCTURE CHASSIS
FIT
1:1
100%

Артикул

Название

Примечание

Количество

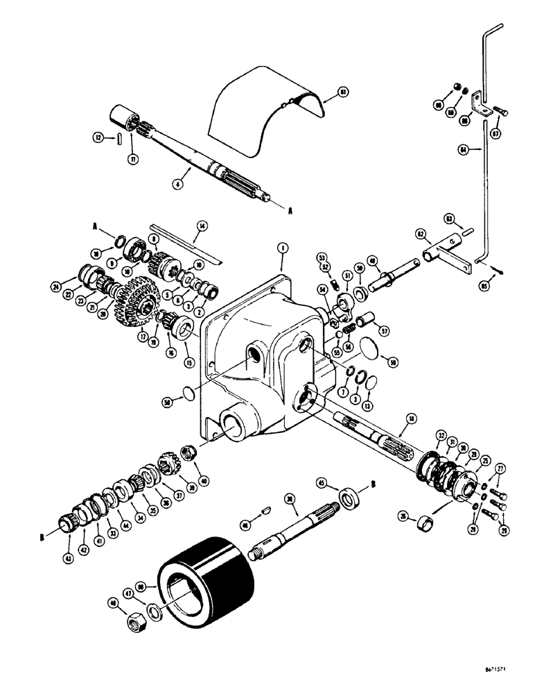
D29504

POWER TAKE-OFF - complete, model no. 70 BP-19

1шт.

1

23087

HYDRAULIC HOSE

HOUSING - P.T.O. drive (Includes ref. no. 33)

1шт.

2

23043

BEARING - P.T.O. driveshaft

1шт.

3

23030

PLATE

SNAP RING - P.T.O. shaft bearing

2шт.

4

23009

OIL SEAL

SHAFT - P.T.O. drive

1шт.

5

23022

HYDRAULIC HOSE

SPACER - driveshaft bearing

1шт.

6

23023

BEARING CONE,0.669" ID x 0.9797" OD

RACE - inner, driveshaft bearing

1шт.

7

23024

HYDRAULIC HOSE

RING - retaining, driveshaft

1шт.

8

D29503

GEAR - drive, P.T.O. shaft

1шт.

9

40040

BALL BEARING,1.1811" ID x 2.4409" OD x 0.6299"

- ball

1шт.

10

A29978

RING, SNAP

SNAP RING - P.T.O. driveshaft

3шт.

11

23018

SLEEVE,90 Degree, 9/16"-18, 37 Degree x 3/4"-16, O-Ring

- driveshaft

1шт.

12

23019

RIVET

- driveshaft sleeve

1шт.

13

23080

HYDRAULIC HOSE

PLUG - Welch, P.T.O. driveshaft hole

1шт.

14

23088

TUBE

- oil, P.T.O. bearing

1шт.

15

O4056TS

CUP

- bearing

1шт.

16

A31074

CONE

- bearing

1шт.

17

D29502

GEAR - driven, P.T.O. shaft

1шт.

18

D23998

SHAFT - P.T.O.

1шт.

19

A29978

RING, SNAP

SNAP RING - outer bearing retaining

1шт.

20

D23996

SPACER - bearing, P.T.O. shaft driven gear

1шт.

21

D25223

SHIM - P.T.O. shaft inner brg. (.010" thick)

1шт.

D25222

SHIM - P.T.O. shaft inner brg. (.015" thick)

1шт.

23038

HYDRAULIC HOSE

SHIM - P.T.O. shaft inner brg. (.020" thick)

1шт.

22

A30318

BEARING, CUP

CUP - bearing

1шт.

23

O1542AB

BEARING ASSY

CONE - bearing

1шт.

24

23031

HYDRAULIC HOSE

SNAP RING - bearing retaining

1шт.

25

23011

PIN

CAP - P.T.O.

1шт.

26

23033

OIL SEAL

SEAL - oil, P.T.O. shaft

1шт.

27

NLS

NO LONGER SERVICED

SCREW AND LOCKWASHER ASSEMBLY

1шт.

28

23016

CAP

SCREW AND LOCKWASHER ASSEMBLY

2шт.

29

23013

TINE

SHIM - bearing cap (.010" thick)

1шт.

30

23014

4 WAY CONNECTION

GASKET - bearing cap

1шт.

31

23012

TINE

SHIM - bearing cap (.005" thick)

1шт.

32

23015

ELBOW,90 Degree, 3/4"-16, 37 Degree x 3/4"-16, 37 Degree Fem Sw

GASKET - bearing cap

1шт.

33

11453

TAPERED BEARING

SNAP RING - belt pulley shaft inner bearing

1шт.

34

O4056TS

CUP

- bearing

1шт.

35

A31074

CONE

- bearing

1шт.

36

23035

HYDRAULIC HOSE

SHIM - belt pulley shaft inner brg. (.005" thick)

1шт.

37

23036

HYDRAULIC HOSE

SHIM - belt pulley shaft inner brg. (.010" thick)

1шт.

38

23027

SHAFT - belt pulley

1шт.

39

23074

HYDRAULIC HOSE

GEAR - belt pulley shaft

1шт.

40

11380

NUT

- belt pulley gear retaining

1шт.

41

11453

TAPERED BEARING

SNAP RING - belt pulley shaft outer brg.

1шт.

42

O4056TS

CUP

- bearing

1шт.

43

A31074

CONE

- bearing

1шт.

44

23037

HYDRAULIC HOSE

WASHER - oil, belt pulley shaft

1шт.

45

D49930

OIL SEAL

SEAL - oil, belt pulley shaft

1шт.

46

D20977

X

KEY - Woodruff, belt pulley shaft

1шт.

47

23042

HYDRAULIC HOSE

WASHER - belt pulley retaining

1шт.

48

23041

HYDRAULIC HOSE

NUT - belt pulley retaining

1шт.

49

D28969

SHAFT - P.T.O. shift

1шт.

50

23092

HYDRAULIC HOSE

WASHER - cork, shift shaft

1шт.

51

23094

HYDRAULIC HOSE

FINGER - shift

1шт.

52

23095

HYDRAULIC HOSE

SCREW - mounting, shift finger

1шт.

53

R10831

ELECTRICAL WIRE

LOCKWIRE - shift finger mounting screw

1шт.

54

23096

FILTER ASSY

TRUNNION - shift finger

1шт.

55

211-15

BALL,5/8" Dia

- mesh lock (.) 5/8" Dia

1шт.

56

23098

SPRING

- mesh lock

1шт.

57

23097

FLANGE NUT,Flg, 7/16"-14, GF

RETAINER - mesh lock spring

1шт.

58

23089

HYDRAULIC HOSE

PLUG - Welch, belt pulley shaft

1шт.

59

23034

HYDRAULIC HOSE

PLUG - Welch, belt pulley shaft

1шт.

60

23045

BUSHING

PULLEY - belt, P.T.O.

1шт.

61

23040

HYDRAULIC HOSE

SHIELD - P.T.O.

1шт.

62

D33896

LEVER - throwout, P.T.O.

1шт.

63

138-171

LOCK PIN,3/8" x 1 1/8", Slotted

PIN, 3/8" x 1 1/8", Slotted

1шт.

64

D33895

ROD - throwout

1шт.

65

132-25

COTTER PIN,3/32" x 5/8"

Pin, Split (Cotter), 3/32" x 5/8"

1шт.

66

D33894

BRACKET - support, throwout rod

1шт.

67

13-512

BOLT,Hex, 5/16" - 18 x 3/4", Gr 5

1шт.

68

92-5

LOCK WASHER,5/16"

1шт.

69

9635082

NUT,5/16" - 18, Gr 5

- hex. (5/16" -18 NC)

1шт.

Выбрано товаров: 72