Запчасти Case 310G (246) - P.T.O. ADAPTER AND CONTROL, (MODELS WITHOUT BELT PULLEY) (05) - UPPERSTRUCTURE CHASSIS

Схема запчастей Case 310G - (246) - P.T.O. ADAPTER AND CONTROL, (MODELS WITHOUT BELT PULLEY) (05) - UPPERSTRUCTURE CHASSIS
FIT
1:1
100%

Артикул

Название

Примечание

Количество

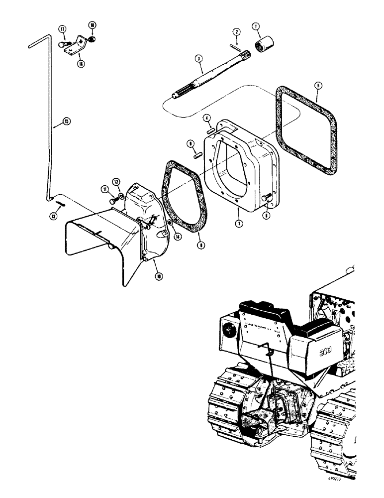
1

23018

SLEEVE,90 Degree, 9/16"-18, 37 Degree x 3/4"-16, O-Ring

- drive shaft

1шт.

2

23019

RIVET

- drive shaft

1шт.

3

D41905

SHAFT

- drive, P.T.O.

1шт.

4

49882

PIN

- dowel

4шт.

5

11429

GASKET

- transmission adapter

1шт.

6

13-720

BOLT,Hex, 7/16" - 14 x 1-1/4", Gr 5, Full Thd

11шт.

7

D41906

ADAPTER - P.T.O.

1шт.

8

G10447

GASKET

- P.T.O.

1шт.

9

G10711

PIN

- dowel

2шт.

10

A38286

P.T.O. ASSEMBLY - complete (Parts list figure 246)

1шт.

11

13-616

BOLT,Hex, 3/8" - 16 x 1", Gr 5, Full Thd

6шт.

12

92-6

LOCK WASHER,3/8"

6шт.

13

132-46

COTTER PIN,1/8" x 3/4"

Pin, Split (Cotter), 1/8" x 3/4"

1шт.

14

95-6

WASHER,3/8"

- flat (7/16")

1шт.

15

D41899

CONTROL - P.T.O.

1шт.

16

D41898

BRACKET - control mounting, P.T.O.

1шт.

17

13-616

BOLT,Hex, 3/8" - 16 x 1", Gr 5, Full Thd

1шт.

18

131-352

LOCK NUT,3/8"-16, GA

NUT - lock, hex. (3/8" - 16 NC)

1шт.

Выбрано товаров: 18