Запчасти Case 310G (172) - POWER ANGLING DOZER HYDRAULICS, (ANGLE CIRCUIT) (07) - HYDRAULIC SYSTEM

Схема запчастей Case 310G - (172) - POWER ANGLING DOZER HYDRAULICS, (ANGLE CIRCUIT) (07) - HYDRAULIC SYSTEM
FIT
1:1
100%

Артикул

Название

Примечание

Количество

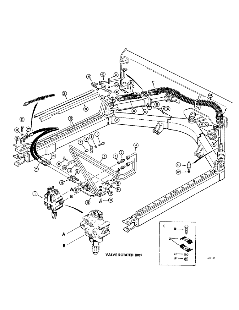
1

REF

INSTRUCTION

VALVE - control, hydraulic (Parker VDP 22) See Figures 214 and 216 for proper valves

1шт.

2

218-5060

HYD CONNECTOR,3/4" - 16 Male JIC x 7/8" - 14 Male ORB

male 3/4"-16, 37º x 7/8"-14, O-Ring

2шт.

3

237-6010

O-RING,0.097" Thk x 0.755" ID, -910, Cl 6, 90 Duro

10-1, 90 Duro, .755" ID x .097" Thk

1шт.

4

D38162

TUBE - upper control valve port to angling cylinder

1шт.

5

D38160

COMPRESSION SPRING

TUBE - lower control valve port to angling cylinder

1шт.

6

D32978

CLAMP - tube

2шт.

7

13-518

BOLT,Hex, 5/16" - 18 x 1-1/8", Gr 5

2шт.

8

92-5

LOCK WASHER,5/16"

2шт.

9

D33551

BUSHING

SPACER - tube clamp

2шт.

10

32978

PLATE ASSY.

CLAMP - tube

2шт.

11

13-524

BOLT,Hex, 5/16" - 18 x 1-1/2", Gr 5

- hex, 5/16 NC x 1-1/2"

1шт.

12

D33551

BUSHING

SPACER - tube clamp

1шт.

13

195-21

WASHER,5/16"

- flat () 5/16"

1шт.

14

131-4

LOCK NUT,5/16"-18, GB

NUT - lock, hex. (5/16" - 18 NC)

1шт.

15

D30602

GUARD - tubing

1шт.

16

13-820

BOLT,Hex, 1/2" - 13 x 1-1/4", Gr 5, Full Thd

1шт.

17

92-8

LOCK WASHER,1/2"

1шт.

18

25-108

NUT,1/2"-13, G5

- hex. (1/2" - 13 NC)

1шт.

19

50883

UNION - special bulkhead

2шт.

20

25-1112

NUT,3/4"-16, G5

- hex. (3/4" - 16 NF)

2шт.

21

D30603

HOSE

- tube to junction block (21-1/4" long)

2шт.

22

D23906

ELBOW

- special, 45 degrees

2шт.

23

D28039

BLOCK

JUNCTION BLOCK AND TUBE ASSEMBLY

1шт.

24

39610

GUARD - tubing, inside

1шт.

25

39611

FINGER

GUARD - tubing, outside

1шт.

26

221-12

PLUG,Sq Hd, 1/4"-18

- pipe, sq. hd. (1/4" NPT)

1шт.

27

14-828

BOLT,Hex, 1/2" - 20 x 1-3/4", Gr 5

HHCS - 1/2" - 20 NF x 1-3/4"

2шт.

28

92-8

LOCK WASHER,1/2"

2шт.

29

39607

SPACER - tube

1шт.

30

36801

GEAR

PLATE - clamp, tube

1шт.

31

14-836

BOLT,Hex, 1/2" - 20 x 2-1/4", Gr 5

HHCS - 1/2" - 20 NF x 2-1/4"

1шт.

32

92-8

LOCK WASHER,1/2"

1шт.

33

D34003

SPACER - tube clamp

1шт.

34

38614

CLIP

HOSE - tube assembly to L.H. angling cylinder (12-5/8" long)

2шт.

35

D33316

CLAMP

PLATE - clamp, hose

6шт.

36

13-528

BOLT,Hex, 5/16" - 18 x 1-3/4", Gr 5

HHCS - 5/16" - 18 NC x 1-3/4"

3шт.

37

195-21

WASHER,5/16"

- flat () 5/16"

3шт.

38

131-4

LOCK NUT,5/16"-18, GB

NUT - lock, hex. (5/16" - 18 NC)

3шт.

39

D28201

TUBE - L.H. angling cylinder, rod end

1шт.

40

D28203

TUBE ASSY.

TUBE - L.H. angling cylinder, closed end

1шт.

41

218-5121

ELBOW,90 Degree Elbow, 3/4" - 16 Male JIC x 7/8" - 14 Male ORB

special 90º, 3/4"-16, 37º x 7/8"-14, O-Ring

4шт.

42

237-6010

O-RING,0.097" Thk x 0.755" ID, -910, Cl 6, 90 Duro

10-1, 90 Duro, .755" ID x .097" Thk

1шт.

43

REF

INSTRUCTION

CYLINDER - angling, L.H. (See Figure 230 for cylinders)

1шт.

44

D29915

HOSE - L.H. angling cylinder to R.H. angling cylinder (48" long)

2шт.

45

D28207

TUBE - R.H. angling cylinder, rod end

1шт.

46

D28205

PIPE

TUBE - R.H. angling cylinder, closed end

1шт.

47

REF

INSTRUCTION

CYLINDER - angling, R.H. (See Figure 230 for cylinders)

1шт.

Выбрано товаров: 47