Запчасти Case 310G (192) - POWER ANGLE-TILT DOZER HYDRAULICS, (ANGLE-TILT CIRCUIT) "CASE" (07) - HYDRAULIC SYSTEM

Схема запчастей Case 310G - (192) - POWER ANGLE-TILT DOZER HYDRAULICS, (ANGLE-TILT CIRCUIT) "CASE" (07) - HYDRAULIC SYSTEM
FIT
1:1
100%

Артикул

Название

Примечание

Количество

1

REF

INSTRUCTION

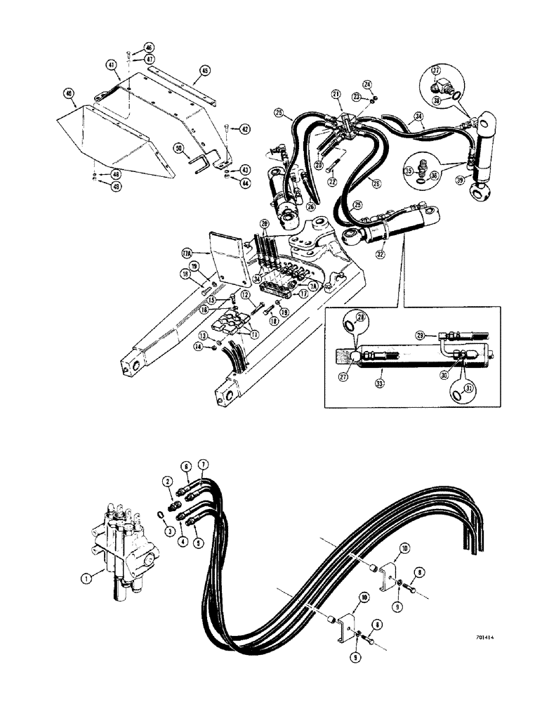
VALVE - control, hydraulic (See Figure 216 for proper valve)

1шт.

2

D37118

ADAPTER

CONNECTOR - angle and tilt ports

4шт.

3

237-6010

O-RING,0.097" Thk x 0.755" ID, -910, Cl 6, 90 Duro

10-1, 90 Duro, .755" ID x .097" Thk

1шт.

4

D46471

TUBE ASSY.

HOSE - hydraulic, angle port (124" long)

1шт.

5

D46472

HOSE

- hydraulic, angle port (124" long)

1шт.

6

D46472

HOSE

- hydraulic, tilt port (124" long)

1шт.

7

D46471

TUBE ASSY.

HOSE - hydraulic, tilt port (124" long)

1шт.

7a

218-786

REDUCER,37 Degree, 3/4"-16, Fem x 9/16"-18 Male

BUSHING - reducer

4шт.

8

13-612

BOLT,Hex, 3/8" - 16 x 3/4", Gr 5, Full Thd

2шт.

9

92-6

LOCK WASHER,3/8"

2шт.

10

D36134

CLAMP

- hose

2шт.

11

D36131

SET

BLOCK - clam, hose

1шт.

12

13-472

BOLT,Hex, 1/4" - 20 x 4-1/2", Gr 5

HHCS - 1/4" - 20 NC x 4-1/2"

2шт.

13

92-4

LOCK WASHER,1/4"

WASHER, LOCK, 1/4"

2шт.

14

25-104

NUT,1/4"-20, G5

2шт.

15

13-620

BOLT,Hex, 3/8" - 16 x 1-1/4", Gr 5, Full Thd

2шт.

16

92-6

LOCK WASHER,3/8"

2шт.

17

D36130

BLOCK

- manifold, at "C" frame

1шт.

17a

D52447

GUARD

- hose at "C" frame

1шт.

18

13-628

BOLT,Hex, 3/8" - 16 x 1-3/4", Gr 5

2шт.

19

92-6

LOCK WASHER,3/8"

2шт.

20

D36126

HOSE

- rear manifold to front manifold (22" long)

2шт.

21

D36202

BLOCK

- manifold, front

1шт.

22

13-844

BOLT,Hex, 1/2" - 13 x 2-3/4", Gr 5

Hex, 1/2"-13 x 2 3/4", G5

1шт.

23

92-8

LOCK WASHER,1/2"

1шт.

24

25-108

NUT,1/2"-13, G5

- hex. (1/2" - 13 NC)

1шт.

25

D36124

HOSE

- manifold to angling cylinder, closed end (29-1/2" long)

2шт.

26

D36125

HOSE

- manifold to angling cylinder, rod end (20" long)

2шт.

27

218-5121

ELBOW,90 Degree Elbow, 3/4" - 16 Male JIC x 7/8" - 14 Male ORB

special 90º, 3/4"-16, 37º x 7/8"-14, O-Ring

2шт.

28

237-6010

O-RING,0.097" Thk x 0.755" ID, -910, Cl 6, 90 Duro

10-1, 90 Duro, .755" ID x .097" Thk

1шт.

29

D28205

PIPE

TUBE - angling cylinder, rod end

2шт.

30

218-5060

HYD CONNECTOR,3/4" - 16 Male JIC x 7/8" - 14 Male ORB

Adapter, male, straight 3/4"-16, 37º x 7/8"-14, O-Ring

2шт.

31

237-6010

O-RING,0.097" Thk x 0.755" ID, -910, Cl 6, 90 Duro

10-1, 90 Duro, .755" ID x .097" Thk

1шт.

32

214-269

HOSE CLAMP,#72, 4.06" - 5", Type F Worm

CLAMP - tube

2шт.

33

REF

INSTRUCTION

CYLINDER - angle (See Figure 232 for cylinders)

2шт.

34

D36129

HOSE ASSY.

HOSE - manifold to tilt cylinder (57" long)

2шт.

35

218-5060

HYD CONNECTOR,3/4" - 16 Male JIC x 7/8" - 14 Male ORB

male, straight 3/4"-16, 37º x 7/8"-14, O-Ring

1шт.

36

237-6010

O-RING,0.097" Thk x 0.755" ID, -910, Cl 6, 90 Duro

10-1, 90 Duro, .755" ID x .097" Thk

1шт.

37

218-5146

ELBOW,45 Degree Elbow, 3/4" - 16 Male JIC x 7/8" - 14 Male ORB

- special, 45 degrees

1шт.

38

237-6010

O-RING,0.097" Thk x 0.755" ID, -910, Cl 6, 90 Duro

10-1, 90 Duro, .755" ID x .097" Thk

1шт.

39

REF

INSTRUCTION

CYLINDER - tilt (See Figure 236 for cylinders)

1шт.

40

D51271

GUARD - hose at moldboard, lower

1шт.

41

D51266

GUARD - hose at moldboard, upper

1шт.

42

13-820

BOLT,Hex, 1/2" - 13 x 1-1/4", Gr 5, Full Thd

4шт.

43

92-8

LOCK WASHER,1/2"

4шт.

44

25-108

NUT,1/2"-13, G5

- hex. (1/2" - 13 NC)

4шт.

45

D51322

SUPPORT - guard

1шт.

46

13-612

BOLT,Hex, 3/8" - 16 x 3/4", Gr 5, Full Thd

10шт.

47

195-25

WASHER,3/8"

- plain () 3/8"

10шт.

48

92-6

LOCK WASHER,3/8"

10шт.

49

25-106

NUT,3/8"-16, G5

- hex. (3/8" - 16 NC)

10шт.

50

D33500

LINING

GUARD - quick edge

1шт.

Выбрано товаров: 52