Запчасти Case 310G (008) - CYLINDER BLOCK ASSEMBLY, (188) DIESEL ENGINE, WITH NEW TYPE CYLINDER SLEVE (01) - ENGINE

Схема запчастей Case 310G - (008) - CYLINDER BLOCK ASSEMBLY, (188) DIESEL ENGINE, WITH NEW TYPE CYLINDER SLEVE (01) - ENGINE
FIT
1:1
100%

Артикул

Название

Примечание

Количество

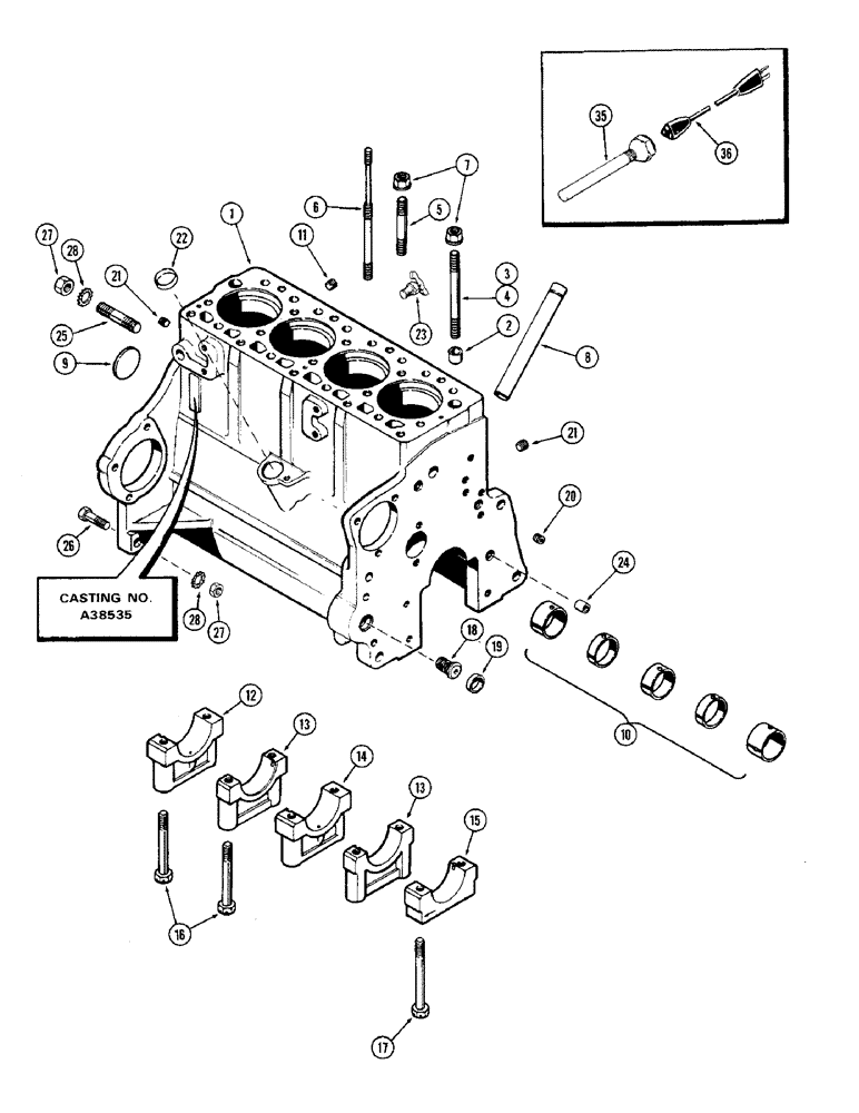
A42814

CYLINDER BLOCK

SHORT BLOCK ASSY. - (Includes stripped block, camshaft, crankshaft & bearings, rear oil seal, pistons & conn. rods and oil pump) (Casting No. A38535)

1шт.

1

A41597

SKELETON ENGINE

BLOCK ASSY. - stripped (Casting No. A38535)

1шт.

2

G49608

RING

- dowel, Serial Range: head-block

2шт.

3

A36902

STUD

- head to block (1/2" N.C. x 5-5/8")

11шт.

4

A36905

STUD

- head to block (1/2" N.C. x 6")

2шт.

5

A36904

STUD

- head to block (1/2" N.C. x 4")

4шт.

6

A36903

STUD

- head & cover (3/8" N.C. x 1/2" N.C. x 9-7/16")

2шт.

7

A37030

FLANGE NUT

- flanged, head stud

19шт.

8

A37149

TUBE

- dipstick & oil filler

1шт.

9

A39241

PLUG,Exp, 2.12" dia

- rear (2-1/8" expansion type)

1шт.

10

A42746

CAM

BUSHING SET - camshaft (Pre-sized)

1шт.

11

221-1032

DRAIN PLUG,Sq Soc, 3/8"-18 NPTF

PLUG - pipe, 3/8" socket hd.

1шт.

12

A38385

CAP

- rear bearing, crankshaft

1шт.

13

G2128

CAP

- intermediate bearing, crankshaft

2шт.

14

G2127

CAP

- center bearing, crankshaft

1шт.

15

G2126

CAP

- front bearing, crankshaft

1шт.

16

113-444

BOLT

- bearing cap (1/2 x 4-1/2")

8шт.

17

113-445

BOLT

- brg. cap & oil pump (1/2 x 5-1/8")

2шт.

18

A153552

ADAPTER

- oil filter

1шт.

19

41-1016

PLUG,Cup, 1"

- cap, filter adapter (1" cup type)

1шт.

20

G49070

PLUG

- drilled, front (1/4" P.T.)

1шт.

21

217-433

PLUG,Hex Soc, 1/4" - 18 NPTF

Oil gallery Hex Soc, 1/4"-18 NPTF

2шт.

22

A38534

PLUG

- tach. drive opening (1" cup type)

1шт.

23

A23656

COCK, DRAIN

VALVE - drain, engine block

1шт.

24

A29442

RING

- dowel, timing gear cover

2шт.

25

A29363

STUD

- engine to clutch housing (5/8" N.C.-N.F. x 2-1/4")

2шт.

26

A30129

BOLT

- engine to housing (5/8 x 2-3/4" N.F.)

2шт.

27

25-1110

NUT,5/8"-18, G5

- 5/8" N.F. hex.

4шт.

28

193-34

LOCK WASHER,Int Tooth, 5/8"

WASHER, LOCK, Int Tooth, 5/8"

4шт.

35

A40637

HEATER ASSY.

- (w/cord), block

1шт.

36

A40477

ELECTRICAL WIRE

CORD - heater (7 ft. long), block

1шт.

Выбрано товаров: 31