Запчасти Case 310G (208) - PULL BEHIND HYDRAULICS, (MODELS WITHOUT DIVERSION VALVE) (07) - HYDRAULIC SYSTEM

Схема запчастей Case 310G - (208) - PULL BEHIND HYDRAULICS, (MODELS WITHOUT DIVERSION VALVE) (07) - HYDRAULIC SYSTEM
FIT
1:1
100%

Артикул

Название

Примечание

Количество

1

REF

INSTRUCTION

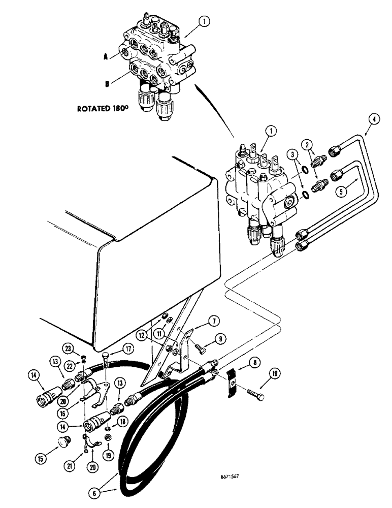
VALVE - control, hydraulic (Parker VDP 22) See Figures 212, 214 and 216 for proper valves.

1шт.

2

218-5062

HYD CONNECTOR,7/8"-14, 37 Degree x 7/8"-14, O-Ring

CONNECTOR - male

2шт.

3

237-6010

O-RING,0.097" Thk x 0.755" ID, -910, Cl 6, 90 Duro

10-1, 90 Duro, .755" ID x .097" Thk

1шт.

4

D38145

TUBE - upper control valve port to pull behind coupling

1шт.

5

D38147

TUBE - lower control valve port to pull behind coupling

1шт.

6

D28119

HOSE - valve port to pull behind coupling (26-1/2" long)

2шт.

7

D38331

BRACKET - mounting, hose clamp

1шт.

8

D33316

CLAMP

PLATE - clamp, hose

1шт.

9

13-512

BOLT,Hex, 5/16" - 18 x 3/4", Gr 5

2шт.

10

13-512

BOLT,Hex, 5/16" - 18 x 3/4", Gr 5

HHCS - 5/16" - 18 NC x 2"

1шт.

11

92-5

LOCK WASHER,5/16"

3шт.

12

9635082

NUT,5/16" - 18, Gr 5

- hex. (5/16" - 18 NC)

3шт.

13

A27744

ADAPTER,7/8" - 18 x 1/2" NPT

- special

2шт.

14

A28542

COUPLING, QUICK, FEM

COUPLING - pull behind, female (Parts list Figure 250)

2шт.

A28541

COUPLING, BREAK AWAY

COUPLING - pull behind, male (Parts list Figure 250) Not illustrated

2шт.

15

A22768

PLUG

- dust

2шт.

16

A27360

BRACKET

- mounting, pull behind coupling

2шт.

17

13-516

BOLT,Hex, 5/16" - 18 x 1", Gr 5

2шт.

18

92-5

LOCK WASHER,5/16"

2шт.

19

9635082

NUT,5/16" - 18, Gr 5

- hex. (5/16" - 18 NC)

2шт.

20

A27423

CLAMP

- pull behind coupling

4шт.

21

173-79

SCREW,Sl Rnd Hd, #8 - 32 x 5/8"

RHMS - No. 8 - 32 NC x 5/8"

4шт.

22

192-6

LOCK WASHER,#8

WASHER, LOCK, #8

4шт.

23

129-6

NUT,#8-32

4шт.

Выбрано товаров: 24