Запчасти Case 310G (214) - EQUIPMENT CONTROL VALVES AND LEVERS, (ONE LEVER - TWO SPOOLS) (07) - HYDRAULIC SYSTEM

Схема запчастей Case 310G - (214) - EQUIPMENT CONTROL VALVES AND LEVERS, (ONE LEVER - TWO SPOOLS) (07) - HYDRAULIC SYSTEM
FIT
1:1
100%

Артикул

Название

Примечание

Количество

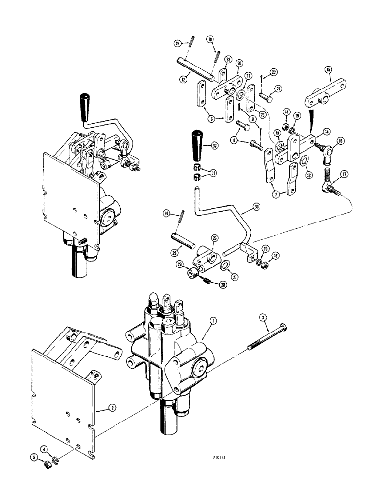
1

D45039

VALVE

- two spool (Loader models with counterweight or backhoe) Parts list Figure 264

1шт.

Used on models with field installed ripper, three point hitch or pull behind hydraulics.

1шт.

D45037

VALVE

- two spool (Power angling or tilt dozer models with or without backhoe) Parts list Figure 262

1шт.

Used on models with field installed ripper, three point hitch or pull behind hydraulics.

1шт.

2

D46098

BRACKET

- lever mounting

1шт.

3

13-668

BOLT,Hex, 3/8" - 16 x 4-1/4", Gr 5

HHCS - 3/8" - 16 NC x 4-1/4"

4шт.

4

92-6

LOCK WASHER,3/8"

4шт.

5

25-106

NUT,3/8"-16, G5

- hex. (3/8" - 16 NC)

4шт.

6

D46075

DRAG LINK

LINK - lever to valve, inner

2шт.

7

D46078

DRAG LINK

LINK - lever to valve, outer

2шт.

8

D46108

CLEVIS

PIN - clevis

4шт.

9

132-25

COTTER PIN,3/32" x 5/8"

Pin, Split (Cotter), 3/32" x 5/8"

4шт.

10

138-96

LOCK PIN,3/16" x 1", Slotted

PIN, 3/16" x 1", Slotted

1шт.

11

A26411

WASHER

- special

1шт.

12

D46073

AXLE PIN

PIN - mounting, linkage

1шт.

13

A26411

WASHER

- spacer

1шт.

14

D46086

LINK - at control lever (Loader models)

1шт.

15

D46087

LEVER

LINK - at control lever (Dozer models)

1шт.

16

D40908

BALL JOINT

- female

1шт.

17

D46071

BALL JOINT

- male

1шт.

18

25-116

NUT,Hex, 3/8"-24, G5

- hex. (3/8" - 24 NF)

2шт.

19

92-6

LOCK WASHER,3/8"

2шт.

20

D46083

LEVER

LINK - to pivot lever

1шт.

21

D46108

CLEVIS

PIN - clevis

2шт.

22

132-25

COTTER PIN,3/32" x 5/8"

Pin, Split (Cotter), 3/32" x 5/8"

2шт.

23

D43454

LINK

- at pivot lever

2шт.

24

138-98

LOCK PIN,3/16" x 1 1/4", Slotted

PIN, 3/16" x 1 1/4", Slotted

2шт.

25

D46074

AXLE PIN

PIN - mounting, pivot lever

1шт.

26

D46094

CRANK

LEVER - pivot

1шт.

27

A26411

WASHER

- spacer

1шт.

28

83-44

SET SCREW,Hex Soc, 1/4"-20 x 1/4"

SCREW - Allen head (1/4" - 20 NC x 1/4")

1шт.

29

D46079

COLLAR

- control lever

1шт.

30

D47804

LEVER

- valve control (Dozer models)

1шт.

D46101

LEVER

- valve control (Loader models)

1шт.

31

D38662

RING

BUSHING - spacer

2шт.

32

D37550

KNOB

- control lever

1шт.

Выбрано товаров: 36