Запчасти Case 310G (216) - EQUIPMENT CONTROL VALVES AND LEVERS, (TWO LEVERS - THREE SPOOLS) (07) - HYDRAULIC SYSTEM

Схема запчастей Case 310G - (216) - EQUIPMENT CONTROL VALVES AND LEVERS, (TWO LEVERS - THREE SPOOLS) (07) - HYDRAULIC SYSTEM
FIT
1:1
100%

Артикул

Название

Примечание

Количество

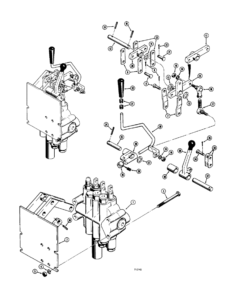
1

D45041

LOCK VALVE

VALVE - three spool (Loader models with ripper, three point hitch, pull behind hydraulics, clam type bucket or grapple attachment) Parts list Figure 264

1шт.

Used on clam type bucket loader models and power angle-tilt dozer models with field installed ripper, three point hitch or pull behind hydraulics.

1шт.

D45044

VALVE

- three spool (Power angle-tilt dozers, power angling and power tilt dozers with ripper, three point hitch and pull behind hydraulics) Parts list Figure 266

1шт.

Used on clam type bucket loader models and power angle-tilt dozer models with field installed ripper, three point hitch or pull behind hydraulics.

1шт.

2

D46098

BRACKET

- lever mounting

1шт.

3

13-668

BOLT,Hex, 3/8" - 16 x 4-1/4", Gr 5

HHCS - 3/8" - 16 NC x 4-1/4"

4шт.

4

92-6

LOCK WASHER,3/8"

4шт.

5

25-106

NUT,3/8"-16, G5

- hex. (3/8" - 16 NC)

4шт.

6

D46075

DRAG LINK

LINK - at valve to lever, inner

2шт.

7

D46078

DRAG LINK

LINK - at valve to lever, center

2шт.

8

D46108

CLEVIS

PIN - clevis

4шт.

9

132-25

COTTER PIN,3/32" x 5/8"

Pin, Split (Cotter), 3/32" x 5/8"

4шт.

10

138-96

LOCK PIN,3/16" x 1", Slotted

PIN, 3/16" x 1", Slotted

1шт.

11

A26411

WASHER

- special

1шт.

12

D46073

AXLE PIN

PIN - mounting, linkage

1шт.

13

A26411

WASHER

- spacer

1шт.

14

D46086

LINK - at control lever (Loader models)

1шт.

15

D46087

LEVER

LINK - at control lever (Dozer models)

1шт.

16

D40908

BALL JOINT

- female

1шт.

17

D46071

BALL JOINT

- male

1шт.

18

25-116

NUT,Hex, 3/8"-24, G5

- hex. (3/8" - 24 NF)

2шт.

19

92-6

LOCK WASHER,3/8"

2шт.

20

D46083

LEVER

LINK - to pivot lever

1шт.

21

D46108

CLEVIS

PIN - clevis

2шт.

22

132-25

COTTER PIN,3/32" x 5/8"

Pin, Split (Cotter), 3/32" x 5/8"

2шт.

23

D43454

LINK

- at pivot lever

2шт.

24

138-98

LOCK PIN,3/16" x 1 1/4", Slotted

PIN, 3/16" x 1 1/4", Slotted

1шт.

25

D46074

AXLE PIN

PIN - mounting, pivot lever

1шт.

26

D46094

CRANK

LEVER - pivot

1шт.

27

A26411

WASHER

- spacer

1шт.

28

83-44

SET SCREW,Hex Soc, 1/4"-20 x 1/4"

SCREW - Allen head (1/4" - 20 NC x 1/4")

1шт.

29

D46079

COLLAR

- control lever

1шт.

30

D46101

LEVER

- valve control, inner (Loader models)

1шт.

D47804

LEVER

- valve control, inner (Dozer models)

1шт.

31

D38662

RING

BUSHING - spacer

2шт.

32

D37550

KNOB

- control lever

1шт.

33

D46077

LINK

- at valve to lever, outer

2шт.

34

D46108

CLEVIS

PIN - clevis

2шт.

35

132-25

COTTER PIN,3/32" x 5/8"

Pin, Split (Cotter), 3/32" x 5/8"

2шт.

36

138-96

LOCK PIN,3/16" x 1", Slotted

PIN - roll (3/16" - 1-1/4")

2шт.

37

NLS

NO LONGER SERVICED

PIN - mounting, lever

1шт.

38

D33255

LEVER

- valve control, outer

1шт.

39

D46080

SPACER

- lever

1шт.

Выбрано товаров: 43