Запчасти Case 310G (218) - LOADER LIFT CYLINDERS, USES SPLIT SNAP IN OUTER ROD WIPER (07) - HYDRAULIC SYSTEM

Схема запчастей Case 310G - (218) - LOADER LIFT CYLINDERS, USES SPLIT SNAP IN OUTER ROD WIPER (07) - HYDRAULIC SYSTEM
FIT
1:1
100%

Артикул

Название

Примечание

Количество

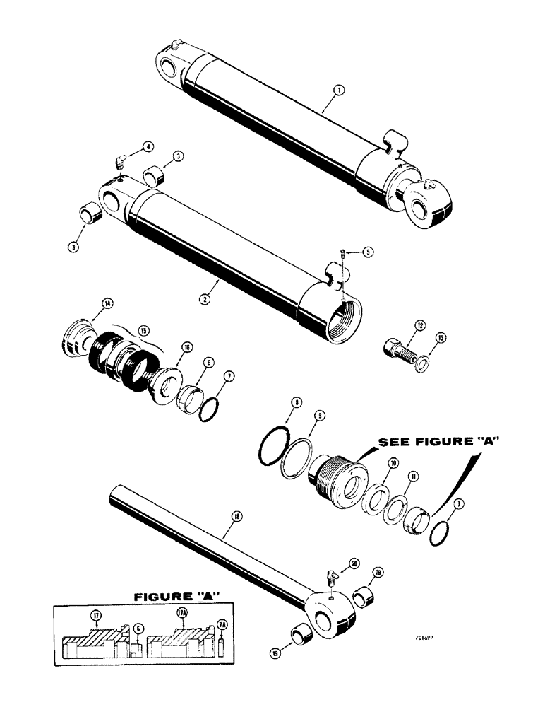
1

D33121

CYLINDER

- lift, R.H. (3" I.D. x 31" stroke)

1шт.

These cylinders use D37355 and D42872 gland packing kits. For kit components, see page 243A.

1шт.

D33122

CYLINDER

- lift, L.H. (3" I.D. x 31" stroke)

1шт.

These cylinders use D37356 and D42873 gland packing kits. For kit components, see page 243G.

1шт.

2

D33272

TUBE

- cylinder, R.H.

1шт.

D33273

TUBE

- cylinder, L.H.

1шт.

3

30613

BUSHING,38.33mm ID x 44.45mm OD x 17.6mm L

- tube (D33272 tube and D33273 tube)

2шт.

4

219-36

LUBE NIPPLE,45 Degree Elbow, 1/8" - 27 NPTF

FITTING - grease, 45 degrees (1/8" NPT)

1шт.

5

187-1031

SELF-TAP SCREW,Pan, 0.164"-32 x 1/4"

SCREW - self-tapping, #8 - 32 NC x 1/4"

1шт.

6

D27432

SHIM

- rod

2шт.

7

A14515

O-RING,0.139" Thk x 1.859" ID, -225, Cl 5, 75 Duro

SEAL - "O" ring, wiper (If used)

2шт.

8

A30095

O-RING,0.139" Thk x 2.984" ID, -234, Cl 5, 75 Duro

SEAL - "O" ring, gland

1шт.

9

D28049

RING

- backup, gland seal

1шт.

10

D36970

CUP

SEAL - rod

1шт.

11

D28499

RING

- backup, rod seal

1шт.

12

D32861

BOLT

- special

1шт.

13

G32303

WASHER,26.97mm ID x 47.63mm OD x 3.58mm Thk

- special

1шт.

14

D28896

PISTON

- split, bolt end

1шт.

15

D28374

PACKAGE,SERVICE

PACKING - piston

1шт.

16

D28897

PISTON

- split, rod end

1шт.

17

D45068

GLAND

- packing

1шт.

18

D33267

ROD

- piston (1-3/4" dia.)

1шт.

19

D32865

BUSHING,38.33mm ID x 47.63mm OD x 22.35mm L

- rod eye

2шт.

20

219-55

LUBE NIPPLE,90 Degree Elbow, 1/8" - 27 NPTF

NIPPLE, LUBE, 90º, 1/8" NPT x .84" lg

1шт.

1

G32573

CYLINDER ASSY.

CYLINDER - lift, R.H. (3" I.D. x 31" stroke), used press in outer rod wiper

1шт.

These cylinders use G32289 cylinder packing kits. For kit components, see Figure 243A.

1шт.

1

G32574

CYLINDER

- lift, L.H. (3" I.D. x 31" stroke), used press in outer rod wiper

1шт.

These cylinders use G32289 cylinder packing kits. For kit components, see Figure 243A.

1шт.

2

D33272

TUBE

- cylinder, R.H., used press in outer rod wiper

1шт.

2

D33273

TUBE

- cylinder, L.H., used press in outer rod wiper

1шт.

3

30613

BUSHING,38.33mm ID x 44.45mm OD x 17.6mm L

- tubes (R.H. & L.H.), used press in outer rod wiper

2шт.

4

219-36

LUBE NIPPLE,45 Degree Elbow, 1/8" - 27 NPTF

FITTING - grease, 45 degrees (1/8" NPT), used press in outer rod wiper

1шт.

5

187-1031

SELF-TAP SCREW,Pan, 0.164"-32 x 1/4"

SCREW - self-tapping, #8 - 32 NC x 1/4", used press in outer rod wiper

1шт.

6

D27432

SHIM

- rod, inner, used press in outer

1шт.

G32735 gland assemblies, Includes: Refs. 6, 7A, 8, 9 , 10 and 17A

1шт.

7

NOT REQUIRED

1шт.

7a

D95143

WIPER SEAL,44.42mm ID x 57.17mm OD x 7.92mm Thk

WIPER - rod, outer, used press in

1шт.

G32735 gland assemblies, Includes: Refs. 6, 7A, 8, 9 , 10 and 17A

1шт.

8

A30095

O-RING,0.139" Thk x 2.984" ID, -234, Cl 5, 75 Duro

SEAL - "O" ring, gland, used press in outer rod wiper

1шт.

G32735 gland assemblies, Includes: Refs. 6, 7A, 8, 9 , 10 and 17A

1шт.

9

G32122

BACK-UP RING,75.82mm ID x 81.92mm OD x 1.4mm Thk

- backup, used press in outer rod wiper

1шт.

G32735 gland assemblies, Includes: Refs. 6, 7A, 8, 9 , 10 and 17A

1шт.

10

D36970

CUP

SEAL - rod, used press in outer rod wiper

1шт.

G32735 gland assemblies, Includes: Refs. 6, 7A, 8, 9 , 10 and 17A

1шт.

11

NOT REQUIRED

1шт.

12

D32861

BOLT

- special, used press in outer rod wiper

1шт.

13

G32303

WASHER,26.97mm ID x 47.63mm OD x 3.58mm Thk

- special, used press in outer rod wiper

1шт.

14

D28896

PISTON

- split, bolt end, used press in outer rod wiper

1шт.

15

D28374

PACKAGE,SERVICE

PACKING - piston, used press in outer rod wiper

1шт.

16

D28897

PISTON

- split, rod end, used press in outer wiper

1шт.

17a

NSS

NOT SOLD SEPARAT

GLAND - packing (Use G32735 gland assembly), used press in outer rod wiper

1шт.

G32735 gland assemblies, Includes: Refs. 6, 7A, 8, 9 , 10 and 17A

1шт.

18

D33267

ROD

- piston (1-3/4" dia.), used press in outer wiper

1шт.

19

D32865

BUSHING,38.33mm ID x 47.63mm OD x 22.35mm L

- rod eye, used press in outer wiper

2шт.

20

219-55

LUBE NIPPLE,90 Degree Elbow, 1/8" - 27 NPTF

NIPPLE, LUBE, , Used press in outer rod wiper 90º, 1/8" NPT x .84" lg

1шт.

Выбрано товаров: 55