Запчасти Case 310G (064) - RADIATOR, FAN, FAN BELT (01) - ENGINE

Схема запчастей Case 310G - (064) - RADIATOR, FAN, FAN BELT (01) - ENGINE
FIT
1:1
100%

Артикул

Название

Примечание

Количество

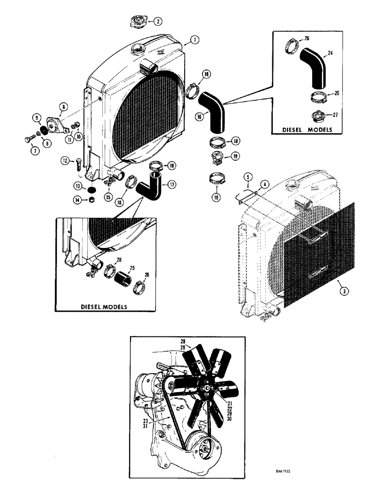
1

D21839

RADIATOR ASSEMBLY - gas models only

1шт.

D26522

RADIATOR ASSEMBLY - diesel models only (Not illustrated)

1шт.

2

D25826

CAP

- radiator

1шт.

D13459

KIT - antisand blast, radiator screen (Standard for loader models, optional for all other models)

1шт.

3

NSS

NOT SOLD SEPARAT

SCREEN - radiator, antisand blast

1шт.

4

R14077

STRAP

- retainer, screen

4шт.

5

R14078

ELECTRICAL WIRE

WIRE - screen

2шт.

6

D50208

SUPPORT

BRACKET - radiator mounting

2шт.

7

13-624

BOLT,Hex, 3/8" - 16 x 1-1/2", Gr 5

HHCS - 3/8" - 16 NC x 1-1/2"

2шт.

8

92-6

LOCK WASHER,3/8"

2шт.

9

D22988

WASHER

- vibration, rubber

2шт.

10

25-106

NUT,3/8"-16, G5

- hex. (3/8" - 16 NC)

2шт.

11

92-6

LOCK WASHER,3/8"

2шт.

12

13-824

BOLT,Hex, 1/2" - 13 x 1-1/2", Gr 5, Full Thd

2шт.

13

D23003

SHOCK ABSORBER

WASHER - vibration, rubber

2шт.

14

131-354

LOCK NUT,1/2"-13, GA

NUT - lock, hex. (1/2" - 13 NC)

2шт.

15

217-92

COCK

DRAINLOCK

1шт.

16

D21960

HOSE,1.75" ID x 4.56", SAE 20R4

RADIATOR HOSE, , Outlet, Upper (Gas Models Only) 1.75" ID x 4.56", SAE 20R4

1шт.

17

D21961

HOSE,1.75" ID x 5.13", SAE 20R4

RADIATOR HOSE, , Inlet, Lower (Gas Models Only) 1.75" ID x 5.13", SAE 20R4

1шт.

18

214-260

HOSE CLAMP,#36, 1.81" - 2.75", Type F Worm

gas models only #36, 1.81/2.75 Type F Worm

5шт.

19

G11005

CASE

THERMOSTAT, gas models only

1шт.

20

D27436

FAN

- suction (Standard on all models except loader models), gas models only

1шт.

D27437

FAN

- pusher (Standard on loader models ony), gas models only

1шт.

21

13-512

BOLT,Hex, 5/16" - 18 x 3/4", Gr 5

Gas models only Hex, 5/16"-18 x 3/4", G5, Full Thd

4шт.

22

92-5

LOCK WASHER,5/16"

gas models only 5/16"

4шт.

23

G46238

BELT,0.55" W x 17.78" L

Fan, Gas Models Only 0.55" W x 17.78" L

1шт.

24

D26526

HOSE,2.13" ID x 4.81", SAE 20R4

RADIATOR HOSE, , Inlet, Upper (Diesel Models Only) 2.13" ID x 4.81", SAE 20R4

1шт.

25

A30074

HOSE

- lower, radiator, diesel models only

1шт.

26

214-260

HOSE CLAMP,#36, 1.81" - 2.75", Type F Worm

diesel models only #36, 1.81/2.75 Type F Worm

4шт.

27

A57641

THERMOSTAT

diesel models only

1шт.

28

D52583

FAN

- suction (Standard on all models except loader models), diesel models only

1шт.

28

D52582

FAN

- pusher (Standard on loader models only), diesel models only

1шт.

Ref #28A - D52582 Pusher Fan will not work in this application. Must have suction fan. 06/11/96

1шт.

29

13-512

BOLT,Hex, 5/16" - 18 x 3/4", Gr 5

Diesel models only Hex, 5/16"-18 x 3/4", G5, Full Thd

4шт.

30

92-5

LOCK WASHER,5/16"

diesel models only 5/16"

4шт.

31

G46238

BELT,0.55" W x 17.78" L

Fan, Diesel Models Only 0.55" W x 17.78" L

1шт.

Выбрано товаров: 36