Запчасти Case 310G (026) - FUEL INJECTION PUMP, (188) DIESEL ENGINE (02) - FUEL SYSTEM

Схема запчастей Case 310G - (026) - FUEL INJECTION PUMP, (188) DIESEL ENGINE (02) - FUEL SYSTEM
FIT
1:1
100%

Артикул

Название

Примечание

Количество

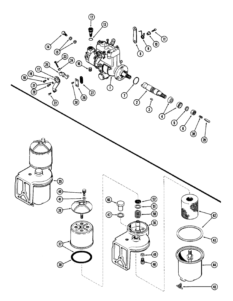
1

A35779

PUMP, FUEL INJECTION

PUMP ASSY. - fuel injection

1шт.

2

G47113

SHAFT

- drive

1шт.

3

126-12

WOODRUFF KEY,#6, 5/32" x 5/8"

1шт.

4

R14711

SEAL

- drive shaft

2шт.

5

192-24

LOCK WASHER,9/16"

WASHER, LOCK, , Shaft nut 9/16"

1шт.

6

25-159

JAM NUT,Jam, 9/16"-18, G5

- jam, 9/16" N.F. hex.

1шт.

7

74244

SEAL,0.139" Thk x 1.046" ID, -215, Cl 5, 75 Duro

SEAL - pilot tube

1шт.

8

G45338

ARM

- throttle

1шт.

9

G48505

SPRING

- throttle arm

1шт.

10

G49621

RETAINER

- spring, throttle arm

1шт.

11

G49079

SET SCREW

SCREW - throttle arm

1шт.

12

CAS73671

FILTER, ELEMENT

CAP - fuel outlet (Includes filter)

1шт.

13

51200280

SEAL

- filter & cap

1шт.

14

73613

SCREW

- connector, injection tube

4шт.

15

G49407

WASHER,9.63mm ID x 12.83mm OD x 1.65mm Thk

WASHER - connector screw

8шт.

16

217-433

PLUG,Hex Soc, 1/4" - 18 NPTF

Pipe Hex Soc, 1/4"-18 NPTF

1шт.

17

G45337

ARM

- shut-off

1шт.

18

73646

SCREW

- position, shut off arm

1шт.

19

493-21017

LOCK WASHER,Int Tooth, #8

- position screw

1шт.

20

73670

SCREW

- retaining, shut-off arm

1шт.

21

73630

LOCK WASHER

WASHER - retaining screw

1шт.

22

73667

IGNITION SWITCH

- pivot

1шт.

23

G49088

ADJUSTMENT SCREW,#10 - 32 x 1.781"

- adjusting, high idle

1шт.

24

73651

SCREW

- high idle screw

1шт.

25

NSS

NOT SOLD SEPARAT

LEVER - shut-off

1шт.

26

G46330

COVER

- timing window

2шт.

27

73453

GASKET

- cover

2шт.

28

73514

SCREW

- timing cover

4шт.

29

G47128

PLUNGER

- thrust, drive shaft

1шт.

30

G48502

SPRING

- plunger

1шт.

35

A35735

FILTER

ASSY. - fuel, complete

1шт.

36

A35664

HEAD

- mounting, fuel filter

1шт.

37

A39109

FILTER

KIT - final, fuel

1шт.

38

A37188

GASKET

- filter base, fuel

1шт.

39

A35672

CAP

ASSY. - final filter, fuel

1шт.

40

A35971

SCREW,1/4" - 20 x 0.695"

VALVE - bleeder, fuel filter

1шт.

41

NLS

NO LONGER SERVICED

GASKET - bleeder valve, fuel filter

1шт.

42

A35863

FILTER, ELEMENT

ELEMENT KIT - primary filter, fuel

1шт.

43

A28056

GASKET

- filter body, fuel

1шт.

44

A37099

FUEL FILTER

BODY - primary filter, fuel

1шт.

45

217-81

VALVE

- drain (1/8" P.T.), fuel filter

1шт.

46

A21131

NUT

- primary filter to head, fuel

1шт.

47

A28055

GASKET

- nut, primary filter, fuel

1шт.

48

G49080

PLUG

- drain, filter head, fuel

1шт.

49

A27891

O-RING,0.103" Thk x 0.362" ID, -110, Cl 5, 75 Duro

"O" RING - drain plug (3/8" I.D. x 9/16" O.D. x 3/32"), fuel filter

1шт.

50

A35669

SPRING

- final filter, fuel

1шт.

51

A35670

WASHER

- final filter spring, fuel

1шт.

52

A35671

GASKET

- rubber, final filter, fuel

1шт.

Выбрано товаров: 48