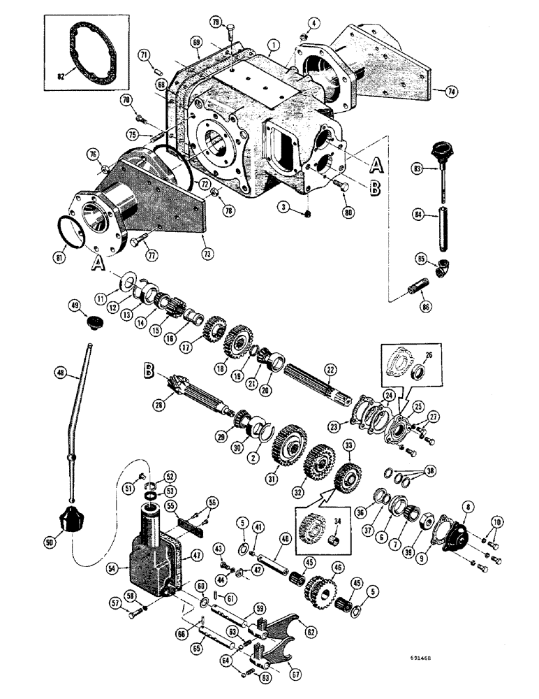
Запчасти Case 310G (102) - D38527 TRANSMISSION, DIFFERENTIAL AND FINAL DRIVE SPACERS (03) - TRANSMISSION

Схема запчастей Case 310G - (102) - D38527 TRANSMISSION, DIFFERENTIAL AND FINAL DRIVE SPACERS (03) - TRANSMISSION
FIT
1:1
100%

Артикул

Название

Примечание

Количество

D38527

TRANSMISSION

- complete

1шт.

NLS

NO LONGER SERVICED

TRANSMISSION CASE ASSEMBLY

1шт.

1

NSS

NOT SOLD SEPARAT

CASE - transmission

1шт.

2

11451

RING, SNAP

RING - retaining, counter shaft rear bearing

1шт.

3

D23217

X

PLUG - drain, magnetic

2шт.

4

221-16

PLUG,Sq Hd, 1"-11 1/2 NPTF

- filler

1шт.

5

D29626

WASHER

- thrust, reverse idler

2шт.

6

D37370

BEARING CUP,2.6542" OD x 0.625"

CUP - bearing, countershaft

1шт.

7

W9651S

CUP ASSY.

CONE - bearing, countershaft

1шт.

8

D37368

CYLINDER END CAP

CAP - bearing, front (Countershaft)

1шт.

9

D37369

GASKET

- bearing, front (Countershaft)

1шт.

10

23016

CAP

HHCS AND LOCKWASHER

3шт.

11

11371

CUP ASSY.

CUP - oil, mainshaft rear bearing

1шт.

12

11453

TAPERED BEARING

RING - retaining, mainshaft rear bearing

1шт.

13

O4056TS

CUP

- bearing

1шт.

14

A31074

CONE

- bearing

1шт.

15

11363

BALL BEARING

GEAR - mainshaft, low and reverse

1шт.

16

35130

SPACER

- mainshaft gear

1шт.

17

11365

GEAR

- mainshaft, second speed

1шт.

18

11366

GEAR

- mainshaft, constant mesh

1шт.

19

A29978

RING, SNAP

RING - retaining, mainshaft front bearing

1шт.

20

O4056TS

CUP

- bearing

1шт.

21

A31074

CONE

- bearing

1шт.

22

D33873

MAIN SHAFT

MAINSHAFT

1шт.

23

51200023

GASKET

- mainshaft front bearing cap

1шт.

24

11368

SHIM

- mainshaft front bearing cap (.005" thick)

1шт.

11367

SHIM

- mainshaft front bearing cap (.010" thick)

1шт.

D20541

SHIM,.020" Thk

Main shaft front bearing cap .020" Thk

1шт.

D33872

CAP ASSY.

FRONT BEARING CAP ASSEMBLY - mainshaft

1шт.

25

NSS

NOT SOLD SEPARAT

CAP - mainshaft front bearing

1шт.

26

11370

OIL RESERVOIR

SEAL - oil, bearing cap

1шт.

27

23016

CAP

HHCS AND LOCKWASHER

3шт.

28

R25584

GEAR WHEEL

COUNTERSHAFT AND BEVEL PINION - included with differential and drum assembly

1шт.

29

40384

ROLLER BEARING

CONE - bearing

1шт.

30

12667A1

CUP - bearing

1шт.

31

NLS

NO LONGER SERVICED

- countershaft, first and reverse

1шт.

32

D37372

GEAR

- sliding, countershaft (Second and third)

1шт.

11375

GEAR

AND BUSHING ASSEMBLY - countershaft, third

1шт.

33

NSS

NOT SOLD SEPARAT

GEAR - third

1шт.

34

11376

BUSHING

- third gear

1шт.

35

RESERVED

1шт.

36

11378

BELLEVILLE WASHER

- retaining, countershaft third gear

1шт.

37

D27621

SPACER

WASHER - spacer (.0469" thick)

1шт.

38

D27618

SHIM,.004" Thk

Steel .004" Thk

1шт.

D27619

SHIM,.007" Thk

Steel .007" Thk

1шт.

D27620

SHIM,.010" Thk

Steel .010" Thk

1шт.

39

11380

NUT

- adjusting, countershaft front bearing

1шт.

34592

SHAFT

REVERSE IDLER SHAFT ASSEMBLY

1шт.

40

NSS

NOT SOLD SEPARAT

SHAFT - reverse idler

1шт.

41

34594

X

PLUG - pipe, slotted

1шт.

42

11385

LOCK ASSY

LOCK - reverse idler shaft

1шт.

43

13-610

BOLT,Hex, 3/8" - 16 x 5/8", Gr 5, Full Thd

1шт.

44

193-10

LOCK WASHER,Ext Tooth, 0.391" ID x 0.682" OD, STL, PLN

WASHER, LOCK, Ext Tooth, 3/8"

1шт.

45

11450

TAPERED BEARING

BEARING - needle, reverse idler

2шт.

46

NLS

NO LONGER SERVICED

GEAR - reverse idler

1шт.

47

11391

GASKET

- control cover

1шт.

D33506

SHIFTING UNIT

GEAR SHIFT CONTROL ASSEMBLY

1шт.

48

D33480

LEVER

- gear shift

1шт.

49

A26727

BALL

KNOB - gear shift lever

1шт.

50

A57876

COVER

- dust, gear shift lever

1шт.

51

A30294

PIN

- stake, gear shift lever

1шт.

52

CAS11454

RING, SNAP

RING - retaining, gear shift lever

1шт.

53

CAS11393

WASHER

- pivot, gear shift lever

1шт.

37911

SLIDE GUIDE

COVER AND GUIDE ASSEMBLY - control

1шт.

54

NSS

NOT SOLD SEPARAT

COVER - control

1шт.

55

11389

PLATE

- guide, control

1шт.

56

45-414

RIVET,But Hd, 1/4" x 7/8"

- guide plate

2шт.

57

13-614

BOLT,Hex, 3/8" - 16 x 7/8", Gr 5, Full Thd

4шт.

58

92-6

LOCK WASHER,3/8"

4шт.

59

11396

ROD

- shift, first and reverse

1шт.

60

D28299

WASHER

- spacer, first and reverse shift fork

1шт.

61

11398

PIN

- lock, shift rod

1шт.

62

11400

FORK TEDDER

FORK - shift, first and reverse

1шт.

63

11403

SPRING

- mesh lock, shift fork

2шт.

64

211-11

BALL,3/8" Dia

- mesh lock, shift fork

2шт.

65

11397

ROD

- shift, second and third

1шт.

66

11399

PIN

- lock, second and third shift rod

1шт.

67

NLS

NO LONGER SERVICED

FORK - shift, second and third

1шт.

68

11429

GASKET

- transmission cover plate

1шт.

69

D21185

PLATE

- cover, transmission

1шт.

70

13-720

BOLT,Hex, 7/16" - 14 x 1-1/4", Gr 5, Full Thd

(Apply Loctite to these bolts) See below Hex, 7/16"-14 x 1 1/4", G5, Full Thd

11шт.

71

49882

PIN

- dowel

4шт.

72

A28239

O-RING,0.139" Thk x 5.984" ID, -258, Cl 5, 75 Duro

SEAL - "O" ring, final drive spacer (48" gauge only)

2шт.

73

D29728

SPACER - final drive, R.H. (48" gauge)

1шт.

D29792

X

SPACER - final drive, R.H. (60" gauge)

1шт.

D29794

X

SPACER - final drive, R.H. (72" gauge)

1шт.

D43849

SPACER - final drive, R.H. (42" gauge)

1шт.

74

D29729

SPACER - final drive, L.H. (48" gauge)

1шт.

D29793

SPACER

- final drive, L.H. (60" gauge)

1шт.

D29795

X

SPACER - final drive, L.H. (72" gauge)

1шт.

D43850

SPACER - final drive, L.H. (42" gauge)

1шт.

75

46505

STUD

- final drive spacer

12шт.

76

131-675

LOCK NUT,9/16"-18, GB

NUT - lock (9/16" - 18 NF)

12шт.

77

13-1224

BOLT,Hex, 3/4" - 10 x 1-1/2", Gr 5

8шт.

78

25-1012

NUT,3/4"-10, G5

8шт.

79

13-916

BOLT,Hex, 9/16" - 12 x 1", Gr 5

HHCS - 9/16" - 12 NC x 1"

4шт.

80

13-1020

BOLT,Hex, 5/8" - 11 x 1-1/4", Gr 5, Full Thd

1шт.

81

A27507

O-RING,0.139" Thk x 3.984" ID, -242, Cl 5, 75 Duro

SEAL - "O" ring, spacer to final drive housing

2шт.

82

D29309

GASKET

- final drive spacer (42", 60" and 72" gauge only)

2шт.

D38931

FILLER

TRANSMISSION DIPSTICK AND FILLER TUBE KIT

1шт.

83

D38929

DIPSTICK

1шт.

84

D38928

TUBE

- filler

1шт.

85

221-385

ELBOW

- 90 degrees, female

1шт.

86

221-190

PIPE,Nipple, 1/2" NPT x 2"

NIPPLE - pipe

1шт.

B17068

ADHESIVE

LOCTITE - 2 cc tube (Not illustrated)

1шт.

Выбрано товаров: 0