Запчасти Case 310G (114) - TRACK FRAME AND ROLLERS (04) - UNDERCARRIAGE

Схема запчастей Case 310G - (114) - TRACK FRAME AND ROLLERS (04) - UNDERCARRIAGE
FIT
1:1
100%

Артикул

Название

Примечание

Количество

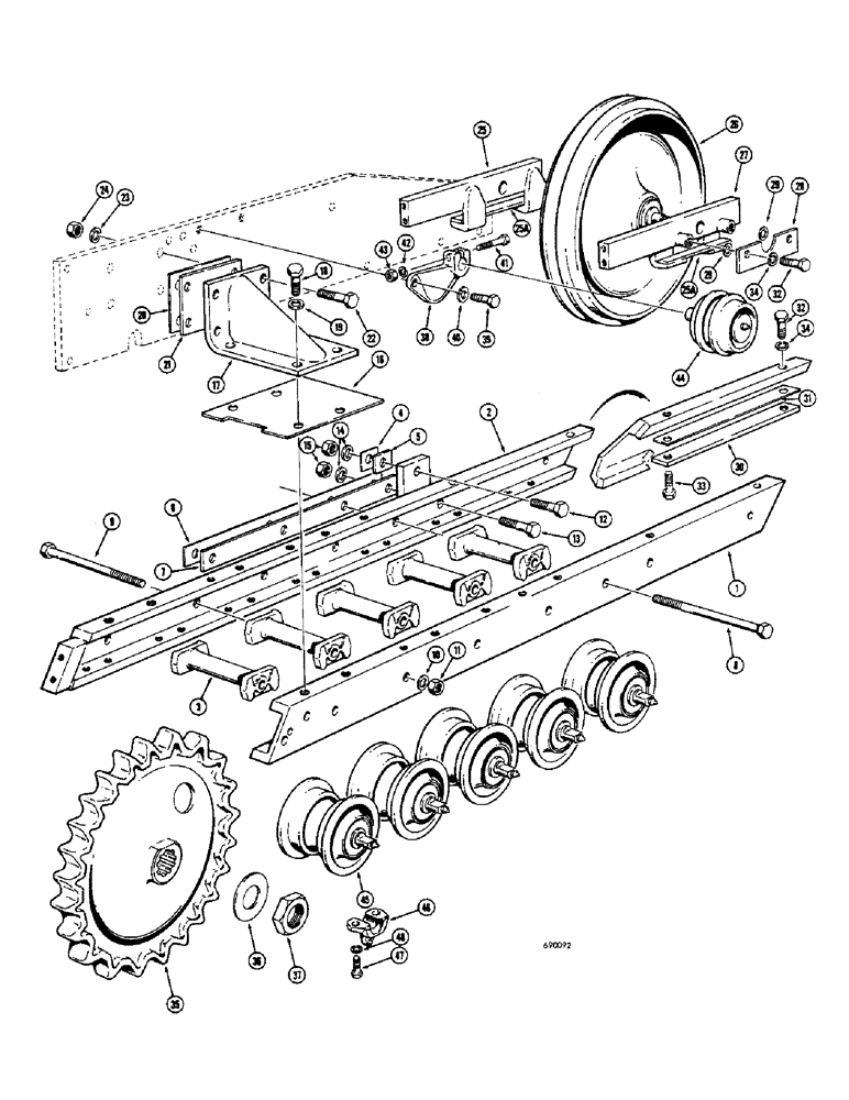
1

D43538

CHANNEL

- track, R.H. outer

1шт.

D43537

CHANNEL - track, L.H. outer

1шт.

2

D43540

CHANNEL - track, R.H. inner

1шт.

D43539

CHANNEL - track, L.H. inner

1шт.

3

NLS

NO LONGER SERVICED

SPACER - track channel

10шт.

4

D30050

SHIM,.0747" Thk

Track channel to side plate .0747" Thk

1шт.

5

D30051

SHIM,.1875" Thk

Track channel to side plate .1875" Thk

1шт.

6

D30052

SHIM,.0747" Thk

Track channel to side plate .0747" Thk

1шт.

7

D30053

SHIM,.1875" Thk

Track channel to side plate .1875" Thk

1шт.

8

14-12200

BOLT,Hex, 3/4" - 16 x 12-1/2", Gr 5

HHCS - 3/4 - 16 NC x 12-1/2"

6шт.

9

D23459

HHCS - special

4шт.

10

D34666

WASHER,33.34mm ID x 63.5mm OD x 2.38mm Thk

- special

10шт.

11

25-1112

NUT,3/4"-16, G5

- hex. (3/4" - 16 NF)

10шт.

12

13-1240

BOLT,Hex, 3/4" - 10 x 2-1/2", Gr 5

2шт.

13

13-1248

BOLT,Hex, 3/4" - 10 x 3", Gr 5

2шт.

14

D34666

WASHER,33.34mm ID x 63.5mm OD x 2.38mm Thk

- special

4шт.

15

25-1012

NUT,3/4"-10, G5

4шт.

16

D42209

PAN - mud, track frame

2шт.

17

D29059

BRACKET - mounting, track frame

2шт.

18

13-1228

BOLT,Hex, 3/4" - 10 x 1-3/4", Gr 5

8шт.

19

D34666

WASHER,33.34mm ID x 63.5mm OD x 2.38mm Thk

- special

8шт.

20

D29759

SHIM,.0747" Thk

Mounting bracket .0747" Thk

1шт.

21

D29758

SHIM,.1875" Thk

Mounting bracket .1875" Thk

1шт.

22

131-1244

HHCS - 3/4" - 10 NC x 2-3/4"

8шт.

23

D34666

WASHER,33.34mm ID x 63.5mm OD x 2.38mm Thk

- special

8шт.

24

131-148

NUT

- hex., lock (3/4" - 10 NC)

8шт.

25

D43619

SUPPORT

BRACKET - idler wheel mounting (L.H.)

2шт.

25a

D43525

PLATE ASSY.

PLATE - wear

4шт.

26

REF

INSTRUCTION

IDLER WHEEL - parts list Figure 118

2шт.

27

D43618

SUPPORT

BRACKET - idler wheel mounting (R.H.)

2шт.

28

D43509

LARGE PLATE

GUIDE PLATE - idler

4шт.

29

D44330

SHIM,.031" Thk

Guide plate .031" Thk

1шт.

30

D35276

PLATE

- wear, track channel

4шт.

31

D35290

STRIP

SHIM - wear plate

1шт.

32

13-1024

BOLT,Hex, 5/8" - 11 x 1-1/2", Gr 5, Full Thd

12шт.

33

13-1020

BOLT,Hex, 5/8" - 11 x 1-1/4", Gr 5, Full Thd

4шт.

34

92-10

LOCK WASHER,5/8"

WASHER, LOCK, 5/8"

16шт.

35

D43357

DRIVE SPROCKET

SPROCKET - drive, standard

2шт.

NLS

NO LONGER SERVICED

SPROCKET - drive, snow (Optional)

2шт.

36

D29125

WASHER,57.94mm ID x 114.3mm OD x 1.59mm Thk

- keeper, special

2шт.

37

D29126

LOCK NUT

- special

2шт.

38

D42198

SUPPORT

BRACKET - carrier roller

2шт.

39

13-1020

BOLT,Hex, 5/8" - 11 x 1-1/4", Gr 5, Full Thd

4шт.

40

92-10

LOCK WASHER,5/8"

WASHER, LOCK, 5/8"

4шт.

41

13-848

BOLT,Hex, 1/2" - 13 x 3", Gr 5

HHCS - 1/2" - 13 NC x 3"

2шт.

42

92-8

LOCK WASHER,1/2"

2шт.

43

25-108

NUT,1/2"-13, G5

- hex. (1/2" - 13 NC)

2шт.

44

D42203

ROLLER

TRACK CARRIER ROLLER - parts list Figure 124

2шт.

45

D31698

ROLLER

TRACK ROLLER ASSEMBLY - parts list Figure 122 (10 on drawbar and dozer, 8 on loader and 6 on backhoe)

10шт.

D33213

ROLLER

TRACK ROLLER ASSEMBLY - parts list Figure 122 (2 on loaders and 4 on backhoes)

2-4шт.

D43860

ROLLER

TRACK ROLLER ASSEMBLY - optional (Parts list Figure 124)

10шт.

46

51200225

CAP

- track roller retainer (Use with D31698 and D33213 rollers only)

20шт.

D42206

CAP - track roller retainer (Use with D43860 roller only)

20шт.

47

13-824

BOLT,Hex, 1/2" - 13 x 1-1/2", Gr 5, Full Thd

(Use with D33830 cap only) Hex, 1/2"-13 x 1 1/2", G5, Full Thd

40шт.

13-828

BOLT,Hex, 1/2" - 13 x 1-3/4", Gr 5

HHCS - 1/2" - 13 NC x 1-3/4" (Use with D42206 cap only)

40шт.

48

92-8

LOCK WASHER,1/2"

40шт.

Выбрано товаров: 56