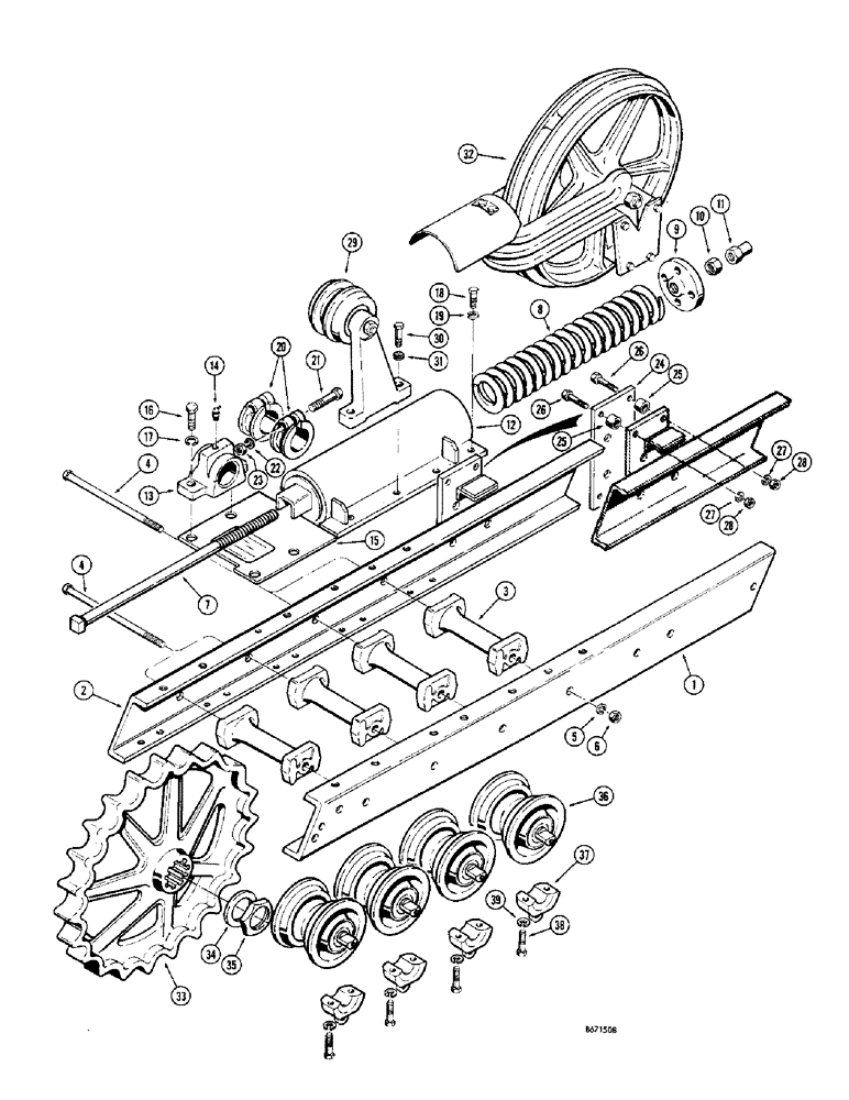
Запчасти Case 310G (116) - TRACK FRAME AND RELATED PARTS, (36" GAUGE CRAWLER ONLY) (04) - UNDERCARRIAGE

Схема запчастей Case 310G - (116) - TRACK FRAME AND RELATED PARTS, (36" GAUGE CRAWLER ONLY) (04) - UNDERCARRIAGE
FIT
1:1
100%

Артикул

Название

Примечание

Количество

1

31832

CHANNEL - track, outer (R.H.)

1шт.

31833

CHANNEL - track, outer (L.H.)

1шт.

2

D25394

CHANNEL - track, inner (R.H.)

1шт.

D25395

CHANNEL - track, inner (L.H.)

1шт.

3

NLS

NO LONGER SERVICED

SPACER - track channel

8шт.

4

D23459

BOLT - special

8шт.

5

92-12

LOCK WASHER,3/4"

WASHER, LOCK, 3/4"

8шт.

6

25-1112

NUT,3/4"-16, G5

- hex. (3/4" - 16 NF)

8шт.

30479

DECAL

RECOIL SPRING ASSEMBLY - L.H.

1шт.

30478

RECOIL SPRING ASSEMBLY - R.H.

1шт.

7

D20845

ADJUSTMENT SCREW

- track adjusting

1шт.

8

D39498

SPRING

- recoil

1шт.

9

D20844

NUT

- tension adjusting

1шт.

10

25-1416

NUT,Jam, 1"-8, G5

- lock, hex. (1" - 8 NC)

1шт.

11

D20843

NUT,1" - 8

- track adjusting

1шт.

12

32140

HOUSING - recoil spring, R.H.

1шт.

32141

FITTING

HOUSING - recoil spring, L.H.

1шт.

13

D27536

BLOCK

- pivot

4шт.

14

219-49

LUBE NIPPLE,90 Degree Elbow, 1/4" - 18 NPTF

FITTING - grease, 67-1/2 degrees (1/4" NPT)

4шт.

15

32542

PAN - mud

2шт.

16

14-1228

BOLT,Hex, 3/4" - 16 x 1-3/4", Gr 5

HHCS - 3/4" - 16 NF x 1-3/4"

8шт.

17

92-12

LOCK WASHER,3/4"

WASHER, LOCK, 3/4"

8шт.

18

14-1024

BOLT,Hex, 5/8" - 18 x 1-1/2", Gr 5

12шт.

19

92-10

LOCK WASHER,5/8"

WASHER, LOCK, 5/8"

12шт.

20

15101

CLAMP - track frame mounting

4шт.

21

14-1048

BOLT,Hex, 5/8" - 18 x 3", Gr 5

HHCS - 5/8" - 18 NF x 3"

4шт.

22

92-10

LOCK WASHER,5/8"

WASHER, LOCK, 5/8"

4шт.

23

25-1110

NUT,5/8"-18, G5

- hex. (5/8" - 18 NF)

4шт.

24

33498

PLATE - forward support

2шт.

25

32182

SPACER - forward support plate to track channel

8шт.

26

14-1048

BOLT,Hex, 5/8" - 18 x 3", Gr 5

HHCS - 5/8" - 18 NF x 3"

8шт.

27

92-10

LOCK WASHER,5/8"

WASHER, LOCK, 5/8"

8шт.

28

25-1110

NUT,5/8"-18, G5

- hex. (5/8" - 18 NF)

8шт.

29

REF

INSTRUCTION

TRACK CARRIER ROLLER GROUP - complete (Parts list Figure 122)

2шт.

30

14-1036

BOLT,Hex, 5/8" - 18 x 2-1/4", Gr 5

4шт.

31

92-10

LOCK WASHER,5/8"

WASHER, LOCK, 5/8"

4шт.

32

REF

INSTRUCTION

FRONT IDLER WHEEL GROUP - complete (Parts list Figure 120)

2шт.

33

D43357

DRIVE SPROCKET

SPROCKET - drive, standard

2шт.

D43358

SPROCKET - drive, snow (Optional

2шт.

34

D29125

WASHER,57.94mm ID x 114.3mm OD x 1.59mm Thk

- keeper, special

2шт.

35

D29126

LOCK NUT

- special

2шт.

36

D31698

ROLLER

TRACK ROLLER ASSEMBLY - complete (parts list Figures 122 and 124)

8шт.

37

51200225

CAP

- track roller shaft retainer

16шт.

38

14-824

BOLT,Hex, 1/2" - 20 x 1-1/2", Gr 5

HHCS - 1/2" - 20 NF x 1-1/2"

32шт.

39

92-8

LOCK WASHER,1/2"

32шт.

Выбрано товаров: 45