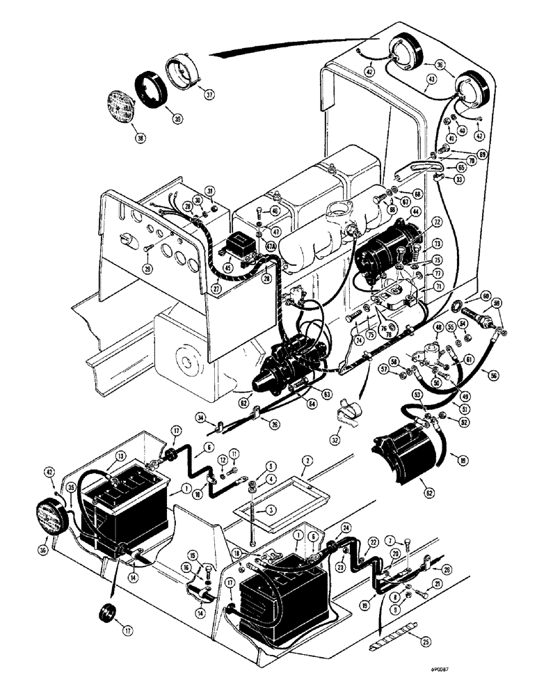
Запчасти Case 310G (070) - ELECTRICAL SYSTEM - DIESEL (06) - ELECTRICAL SYSTEMS

Схема запчастей Case 310G - (070) - ELECTRICAL SYSTEM - DIESEL (06) - ELECTRICAL SYSTEMS
FIT
1:1
100%

Артикул

Название

Примечание

Количество

1

D44175

DRY BATTERY

- 12 volt

2шт.

2

D32227

BRACKET - battery hold down

2шт.

3

15-5148

BOLT

HHCS - 5/16" - 18 NC x 9-1/4"

4шт.

4

195-21

WASHER,5/16"

- flat () 5/16"

4шт.

5

131-351

LOCK NUT,5/16"-18, GA

NUT - lock, hex. (5/16" - 18 NC)

4шт.

6

D38127

CABLE - battery, ground (Negative)

2шт.

7

413-632

BOLT,Hex, 3/8" - 16 x 2", Gr 5

1шт.

8

92-6

LOCK WASHER,3/8"

1шт.

9

25-106

NUT,3/8"-16, G5

- hex. (3/8" - 16 NC)

1шт.

10

49854

CLAMP

- cable, battery ground (Drawbar and mechanical angling dozer models only)

1шт.

11

13-58

BOLT,Hex, 5/16" - 18 x 1/2", Gr 5

1шт.

12

92-5

LOCK WASHER,5/16"

1шт.

13

D38126

CABLE - battery, interconnecting

1шт.

14

49838

CLAMP

- battery cable (Rear)

2шт.

15

13-612

BOLT,Hex, 3/8" - 16 x 3/4", Gr 5, Full Thd

2шт.

16

92-6

LOCK WASHER,3/8"

2шт.

17

49562

GROMMET,11/16" ID x 1" Groove Dia

- rubber

3шт.

18

D38456

TERMINAL CONNECTOR

TERMINAL - battery cable

1шт.

19

D32192

CABLE

- battery, hot (Positive)

1шт.

20

49838

CLAMP

- battery cable

1шт.

21

13-616

BOLT,Hex, 3/8" - 16 x 1", Gr 5, Full Thd

1шт.

22

92-6

LOCK WASHER,3/8"

1шт.

23

25-106

NUT,3/8"-16, G5

- hex. (3/8" - 16 NC)

1шт.

24

49564

GROMMET,1 1/2" ID x 1 3/4" Groove Dia

- rubber

1шт.

25

R12586

TAPE

WRAP - positive battery cable

1шт.

26

49836

CLAMP

- positive battery cable at main frame

2шт.

27

D27492

HARNESS - main wiring

1шт.

28

49838

CLAMP

- main wiring harness at cowl and dash

2шт.

29

13-412

BOLT,Hex, 1/4" - 20 x 3/4", Gr 5, Full Thd

1шт.

30

92-4

LOCK WASHER,1/4"

WASHER, LOCK, 1/4"

1шт.

31

25-104

NUT,1/4"-20, G5

1шт.

32

F43611

CLIP

- main wiring harness at frame (Front)

2шт.

33

A26814

CLAMP - main wiring harness at radiator shroud

1шт.

34

A26649

CLAMP - main wiring harness at frame

1шт.

35

D33670

WIRE - taillignt

1шт.

36

D30243

LAMP

LIGHT ASSEMBLY - complete

3шт.

37

NSS

NOT SOLD SEPARAT

FRAME - lamp retaining

1шт.

38

D33182

LAMP

- sealed unit

1шт.

39

D31441

RETAINER

- rubber (Use only in guide lamp assembly) See A25213

1шт.

A25213

RETAINER

- rubber (Use only in Hobbs assembly) See D31441

1шт.

40

192-18

LOCK WASHER,Helical Spring, #10, 0.196" ID, CST, ZND

WASHER, LOCK, #10

9шт.

41

129-17

NUT,Hex, #10 - 24

NUT - hex. (No. 10 - 24 NC) Zinc plated

9шт.

42

A11768

ELECTRICAL WIRE

WIRE - ground

3шт.

43

D22271

ELECTRICAL WIRE

WIRE - headlight, interconnecting

1шт.

44

D27034

GENERATOR

- complete (Parts list Figure 080)

1шт.

D34009

GENERATOR

- complete (Original) Parts list Figure 082

1шт.

45

A35233

REGULATOR

- voltage (D27034 generator only)

1шт.

A23193

REGULATOR

- voltage (D34009 generator only)

1шт.

46

13-516

BOLT,Hex, 5/16" - 18 x 1", Gr 5

2шт.

13-520

BOLT,Hex, 5/16" - 18 x 1-1/4", Gr 5

HHCS - 5/16" - 18 NC x 1-1/4"

2шт.

47

92-5

LOCK WASHER,5/16"

4шт.

47a

195-21

WASHER,5/16"

- plain () 5/16"

2шт.

48

A57069

SOLENOID

- manifold heater

1шт.

49

113-1

BOLT,Hex, 1/4" - 20 x 1/2", Gr 5

2шт.

50

193-60

LOCK WASHER,Int Tooth, 1/4"

WASHER, LOCK, Int Tooth, 1/4"

2шт.

51

A36896

CABLE PULLING GRIP

CABLE - positive, starter solenoid to heater solenoid

1шт.

52

87016560

JAM NUT,Jam, 3/8"-16, G5

1шт.

53

193-1002

NUT,Keps, #8 - 32, w/ Ext Tooth LW

- lock, hex. (No. 8 - 32 NC) Zinc plated

1шт.

54

86637933

JAM NUT,5/16" - 24, Gr 5

1шт.

55

192-20

LOCK WASHER,Helical Spring, 0.318" ID, CST, ZND

WASHER, LOCK, 5/16"

1шт.

56

A21483

CABLE

- heater solenoid to heater plug

1шт.

57

86637933

JAM NUT,5/16" - 24, Gr 5

1шт.

58

192-20

LOCK WASHER,Helical Spring, 0.318" ID, CST, ZND

WASHER, LOCK, 5/16"

1шт.

59

A37775

HEATER

PLUG - heater

1шт.

60

A20916

MANIFOLD GASKET

GASKET - heater plug

1шт.

61

193-1000

NUT,Keps, w/LW,#10-32

- lock, hex. (No. 10 - 32 NF) Zinc plated

1шт.

62

D45731

X

STARTER ASSEMBLY - engine (Parts list Figures 086 and 088)

1шт.

63

413-632

BOLT,Hex, 3/8" - 16 x 2", Gr 5

3шт.

64

92-6

LOCK WASHER,3/8"

3шт.

65

A37017

STRAP

- generator adjusting

1шт.

66

13-512

BOLT,Hex, 5/16" - 18 x 3/4", Gr 5

(D27034 generator) Hex, 5/16"-18 x 3/4", G5, Full Thd

1шт.

13-514

BOLT,Hex, 5/16" - 18 x 7/8", Gr 5

(D34009 generator) Hex, 5/16"-18 x 7/8", G5, Full Thd

1шт.

67

92-5

LOCK WASHER,5/16"

1шт.

68

95-5

WASHER,3/8" x 7/8" x .083"

- plain (5/16")

1шт.

69

13-620

BOLT,Hex, 3/8" - 16 x 1-1/4", Gr 5, Full Thd

1шт.

70

92-6

LOCK WASHER,3/8"

1шт.

71

A38746

BRACKET

- generator mounting (D27034 generator)

1шт.

D34012

BRACKET

- generator mounting, not shown (D34009 generator)

1шт.

72

13-524

BOLT,Hex, 5/16" - 18 x 1-1/2", Gr 5

- hex, 5/16 NC x 1-1/2" (D27034 generator)

1шт.

73

13-516

BOLT,Hex, 5/16" - 18 x 1", Gr 5

1-2шт.

74

13-518

BOLT,Hex, 5/16" - 18 x 1-1/8", Gr 5

(D27034 generator) Hex, 5/16"-18 x 1 1/8", G5

2шт.

13-620

BOLT,Hex, 3/8" - 16 x 1-1/4", Gr 5, Full Thd

(D34009 generator) Hex, 3/8"-16 x 1 1/4", G5, Full Thd

1шт.

75

92-5

LOCK WASHER,5/16"

2-4шт.

76

95-6

WASHER,3/8"

- plain () D34009 generator 3/8"

1шт.

77

195-2031

WASHER

- plain (3/8") D34009 generator

1шт.

78

D46947

WASHER - plain (D34009 generator)

1шт.

Выбрано товаров: 86