Запчасти Case 320 (202) - EAGLE HITCH HYDRAULICS (WITH LOADER) (07) - HYDRAULIC SYSTEM

Схема запчастей Case 320 - (202) - EAGLE HITCH HYDRAULICS (WITH LOADER) (07) - HYDRAULIC SYSTEM
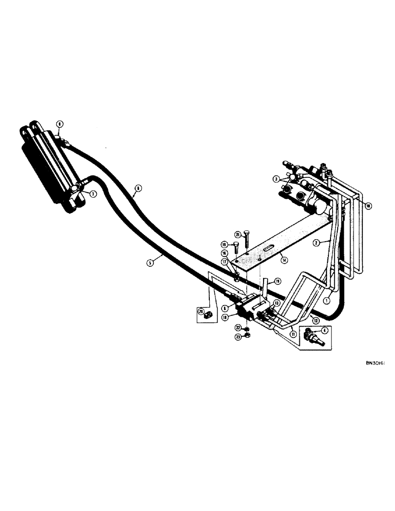
18
23
13
11
3
17
5
21
6
7
22
8
20
14
19
12
4
10
16
15
7
9
2
FIT
1:1
100%

Артикул

Название

Примечание

Количество

1

D20304

TUBE - L.H. rear control valve port to L.H. bottom diversion valve port

1шт.

2

D20306

TUBE - L.H. front control valve port to R.H. bottom diversion valve port

1шт.

3

218-485

ELBOW,90 Degree Elbow, 7/8" - 14 Male JIC x 1/2" - 14 Male NPTF

- male, 90 degrees (5/8" JIC x 1/2" NPT)

2шт.

4

218-494

ELBOW,90 Degree Elbow, 7/8" - 14 Male JIC x 3/4" - 14 Male NPTF

- male, 90 degrees (5/8" JIC x 3/4" NPT)

2шт.

5

D20499

HOSE - R.H. rear diversion valve port to lower cylinder port (1/2" I.D. x 7/8" O.D. x 33")

1шт.

6

218-457

HYD CONNECTOR,7/8" - 14 Male JIC x 3/4" - 14 Male NPTF

CONNECTOR - male, 5/8" JIC x 3/4" NPT

1шт.

7

218-535

ELBOW,45 Degree, 7/8"-14, 37 Degree x 7/8"-14, NPTF

- male, 45 degrees (5/8" JIC x 1/2" NPT)

1шт.

8

D20502

HOSE - upper cylinder port to reservoir tube (3/8" I.D. x 3/4" O.D. x 33")

1шт.

9

218-1096

ELBOW,45 Degree, 9/16-18" 37 Degree x 1/2"-14, NPTF

- male, 45 degrees (3/8" JIC x 1/2" NPT)

1шт.

10

D20478

TUBE - relief, Serial Range: valve-reservoir

1шт.

11

D20309

TUBE - R.H. front diversion valve port to front manifold hose

1шт.

12

D20312

TUBE - L.H. front diversion valve port to rear manifold hose

1шт.

13

218-457

HYD CONNECTOR,7/8" - 14 Male JIC x 3/4" - 14 Male NPTF

CONNECTOR - male, 5/8" JIC x 3/4" NPT

2шт.

14

D20260

PLATE - mounting, diversion valve

1шт.

15

14-616

BOLT,Hex, 3/8" - 24 x 1", Gr 5

HHCS - 3/8 - 24 NF x 1

2шт.

16

92-6

LOCK WASHER,3/8"

2шт.

17

25-116

NUT,Hex, 3/8"-24, G5

- hex. (3/8 - 24 NF)

2шт.

18

D26726

VALVE

- diversion (See figure 210(1) for breakdown)

1шт.

19

D23698

HANDLE

LEVER - control, diversion valve

1шт.

20

221-5

DRAIN PLUG,Sq Hd, 1/4"-14 NPTF

PLUG - pipe, 3/4" NPT square head

1шт.

21

14-644

SCREW,Hex, 3/8" - 24 x 2 3/4", Gr 5

HHCS - 3/8 - 24 NF x 2-3/4

2шт.

22

92-6

LOCK WASHER,3/8"

2шт.

23

25-116

NUT,Hex, 3/8"-24, G5

- hex. (3/8 - 24 NF)

2шт.

Выбрано товаров: 23