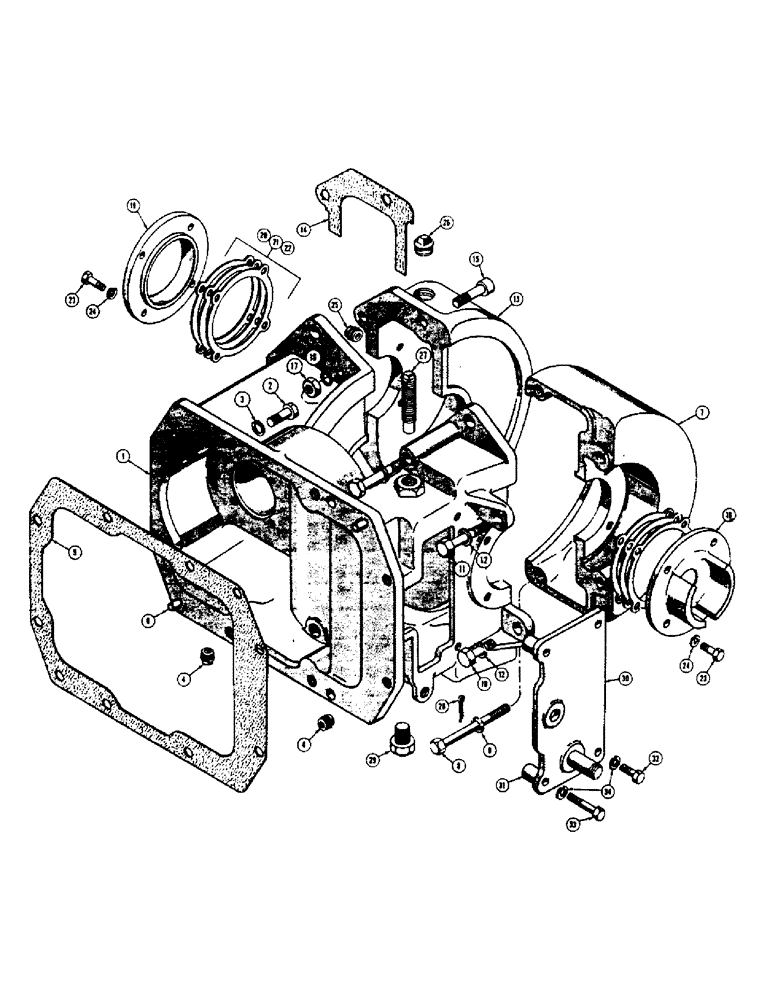
Запчасти Case 320 (226) - C-3 WINCH CASE (18) - ATTACHMENT ACCESSORIES

Схема запчастей Case 320 - (226) - C-3 WINCH CASE (18) - ATTACHMENT ACCESSORIES
17
27
23
16
15
34
25
19
26
9
23
1
2
14
5
21
22
4
30
4
24
12
3
11
6
33
26
13
10
24
23
12
20
26
8
7
32
31
FIT
1:1
100%

Артикул

Название

Примечание

Количество

1

38716

CASE - winch (Carco P/N 36611)

1шт.

2

14-824

BOLT,Hex, 1/2" - 20 x 1-1/2", Gr 5

HHCS - 1/2 - 20 NF x 1-1/2

8шт.

3

92-8

LOCK WASHER,1/2"

8шт.

4

221-4

DRAIN PLUG,Sq Hd, 1/2"-14 NPTF

PLUG - pipe, drain (1/2" NPT)

2шт.

5

38820

GASKET

GASKET - winch case to adapter (Carco P/N 31081)

1шт.

6

38812

ARM

DOWEL - winch case to adapter plate (1/2 x 1-1/4)

2шт.

7

38725

FLANGE - winch case, brake side (Carco P/N 36610)

1шт.

8

14-880

BOLT (MACHINE),Hex, 1/2" - 20 x 5", Gr 5

HHCS - 1/2 - 20 NF x 5

2шт.

9

92-8

LOCK WASHER,1/2"

2шт.

10

14-1024

BOLT,Hex, 5/8" - 18 x 1-1/2", Gr 5

1шт.

11

14-1048

BOLT,Hex, 5/8" - 18 x 3", Gr 5

HHCS - 5/8 - 18 NF x 3

1шт.

12

92-10

LOCK WASHER,5/8"

WASHER, LOCK, 5/8"

2шт.

13

38722

PLATE

FLANGE - winch case, gear side (Carco P/N 30983)

1шт.

14

38819

GASKET - flange (Carco P/N 31080)

2шт.

15

62-1036

CAP SCREW - socket head (5/8 - 18 NF x 2-1/4)

4шт.

16

92-10

LOCK WASHER,5/8"

WASHER, LOCK, 5/8"

4шт.

17

25-1110

NUT,5/8"-18, G5

- hex. (5/8 - 18 NF)

4шт.

18

38735

CAP - bearing, brake side (Carco P/N 30986)

1шт.

19

38806

CAP - bearing, gear side (Carco P/N 30974)

1шт.

20

38732

LUG

SHIM - bearing caps, #18 x .020"

10шт.

21

38733

SHIM - bearing caps, #18 x .007"

6шт.

22

38734

CLEVIS PIN

SHIM - bearing caps, #18 x .005"

6шт.

23

14-820

BOLT,Hex, 1/2" - 20 x 1-1/4", Gr 5

HHCS - 1/2 - 20 NF x 1-1/4

8шт.

24

92-8

LOCK WASHER,1/2"

8шт.

25

221-4

DRAIN PLUG,Sq Hd, 1/2"-14 NPTF

PLUG - pipe, level (1/2" NPT)

1шт.

26

38815

PLUG - breather (Fill) (Carco P/N 33330)

1шт.

27

38814

SPACER

STUD - brake adjusting (Carco P/N 36592)

1шт.

28

132-146

PIN - cotter (1/4 x 1)

1шт.

29

14-1624

BOLT,Hex, 1" - 14 x 1-1/2", Gr 5, Full Thd

HHCS - 1 - 14 NF x 1-1/2

1шт.

30

38721

PLATE

COVER - brake (Use D28903 and D28904) (Carco P/N 37343)

1шт.

D28903

COVER - brake (Carco P/N 38388)

1шт.

31

D28904

SPACER - brake cover (Carco P/N 38389)

2шт.

32

14-820

BOLT,Hex, 1/2" - 20 x 1-1/4", Gr 5

HHCS - 1/2 - 20 NF x 1-1/4

2шт.

33

14-836

BOLT,Hex, 1/2" - 20 x 2-1/4", Gr 5

HHCS - 1/2 - 20 NF x 2-1/4

2шт.

34

92-8

LOCK WASHER,1/2"

4шт.

Выбрано товаров: 35