Запчасти Case 320 (140) - SNOW DOZER HYDRAULICS AND RADIATOR GUARD, (SERIAL NO.3003851 AND AFTER) (05) - UPPERSTRUCTURE CHASSIS

Схема запчастей Case 320 - (140) - SNOW DOZER HYDRAULICS AND RADIATOR GUARD, (SERIAL NO.3003851 AND AFTER) (05) - UPPERSTRUCTURE CHASSIS
19
46
55
21
3
50
14
25
79
43
83
64
68
8
13
68
74
60
62
45
10
48
27
2
44
34
40
32
20
53
31
77
37
4
54
16
36
67
23
54
22
17
80
49
59
35
36
49
11
37
83
65
72
69
57
12
18
7
28
35
24
26
39
9
42
73
29
1
6
52
76
51
33
61
38
71
5
82
41
47
63
58
82
75
81
78
70
15
38
FIT
1:1
100%

Артикул

Название

Примечание

Количество

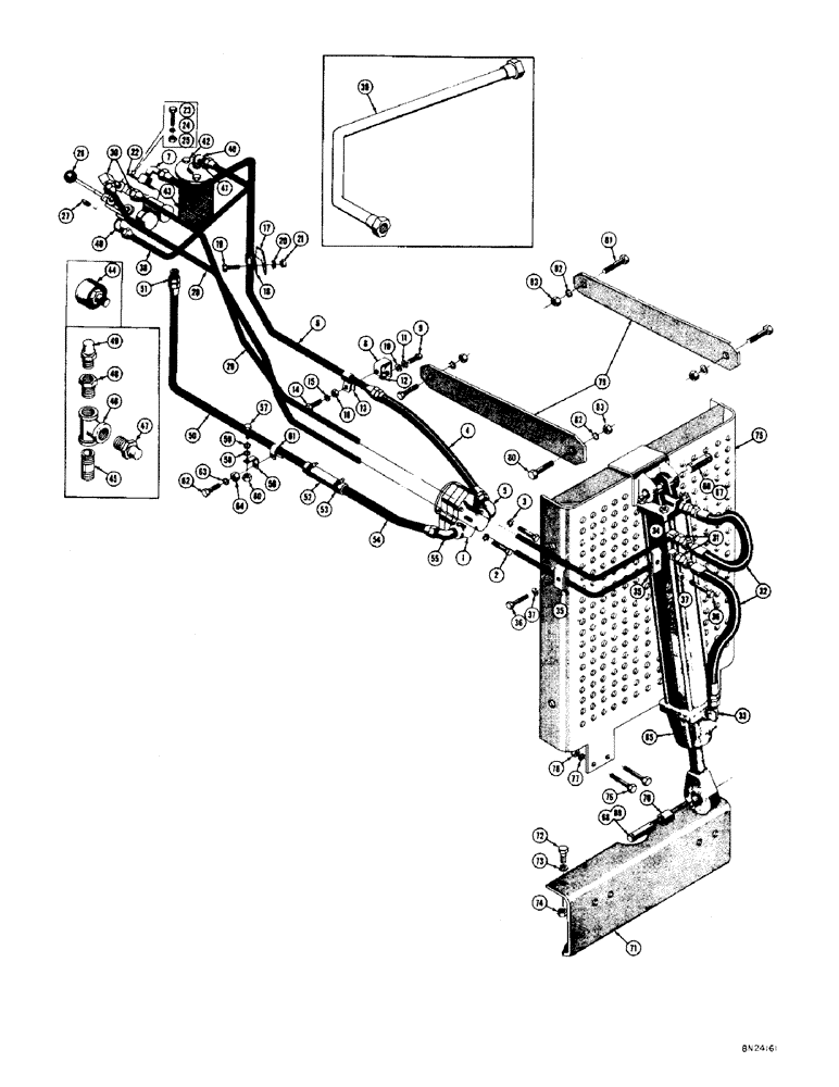
1

31615

CAP

PUMP - hydraulic, 15 G.P.M. (See figure 100 for breakdown)

1шт.

2

13-616

BOLT,Hex, 3/8" - 16 x 1", Gr 5, Full Thd

2шт.

3

92-6

LOCK WASHER,3/8"

2шт.

4

35710

SPACER

HOSE - pump to valve inlet, front section (3/4" I.D. x 1-5/32" O.D. x 21-1/2")

1шт.

5

218-536

ELBOW,45 Degree, 1 1/1"6-12, 37 Degree x 3/4"-14, NPTF

- male, 45 degrees (3/4" JIC x 3/4" NPT)

1шт.

6

37760

TUBE - pump to valve inlet, rear section

1шт.

7

218-486

ELBOW,90 Degree Elbow, 1-1/16" - 12 Male JIC x 3/4" - 14 Male NPTF

- male, 90 degrees (3/4" JIC x 3/4" NPT)

1шт.

8

37753

BUSHING

BRACKET - tube clamp

1шт.

9

14-824

BOLT,Hex, 1/2" - 20 x 1-1/2", Gr 5

HHCS - 1/2 - 20 NF x 1-1/2

1шт.

10

195-33

WASHER,1/2"

- plain (17/32" I.D. x 1-1/16" O.D. x 3/32" thick)

1шт.

11

92-8

LOCK WASHER,1/2"

1шт.

12

25-118

NUT,1/2"-20, G5

- hex. (1/2 - 20 NF)

1шт.

13

D20611

CLAMP - tube

1шт.

14

14-512

BOLT,Hex, 5/16" - 24 x 3/4", Gr 5, Full Thd

1шт.

15

92-5

LOCK WASHER,5/16"

1шт.

16

25-115

NUT,5/16"-24, G5

- hex (5/16"-24 NF)

1шт.

17

D20139

BRACKET - tube clamp

1шт.

18

49789

CLAMP

- tube

1шт.

19

14-512

BOLT,Hex, 5/16" - 24 x 3/4", Gr 5, Full Thd

1шт.

20

92-5

LOCK WASHER,5/16"

1шт.

21

25-115

NUT,5/16"-24, G5

- hex (5/16"-24 NF)

1шт.

22

38256

PIN

VALVE - control (See figure 96 for breakdown) Use D24387

1шт.

D24387

SPOOL

VALVE - control (See figure 98 for breakdown)

1шт.

23

14-636

SCREW,Hex, 3/8" - 24 x 2 1/4", Gr 5

HHCS - 3/8 - 24 NF x 2-1/4

3шт.

24

92-6

LOCK WASHER,3/8"

3шт.

25

25-116

NUT,Hex, 3/8"-24, G5

WASHER - hex. (3/8 - 24 NF)

3шт.

26

D20089

LEVER - control, valve

1шт.

27

221-4

DRAIN PLUG,Sq Hd, 1/2"-14 NPTF

PLUG - pipe, 1/2" NPT square head

2шт.

28

39059

TUBE - L.H. rear control valve port to lower cylinder port, rear section

1шт.

29

39057

TUBE - L.H. front control valve port to upper cylinder port, rear section

1шт.

30

218-458

HYD CONNECTOR,1-1/16" - 12 Male JIC x 1/2" - 14 Male NPTF

ELBOW - male, 90 degrees (5/8" JIC x 1/2" NPT)

2шт.

31

218-445

HYD CONNECTOR,7/8" - 14 Male JIC x 1/2" - 14 Male NPTF

CONNECTOR - male, tube to hose (5/8" JIC x 1/2" NPT)

2шт.

32

D27478

HOSE ASSY.

HOSE - control valve to cylinder, front section (1/2" I.D. x 7/8" O.D. x 22")

2шт.

33

218-485

ELBOW,90 Degree Elbow, 7/8" - 14 Male JIC x 1/2" - 14 Male NPTF

- male, 90 degrees (5/8" JIC x 1/2" NPT) Lower cylinder port

1шт.

34

218-445

HYD CONNECTOR,7/8" - 14 Male JIC x 1/2" - 14 Male NPTF

CONNECTOR - male, upper cylinder port (5/8" JIC x 1/2" NPT)

1шт.

35

31665

COLLAR CLAMP

PLATE - clamp

2шт.

36

14-520

BOLT,Hex, 5/16" - 24 x 1-1/4", Gr 5

2шт.

37

92-5

LOCK WASHER,5/16"

2шт.

38

37761

TUBE - control valve outlet to reservoir (Enters filter from front - See D20333)

1шт.

39

D20333

TUBE - control valve outlet to reservoir (Enters filter from R.H. side - See 37761)

1шт.

40

218-486

ELBOW,90 Degree Elbow, 1-1/16" - 12 Male JIC x 3/4" - 14 Male NPTF

- male, 90 degrees (3/4" JIC x 3/4" NPT)

2шт.

41

221-69

BUSHING

- hex. pipe, 1-1/4" NPT x 3/4" NPT

1шт.

42

38266

ARM

CAP - inlet, oil filter

1шт.

43

36442

FILTER

- hydraulic oil

1шт.

44

31543

BREATHER

FILTER - breather (See D11183)

1шт.

T14011

ELEMENT

- filter (Not shown)

1шт.

D11183

KIT - reservoir pressure control (See 31543)

1шт.

45

221-131

PIPE,Nipple, 1/4" NPT x 1"

NIPPLE - close pipe, 1/4" NPT x 1"

1шт.

46

221-431

TEE

- pipe, 1/4" NPT x 1/4" NPT x 1/8" NPT

1шт.

47

R15538

VALVE

- relief, vacuum (2 to 5 P.S.I.)

1шт.

48

221-51

SUN VISOR,Hex, 1/4" x 1/8" NPT

BUSHING - hex. pipe, 1/4" NPT x 1/8" NPT

1шт.

49

R15536

VALVE

- relief, pressure (10 to 20 P.S.I.)

1шт.

50

36312

NEEDLE BEARING

TUBE - return line, reservoir to pump inlet (Rear section)

1шт.

51

218-459

HYD CONNECTOR,1-5/16" - 12 Male JIC x 3/4" - 14 Male NPTF

CONNECTOR - male, 1" JIC x 3/4" NPT

1шт.

52

32798

HOSE

- return line, reservoir to pump inlet (Center section) (1" I.D. x 1-1/2" O.D. x 6")

1шт.

53

214-256

HOSE CLAMP,#20, 0.81" - 1.75", Type F Worm

CLAMP - hose

2шт.

54

36535

O-RING

TUBE - return line, reservoir to pump inlet (Front section)

1шт.

55

218-547

ELBOW,45 Degree, 1 5/16"-12 37 Degree x 3/4"-14, NPTF

- male, 45 degrees (1" JIC x 3/4" NPT)

1шт.

56

37753

BUSHING

BRACKET - tube clamp

1шт.

57

14-816

BOLT,Hex, 1/2" - 20 x 1", Gr 5

HHCS - 1/2 - 20 NF x 1

1шт.

58

195-33

WASHER,1/2"

- plain (17/32" I.D. x 1-1/16" O.D. x 3/32" thick)

1шт.

59

92-8

LOCK WASHER,1/2"

1шт.

60

25-118

NUT,1/2"-20, G5

- hex. (1/2 - 20 NF)

1шт.

61

49789

CLAMP

- tube

1шт.

62

14-512

BOLT,Hex, 5/16" - 24 x 3/4", Gr 5, Full Thd

1шт.

63

92-5

LOCK WASHER,5/16"

1шт.

64

25-115

NUT,5/16"-24, G5

- hex (5/16"-24 NF)

1шт.

65

17751

CYLINDER - Dozer lift, hydraulic (See figure 172 for breakdown)

1шт.

66

D20129

PIN - cylinder to radiator guard

1шт.

67

132-154

COTTER PIN,1/4" x 2"

Pin, Split (Cotter), 1/4" x 2"

2шт.

68

16726

PIN - cylinder to Dozer "C" frame

1шт.

69

132-154

COTTER PIN,1/4" x 2"

Pin, Split (Cotter), 1/4" x 2"

2шт.

70

17631

BUSHING - cylinder

1шт.

71

38623

PIN

MEMBER - cross, front bumper

1шт.

72

14-820

BOLT,Hex, 1/2" - 20 x 1-1/4", Gr 5

HHCS - 1/2 - 20 NF x 1-1/4

2шт.

73

92-8

LOCK WASHER,1/2"

2шт.

74

25-118

NUT,1/2"-20, G5

- hex. (1/2 - 20 NF)

2шт.

75

17637

GUARD - radiator

1шт.

76

14-820

BOLT,Hex, 1/2" - 20 x 1-1/4", Gr 5

HHCS - 1/2 - 20 NF x 1-1/4

4шт.

77

92-8

LOCK WASHER,1/2"

4шт.

78

25-118

NUT,1/2"-20, G5

- hex. (1/2 - 20 NF)

4шт.

79

38625

COVER PLATE

BRACE - radiator guard

2шт.

80

14-1024

BOLT,Hex, 5/8" - 18 x 1-1/2", Gr 5

2шт.

81

14-1032

BOLT,Hex, 5/8" - 18 x 2", Gr 5

2шт.

82

92-10

LOCK WASHER,5/8"

WASHER, LOCK, 5/8"

4шт.

83

25-1110

NUT,5/8"-18, G5

- hex. (5/8 - 18 NF)

4шт.

Выбрано товаров: 86