Запчасти Case 320 (154) - MECHANICAL CROWNING BULLDOZER, (SERIAL NO. 3003851 AND AFTER) (05) - UPPERSTRUCTURE CHASSIS

Схема запчастей Case 320 - (154) - MECHANICAL CROWNING BULLDOZER, (SERIAL NO. 3003851 AND AFTER) (05) - UPPERSTRUCTURE CHASSIS
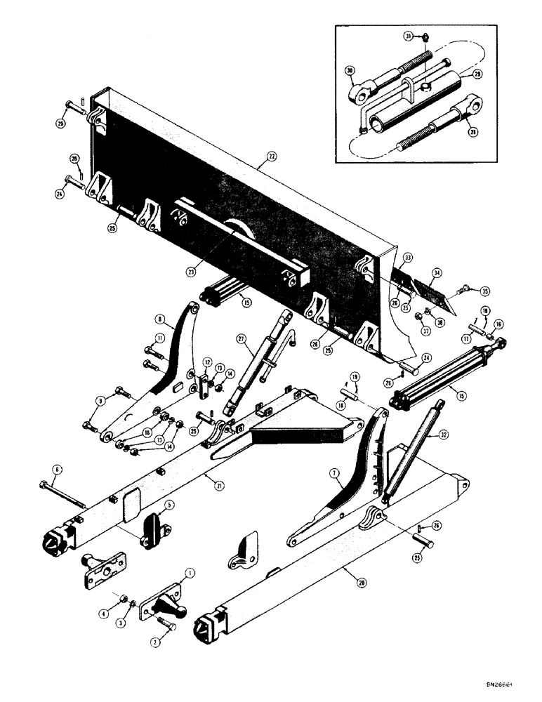
5
13
13
24
16
26
37
12
6
33
18
22
21
14
24
26
34
14
27
25
25
9
11
7
10
2
15
25
30
8
17
32
25
19
26
31
15
3
25
1
19
36
20
25
23
26
28
29
35
4
26
FIT
1:1
100%

Артикул

Название

Примечание

Количество

1

37775

BAR

TRUNNION - push

2шт.

2

14-1240

BOLT,Hex, 3/4" - 16 x 2-1/2", Gr 5

HHCS - 3/4 - 16 NF x 2-1/2

4шт.

3

92-12

LOCK WASHER,3/4"

WASHER, LOCK, 3/4"

4шт.

4

25-1112

NUT,3/4"-16, G5

- hex. (3/4 - 16 NF)

4шт.

5

37992

PLATE - Dozer rub

2шт.

6

16-12186

HHCS - 3/4 - 16 NF x 11-5/8

4шт.

7

16692

BRACKET - cylinder, R.H.

1шт.

8

16693

CLAMP

BRACKET - cylinder, L.H.

1шт.

9

14-1036

BOLT,Hex, 5/8" - 18 x 2-1/4", Gr 5

6шт.

10

32799

SPACER - cylinder bracket

4шт.

11

14-1040

BOLT,Hex, 5/8" - 18 x 2-1/2", Gr 5

HHCS - 5/8 - 18 NF x 2-1/2

2шт.

12

17803

PLATE - reinforcing, cylinder bracket

2шт.

13

92-10

LOCK WASHER,5/8"

WASHER, LOCK, 5/8"

8шт.

14

25-1110

NUT,5/8"-18, G5

- hex. (5/8 - 18 NF)

8шт.

15

17751

CYLINDER - Dozer lift, hydraulic (See figure 172 for breakdown)

2шт.

16

17631

BUSHING - cylinder

2шт.

17

18743

PIN - mounting, lift, Serial Range: cylinder-moldboard

2шт.

18

16726

PIN - mounting, lift cylinder to cylinder bracket

2шт.

19

132-154

COTTER PIN,1/4" x 2"

Pin, Split (Cotter), 1/4" x 2"

8шт.

20

37881

CONDUIT

BEAM - push, R.H.

1шт.

21

37882

TUBE

BEAM - push, L.H.

1шт.

22

38113

SPROCKET

MOLDBOARD - Mechanical Crowning Bulldozer

1шт.

23

219-55

LUBE NIPPLE,90 Degree Elbow, 1/8" - 27 NPTF

NIPPLE, LUBE, 90º, 1/8" NPT x .84" lg

1шт.

24

R18864

PIN

- push beam to moldboard, outer

2шт.

25

37990

PIN - struts and moldboard to push beam, also, Serial Range: struts-moldboard

6шт.

26

138-178

LOCK PIN,3/8" x 2 1/4", Slotted

PIN, 3/8" x 2 1/4", Slotted

8шт.

27

38884

STRUT ASS'Y - L.H. push, Serial Range: beam-moldboard

1шт.

28

39040

CONNECTING ROD

SCREW ASS'Y - strut, top

1шт.

29

38063

TURNBUCKLE - strut

1шт.

30

39041

SCREW ASS'Y - strut, bottom

1шт.

31

219-1

LUBE NIPPLE,1/8" - 27 NPTF

FITTING - grease, straight (1/8" NPT)

1шт.

32

38158

STRUT - R.H. push, Serial Range: beam-moldboard

1шт.

33

16452

EDGE

- cutting, center

1шт.

34

NLS

NO LONGER SERVICED

EDGE - cutting, end

2шт.

35

19-828

BOLT,1/2"-13 x 1 3/4", G5

- plow, no. 3 head (1/2" - 13 NC x 1-3/4")

19шт.

36

92-8

LOCK WASHER,1/2"

19шт.

37

25-108

NUT,1/2"-13, G5

- hex. (1/2 - 13 NC)

19шт.

Выбрано товаров: 37