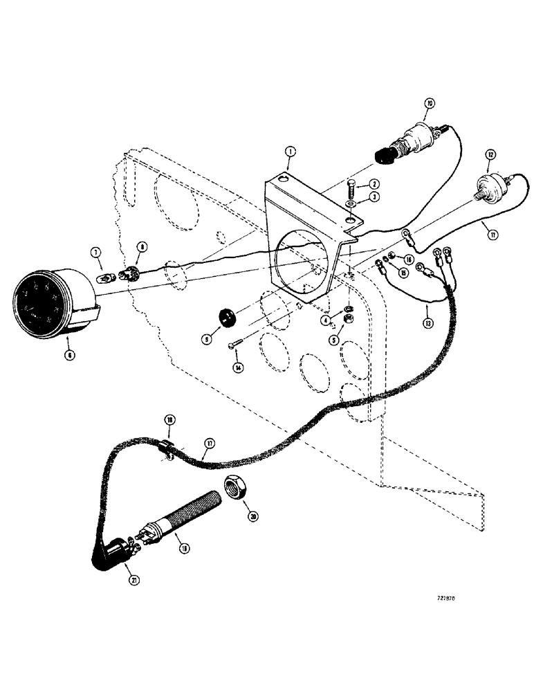
Запчасти Case 350 (096) - INSTRUMENT PANEL, TACHOMETER AND WIRING (06) - ELECTRICAL SYSTEMS

Схема запчастей Case 350 - (096) - INSTRUMENT PANEL, TACHOMETER AND WIRING (06) - ELECTRICAL SYSTEMS
14
3
20
8
7
10
2
19
16
5
21
9
1
13
12
11
18
4
6
15
17
FIT
1:1
100%

Артикул

Название

Примечание

Количество

1

R29590

BRACKET - mounting, tachometer

1шт.

2

13-612

BOLT,Hex, 3/8" - 16 x 3/4", Gr 5, Full Thd

2шт.

3

195-25

WASHER,3/8"

- flat, 3/8"

2шт.

4

92-6

LOCK WASHER,3/8"

2шт.

5

25-106

NUT,3/8"-16, G5

- hex, 3/8" - 16 NC

2шт.

R29588

TACHOMETER

ASSEMBLY - complete, Includes: Ref. 6 - 8

1шт.

6

NSS

NOT SOLD SEPARAT

HEAD - tachometer

1шт.

7

D74522

BULB

- no. 1809

1шт.

8

D74521

WIRE ASSEMBLY - to light switch

1шт.

9

A23870

GROMMET

- rubber

1шт.

10

D35065

SWITCH

- light

1шт.

11

R29619

ELECTRICAL WIRE

WIRE - tachometer to pressure switch

1шт.

12

REF

INSTRUCTION

OIL PRESSURE SWITCH - see figures 90 and 92

1шт.

13

R29618

WIRE - ground

1шт.

14

182-202

SCREW,Sl Pan Hd, 1/4" - 20 x 1/2"

- pan head, slotted, 1/4" - 20 NC x 1/2"

1шт.

15

92-4

LOCK WASHER,1/4"

WASHER, LOCK, 1/4"

1шт.

16

25-104

NUT,1/4"-20, G5

1шт.

17

R29617

HARNESS

- tachometer

1шт.

18

515-2363

CLAMP,M6.3, Insul, 3/8" Bolt

- retainer

1шт.

19

R29589

SENSOR

- tachometer

1шт.

20

25-1512

JAM NUT,Jam, 3/4"-10, G5

- hex, lock, 3/4" - 16 NC

1шт.

21

R29627

BOOT

GUARD - rubber

1шт.

Выбрано товаров: 22