Запчасти Case 350 (102) - ELECTRICAL SYSTEM, MODELS WITH ALTERNATOR (06) - ELECTRICAL SYSTEMS

Схема запчастей Case 350 - (102) - ELECTRICAL SYSTEM, MODELS WITH ALTERNATOR (06) - ELECTRICAL SYSTEMS
9
21
44
12
18
6
11
45
44
40
38
24
5
15
44
5
10
34
2
3
43
5
4
14
43
25
16
19
13
48
27
46
9
8
23
41
26
35
47
25
29
17
36
37
12
24
1
20
17
21
42
17
18
22
14
14
7
32
28
26
17
30
31
7
15
1
33
39
FIT
1:1
100%

Артикул

Название

Примечание

Количество

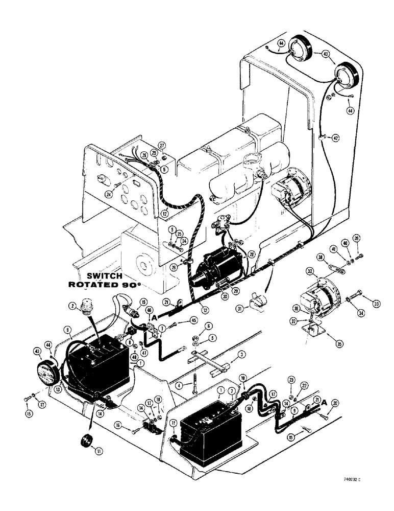
1

D44175

DRY BATTERY

BATTERY - 12 volt, service replacement

2шт.

D44175 battery has standard caps which are to be replaced with nonspill caps from old battery, if used, or order A60553 caps.

1шт.

2

A60553

CAP

CAP - nonspill

6шт.

3

R26374

BATTERY BOX

BRACKET - battery hold-down

2шт.

4

17-4152

BOLT,Sq Hd, 1/4"-20 x 9 1/2", G2

SPARE PART BOLT - hex, 1/4" - 20 NC x 9-1/2"

4шт.

5

195-18

WASHER,1/4"

WASHER - flat, 1/4"

6шт.

6

131-650

NUT,1/4"-20, GB

NUT - hex, self lock, 1/4" - 20 NC

4шт.

7

R40378

CABLE

CABLE - ground, 20" (508 MM) long

2шт.

8

49564

GROMMET,1 1/2" ID x 1 3/4" Groove Dia

GROMMET - rubber

1шт.

9

R43768

CABLE

CABLE - battery to starter solenoid

1шт.

10

49564

GROMMET,1 1/2" ID x 1 3/4" Groove Dia

GROMMET - rubber, if used

1шт.

11

D35078

GROMMET,1 1/2" ID x 1 3/4" Groove Dia

GROMMET - rubber, if used

2шт.

12

R30675

HARNESS

HARNESS - electrical, pre heater models

1шт.

12

R36918

SPARE PART HARNESS - ether injection models, before tractor sn 3065733

1шт.

12

R39051

SPARE PART HARNESS - tractor sn 3065733 and after

1шт.

13

49859

CLAMP

- harness

1шт.

14

D47783

CLAMP

CLAMP - harness and cable

3шт.

15

13-616

BOLT,Hex, 3/8" - 16 x 1", Gr 5, Full Thd

BOLT, Hex, 3/8"-16 x 1", G5, Full Thd

2шт.

16

13-612

BOLT,Hex, 3/8" - 16 x 3/4", Gr 5, Full Thd

BOLT, Hex, 3/8"-16 x 3/4", G5, Full Thd

2шт.

17

92-6

LOCK WASHER,3/8"

LOCK WASHER, 3/8"

3-4шт.

18

25-106

NUT,3/8"-16, G5

NUT - hex, 3/8" - 16 NC

3шт.

19

D34924

SWITCH

SWITCH - starter, push button, R30675 and R36918 harness

1шт.

19

R40432

SWITCH

SWITCH - starter, push button, R39051 harness

1шт.

20

13-828

BOLT,Hex, 1/2" - 13 x 1-3/4", Gr 5

BOLT - hex, 1/2" - 13 NC x 1-3/4"

2шт.

21

D34980

CLAMP

CLAMP - harness and cable

2шт.

22

92-8

LOCK WASHER,1/2"

LOCK WASHER, 1/2"

2шт.

23

25-108

NUT,1/2"-13, G5

NUT - hex, 1/2" - 13 NC

2шт.

24

13-48

BOLT,Hex, 1/4" - 20 x 1/2", Gr 5

BOLT, Hex, 1/4"-20 x 1/2", G5, Full Thd

2шт.

24

113-1

BOLT,Hex, 1/4" - 20 x 1/2", Gr 5

BOLT, Hex, 1/4"-20 x 1/2", G5, Full Thd

1шт.

25

193-60

LOCK WASHER,Int Tooth, 1/4"

WASHER, LOCK, Int Tooth, 1/4"

2шт.

26

49854

CLAMP

- harness

2шт.

27

25-104

NUT,1/4"-20, G5

NUT, 1/4"-20, G5

1шт.

28

R29870

STARTING MOTOR

MOTOR - Delco no. 1109149 original equipment, parts list figures 82 and 84

1шт.

28

R39341

STARTING MOTOR

MOTOR - Nippondneso no. 5-02000-277, original equipment and service replacement, parts list figure 80

1шт.

28

104451A2GV

STARTER MOTOR

Value, 12V, 2.5KW

1шт.

28

104451A2R

REMAN-STARTER

Remanufactured STARTER 12 volt, 2.5KW

1шт.

28

104451A1C

CORE-STARTER

Return Part Number, STARTER 12 volt, 2.5KW

1шт.

29

413-632

BOLT,Hex, 3/8" - 16 x 2", Gr 5

BOLT, , If required Hex, 3/8"-16 x 2", G5

3шт.

29

13-636

BOLT,Hex, 3/8" - 16 x 2-1/4", Gr 5

BOLT, , If required Hex, 3/8"-16 x 2 1/4", G5

3шт.

30

92-6

LOCK WASHER,3/8"

LOCK WASHER, 3/8"

3шт.

31

F43611

CLIP

CLAMP - harness

2шт.

32

R30818

ALTERNATOR

ALTERNATOR - 12 volt, Motorola no. BAR2X46F, parts list figure 78

1шт.

33

13-836

BOLT,Hex, 1/2" - 13 x 2-1/4", Gr 5

BOLT - hex, 1/2" - 13 NC x 2-1/4"

1шт.

34

92-8

LOCK WASHER,1/2"

LOCK WASHER, 1/2"

1шт.

35

R30381

BRACKET

BRACKET - alternator base

1шт.

36

13-614

BOLT,Hex, 3/8" - 16 x 7/8", Gr 5, Full Thd

BOLT, Hex, 3/8"-16 x 7/8", G5, Full Thd

2шт.

37

92-6

LOCK WASHER,3/8"

LOCK WASHER, 3/8"

2шт.

38

R29597

STRAP

STRAP - adjusting, alternator

1шт.

39

13-516

BOLT,Hex, 5/16" - 18 x 1", Gr 5

BOLT, Hex, 5/16"-18 x 1", G5, Full Thd

1шт.

40

92-5

LOCK WASHER,5/16"

WASHER - lock, 5/16"

1шт.

41

195-21

WASHER,5/16"

WASHER - flat, 5/16"

1шт.

42

A26814

SPARE PART CLAMP - wire

1шт.

43

REF

INSTRUCTION

LIGHT ASSEMBLY - head and rear, see figure 104 for lights

3шт.

44

A11768

ELECTRICAL WIRE

WIRE WIRE - ground, lights

3шт.

45

13-512

BOLT,Hex, 5/16" - 18 x 3/4", Gr 5

BOLT, Hex, 5/16"-18 x 3/4", G5, Full Thd

2шт.

46

R31304

BRACKET

BRACKET - switch, for horizontal mounted switch

1шт.

47

92-5

LOCK WASHER,5/16"

WASHER - lock, 5/16"

2шт.

48

9635082

NUT,5/16" - 18, Gr 5

NUT - hex, 5/16" - 18 NC

2шт.

Выбрано товаров: 58