Запчасти Case 350 (172) - D39525 HYDRAULIC PUMP, USED BEFORE TRACTOR SN 3046501 (07) - HYDRAULIC SYSTEM

Схема запчастей Case 350 - (172) - D39525 HYDRAULIC PUMP, USED BEFORE TRACTOR SN 3046501 (07) - HYDRAULIC SYSTEM
6
20
8
2
14
5
3
19
12
10
4
1
13
11
15
9
7
FIT
1:1
100%

Артикул

Название

Примечание

Количество

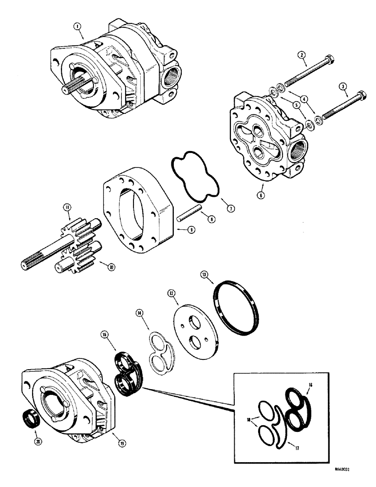
1

D39525

PUMP - hydraulic, Hydreco no. 1713A1B1KL, use R24623 pump, R24621 tube and 218-5140 fitting for service, Includes: Ref. 2 - 20

1шт.

2

13-664

BOLT,Hex, 3/8" - 16 x 4", Gr 5

4шт.

3

13-652

BOLT,Hex, 3/8" - 16 x 3-1/4", Gr 5

- hex, 3/8" - 16 NC x 3-1/4"

4шт.

4

92-6

LOCK WASHER,3/8"

8шт.

5

NSS

NOT SOLD SEPARAT

WASHER - special

8шт.

6

NSS

NOT SOLD SEPARAT

COVER - pump, port end

1шт.

7

D41307

O-RING - cover

1шт.

8

NSS

NOT SOLD SEPARAT

PIN - dowel

2шт.

9

NSS

NOT SOLD SEPARAT

HOUSING - gear

1шт.

10

NSS

NOT SOLD SEPARAT

GEAR - driver

1шт.

11

NSS

NOT SOLD SEPARAT

SHAFT AND GEAR - drive

1шт.

12

D41301

PLATE - wear

1шт.

13

D41308

SEAL - quad ring

1шт.

14

D41303

SEAL

- backup

1шт.

15

NSS

NOT SOLD SEPARAT

SEAL - molded

1шт.

16

D41304

SEAL - backup, fiber, if used

1шт.

17

D41306

O-RING

- large, if used

1шт.

18

D41311

O-RING,0.103" Thk x 1.174" ID, -123, Cl 6, 90 Duro

- small, if used

2шт.

19

NSS

NOT SOLD SEPARAT

COVER - pump, shaft end

1шт.

20

D41305

OIL SEAL

SEAL - drive shaft

1шт.

Выбрано товаров: 20