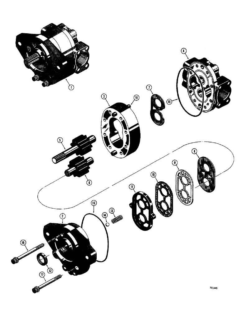
Запчасти Case 350 (174) - D52444 AND R24623 HYDRAULIC PUMPS (07) - HYDRAULIC SYSTEM

Схема запчастей Case 350 - (174) - D52444 AND R24623 HYDRAULIC PUMPS (07) - HYDRAULIC SYSTEM
14
5
11
8
17
1
6
7
18
4
9
15
15
16
13
12
10
7
3
FIT
1:1
100%

Артикул

Название

Примечание

Количество

1

D52444

X

PUMP - Cessna no. 24509-LAF, on all crawler models, use 218-5140 fitting, R24623 pump and R24621 stem for service, Includes: Ref. 2 - 18, Serial Range: 3046501-3047968

1шт.

1

R24623

PUMP, HYDRAULIC

PUMP - Cessna no. 24509-LBP, sn 3047968 and after on all models except power angle tilt dozer models - service replacement for all prior models, Includes: Ref. 2 - 18

1шт.

2

D48879

COVER

- drive shaft end, D52444 pump

1шт.

2

R25505

COVER

- drive shaft end, R24623 pump

1шт.

3

D52921

SPACER

BODY - center

1шт.

4

D52926

COVER - port end, D52444 pump

1шт.

4

R26378

LARGE PLATE

COVER - port end, R24623 pump

1шт.

D52922

GEAR WHEEL

GEAR SET - drive and driven, Includes: Ref. 5 and 6

1шт.

5

NSS

NOT SOLD SEPARAT

GEAR AND SHAFT ASSEMBLY - drive

1шт.

6

NSS

NOT SOLD SEPARAT

GEAR AND SHAFT ASSEMBLY - idler

1шт.

D59656

GASKET KIT

KIT - seal, Includes: Ref. 7 - 15

1шт.

7

A45358

PLATE

- thrust

1шт.

8

A45351

DIAPHRAGM

- pump

1шт.

9

H260935

GASKET

- protector

1шт.

10

H260927

GASKET

- backup

1шт.

11

H273912

SEAL

- diaphragm

1шт.

12

A25139

SEAL,22.22mm ID x 35.08mm OD x 6.91mm Thk

- drive shaft

1шт.

13

D31403

SPRING

- ball retaining, R24623 pump uses 1

2шт.

14

211-312

BALL,13/32" Dia

- steel, R24623 pump uses 1

2шт.

15

H756221

O-RING,4.987" ID x 5.193" OD

- cover

2шт.

16

166-54

12 PT SCREW,Flg, 3/8" - 16 x 3 1/4", Gr 8

SCREW - ferry cap, 3/8" - 16 NC x 3-1/4"

4шт.

17

166-53

SCREW,Flg, 3/8" - 16 x 3", Gr 8

- ferry cap, 3/8" - 16 NC x 3-1/2"

4шт.

18

D52925

DOWEL

- body

2шт.

Выбрано товаров: 23