Запчасти Case 350 (198) - ANGLE-TILT DOZER - ANGLE TILT HYDRAULIC CIRCUIT, USED BEFORE SN 3047966 (07) - HYDRAULIC SYSTEM

Схема запчастей Case 350 - (198) - ANGLE-TILT DOZER - ANGLE TILT HYDRAULIC CIRCUIT, USED BEFORE SN 3047966 (07) - HYDRAULIC SYSTEM
30
39
45
50
33
14
16
19
20
46
22
13
19
2
5
26
29
11
36
44
9
15
42
37
10
6
32
17
17a
1
49
24
7
43
8
34
31
4
35
7a
48
12
34
27
47
23
18
40
28
38
18
3
26
8
21
25
9
41
10
25
20
FIT
1:1
100%

Артикул

Название

Примечание

Количество

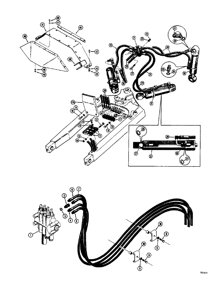
1

REF

INSTRUCTION

VALVE - control, see figure 338 for proper valve

1шт.

2

D37118

ADAPTER

CONNECTOR - angle and tilt ports, Includes: Ref. 3

4шт.

3

237-6010

O-RING,0.097" Thk x 0.755" ID, -910, Cl 6, 90 Duro

- connector

1шт.

4

D46471

TUBE ASSY.

HOSE ASSEMBLY - angle port

1шт.

5

D46472

HOSE

ASSEMBLY - angle port

1шт.

6

D46472

HOSE

ASSEMBLY - tilt port

1шт.

7

D46471

TUBE ASSY.

HOSE ASSEMBLY - tilt port

1шт.

7a

218-786

REDUCER,37 Degree, 3/4"-16, Fem x 9/16"-18 Male

BUSHING - reducer

4шт.

8

13-612

BOLT,Hex, 3/8" - 16 x 3/4", Gr 5, Full Thd

2шт.

9

92-6

LOCK WASHER,3/8"

2шт.

10

D36134

CLAMP

- hose

2шт.

11

D36131

SET

BLOCK - clam, hose

1шт.

12

13-472

BOLT,Hex, 1/4" - 20 x 4-1/2", Gr 5

- hex, 1/4" - 20 NC x 4-1/2"

2шт.

13

92-4

LOCK WASHER,1/4"

WASHER, LOCK, 1/4"

2шт.

14

25-104

NUT,1/4"-20, G5

2шт.

15

13-620

BOLT,Hex, 3/8" - 16 x 1-1/4", Gr 5, Full Thd

2шт.

16

92-6

LOCK WASHER,3/8"

2шт.

17

D36130

BLOCK

- manifold, at C-frame

1шт.

17a

D52447

GUARD

- hose, at C-frame

1шт.

18

13-628

BOLT,Hex, 3/8" - 16 x 1-3/4", Gr 5

2шт.

19

92-6

LOCK WASHER,3/8"

2шт.

20

D36126

HOSE

- 22" (559 MM) long

2шт.

21

D36202

BLOCK

- manifold, front

1шт.

22

13-844

BOLT,Hex, 1/2" - 13 x 2-3/4", Gr 5

Hex, 1/2"-13 x 2 3/4", G5

1шт.

23

96-8

WASHER - lock, 1/2"

1шт.

24

25-108

NUT,1/2"-13, G5

- hex, 1/2" - 13 NC

1шт.

25

R26163

HOSE

- 29-1/2" (749 MM) long

2шт.

26

R26164

HOSE ASSY.

HOSE - 20" (508 MM) long

2шт.

27

218-5121

ELBOW,90 Degree Elbow, 3/4" - 16 Male JIC x 7/8" - 14 Male ORB

- 90 degree, Includes: Ref. 28

2шт.

28

237-6010

O-RING,0.097" Thk x 0.755" ID, -910, Cl 6, 90 Duro

- elbow

1шт.

29

D28205

PIPE

TUBE - angling cylinder, rod end

2шт.

30

218-5060

HYD CONNECTOR,3/4" - 16 Male JIC x 7/8" - 14 Male ORB

male, straight, Incl. Ref 31 3/4"-16, 37º x 7/8"-14, O-Ring

2шт.

31

237-6010

O-RING,0.097" Thk x 0.755" ID, -910, Cl 6, 90 Duro

- connector

1шт.

32

214-265

HOSE CLAMP,#56, 3.06" - 4", Type F Worm

CLAMP - tube

2шт.

33

REF

INSTRUCTION

CYLINDER - angle, see figure 224 for cylinders

2шт.

34

D36129

HOSE ASSY.

HOSE - 57" (1448 MM) long

2шт.

35

218-5060

HYD CONNECTOR,3/4" - 16 Male JIC x 7/8" - 14 Male ORB

male, straight, Incl. Ref 36 3/4"-16, 37º x 7/8"-14, O-Ring

1шт.

36

237-6010

O-RING,0.097" Thk x 0.755" ID, -910, Cl 6, 90 Duro

- connector

1шт.

37

218-5146

ELBOW,45 Degree Elbow, 3/4" - 16 Male JIC x 7/8" - 14 Male ORB

- 45 degree, adjustable, Includes: Ref. 38

1шт.

38

237-6010

O-RING,0.097" Thk x 0.755" ID, -910, Cl 6, 90 Duro

- elbow

1шт.

39

REF

INSTRUCTION

CYLINDER - tilt, see page 226 for cylinders

1шт.

40

D51271

GUARD - hose at moldboard, lower

1шт.

41

D51266

GUARD - hose at moldboard, upper

1шт.

42

13-820

BOLT,Hex, 1/2" - 13 x 1-1/4", Gr 5, Full Thd

4шт.

43

92-8

LOCK WASHER,1/2"

4шт.

44

25-108

NUT,1/2"-13, G5

- hex, 1/2" - 13 NC

4шт.

45

D51322

SUPPORT - guard

1шт.

46

13-612

BOLT,Hex, 3/8" - 16 x 3/4", Gr 5, Full Thd

10шт.

47

195-25

WASHER,3/8"

- flat, 3/8"

10шт.

48

92-6

LOCK WASHER,3/8"

10шт.

49

9635082

NUT,5/16" - 18, Gr 5

- hex, 3/8" - 16 NC

10шт.

50

D33500

LINING

TRIM - guard, 7" (178 MM) long

1шт.

Выбрано товаров: 52