Запчасти Case 350 (256) - G33798 & G33799 BUCKET CLAM CYLS., W/SOLID OUTER WIPER&SPLIT INNER WIPER W/O GLAND CENTER BEARING (07) - HYDRAULIC SYSTEM

Схема запчастей Case 350 - (256) - G33798 & G33799 BUCKET CLAM CYLS., W/SOLID OUTER WIPER&SPLIT INNER WIPER W/O GLAND CENTER BEARING (07) - HYDRAULIC SYSTEM
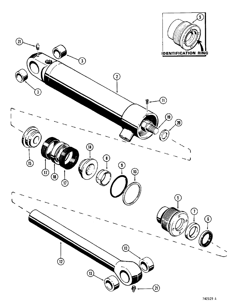
2
17
14
3
12
21
15
19
5
7
3
9
18
6
20
13
17
8
21
13
5
11
10
FIT
1:1
100%

Артикул

Название

Примечание

Количество

1

G33798

CYLINDER

- RH, 3" (76 MM) ID x 9" (229 MM) stroke, not shown, service with G101190 cylinder, Includes: Ref. 2 - 21

1шт.

1

87454017R

REMAN-HYD CYLINDER

- RH, 3" (76 MM) ID x 9" (229 MM) stroke, not shown, service with G101190 cylinder, Includes: Ref. 2 - 21

1шт.

1

87454017C

CORE-HYD CYLINDER

Return Number

1шт.

1

G33799

CYLINDER

- LH, 3" (76 MM) ID x 9" (229 MM) stroke, not shown, Includes: Ref. 2 - 21

1шт.

2

G32305

HYD TUBE,435.1 mm L

TUBE - G33798 cylinder, Includes: Ref. 3

1шт.

2

G32304

HYD TUBE

TUBE - G33799 cylinder, Includes: Ref. 3

1шт.

3

30634

BUSHING,32.05mm ID x 38.18mm OD x 17.6mm L

- tube

2шт.

4

G33579

COVER

GLAND ASSEMBLY - not shown, replace with G34633 gland assembly, see figure 254, Includes: Ref. 5 - 10

1шт.

5

NSS

NOT SOLD SEPARAT

GLAND - see inset A

1шт.

6

D95143

WIPER SEAL,44.42mm ID x 57.17mm OD x 7.92mm Thk

WIPER - piston rod, outer

1шт.

Look for identification ring on gland.

1шт.

7

D36970

CUP

SEAL - piston rod

1шт.

Look for identification ring on gland.

1шт.

8

D27432

SHIM

- piston rod, inner

1шт.

Look for identification ring on gland.

1шт.

9

A30095

O-RING,0.139" Thk x 2.984" ID, -234, Cl 5, 75 Duro

- gland

1шт.

Look for identification ring on gland.

1шт.

10

G32122

BACK-UP RING,75.82mm ID x 81.92mm OD x 1.4mm Thk

- backup

1шт.

Look for identification ring on gland.

1шт.

11

187-1031

SELF-TAP SCREW,Pan, 0.164"-32 x 1/4"

SCREW - self-tapping, no. 8 - 32 NC x 1/4"

1шт.

12

G33800

PISTON ROD

ROD - piston, 1-3/4" (44 MM) diameter, Includes: Ref. 13

1шт.

13

30634

BUSHING,32.05mm ID x 38.18mm OD x 17.6mm L

- piston rod

2шт.

14

G33331

PISTON

- split, rod end

1шт.

15

D28896

PISTON

- split, bolt end

1шт.

16

G33151

PACKING

- piston, not shown, Includes: Ref. 17 and 18

1шт.

Look for identification ring on gland.

1шт.

17

NSS

NOT SOLD SEPARAT

PACKING - V-type

2шт.

18

NSS

NOT SOLD SEPARAT

RING - center bearing

1шт.

19

28-1640

BOLT,Hex, 1" - 14 x 2-1/2", Gr 8

1шт.

20

G32303

WASHER,26.97mm ID x 47.63mm OD x 3.58mm Thk

- hardened

1шт.

21

219-1

LUBE NIPPLE,1/8" - 27 NPTF

GREASE FITTING - straight, 1/8" NPT

1шт.

Выбрано товаров: 31