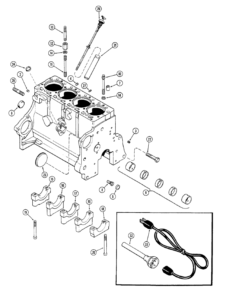
Запчасти Case 350 (022) - CYLINDER BLOCK, 188 DIESEL ENGINE, USED ENGINE SERIAL NO. 2859526 AND AFTER (01) - ENGINE

Схема запчастей Case 350 - (022) - CYLINDER BLOCK, 188 DIESEL ENGINE, USED ENGINE SERIAL NO. 2859526 AND AFTER (01) - ENGINE
27
16
11
4
26
13
23
16
22
6
2
9
17
8
21
3
19
32
10
12
14
14
15
7
18
24
33
29
5
20
FIT
1:1
100%

Артикул

Название

Примечание

Количество

A46352

CRANKCASE

BLOCK ASSEMBLY - short (Includes stripped block, piston assembly, connecting rods and bearings, crankshaft and bearings, camshaft, oil pump and timing gears), Includes: Ref. 1 - 24

1шт.

1

A46351

BASIC BLOCK

BLOCK ASSEMBLY - stripped (Casting no. A152625), Includes: Ref. 2 - 24

1шт.

2

217-433

PLUG,Hex Soc, 1/4" - 18 NPTF

Oil gallery Hex Soc, 1/4"-18 NPTF

3шт.

3

G49070

PLUG

- oil gallery, 1/4" PT, drilled socket head

1шт.

4

221-1032

DRAIN PLUG,Sq Soc, 3/8"-18 NPTF

PLUG - water gallery, 3/8" PT, socket head

1шт.

5

41-1016

PLUG,Cup, 1"

- adapter hole, 1" cup type

1шт.

6

41-1030

PLUG,Cup, 1 7/8"

- camshaft hole, 1-7/8" cup type

1шт.

7

G49608

RING

- dowel, head locating

2шт.

8

A153552

ADAPTER

- oil filter

1шт.

9

A151075

BUSHING

SET - camshaft

1шт.

10

A39047

12 PT SCREW

BOLT - cylinder head, 1/2 x 3-1/2" NC 12 point head

4шт.

10

A39048

12 PT SCREW

BOLT - cylinder head, 1/2 x 5-1/8" NC, 12 point head

11шт.

10

A39049

12 PT SCREW

BOLT - cylinder head, 1/2 x 5-5/8" NC, 12 point head

2шт.

11

A36902

STUD

- cylinder head, 1/2" NC x 5-5/8"

2шт.

12

A51114

NUT

- cylinder head studs, 1/2" NC and 3/8" NC

2шт.

13

A51271

STUD

- cylinder head cover - 3/8 NC x 3-3/4"

2шт.

14

A39046

WASHER,13.11mm ID x 22.23mm OD x 3.34mm Thk

- 1/2 x 7/8 x 1/8"

1шт.

15

A38385

CAP

- main bearing rear

1шт.

16

G2128

CAP

- main bearing, intermediate

2шт.

17

G2127

CAP

- main bearing, center

1шт.

18

G2126

CAP

- main bearing, front

1шт.

19

26-872

BOLT,Hex, 1/2" - 13 x 4-1/2", Gr 8

- bearing caps, 1/2 x 4-1/2" NC hex

8шт.

20

26-882

BOLT,Hex, 1/2" - 13 x 5-1/8", Gr 8

- front bearing cap, 1/2 x 5-1/8" NC hex

2шт.

21

A37149

TUBE

- oil filler and dipstick (Discard extension tube o-ring and clamp. Not used this model)

1шт.

22

A38303

BOLT

BOLT - front support, 5/8 x 3-3/16" NC hex

1шт.

23

41-1052

PLUG,Cup, 3 1/4"

COVER - auxiliary drive opening, 3-1/2" cup type

1шт.

24

A38534

PLUG

- tachometer drive hole, 1-1/16" cup type

1шт.

26

A39936

DIPSTICK

- oil level

1шт.

27

221-662

PLUG,Hex Hd, 1/4"-18

- drain, cylinder block, 1/4" PT square head

1шт.

29

A29363

STUD

- 5/8" NC-NF x 2-1/4"

2шт.

32

A44815

HEATER

ASSEMBLY - block, Includes: Ref. 33

1шт.

33

A44814

ELECTRIC CABLE

CORD - heater, 12" long , block

1шт.

Выбрано товаров: 32