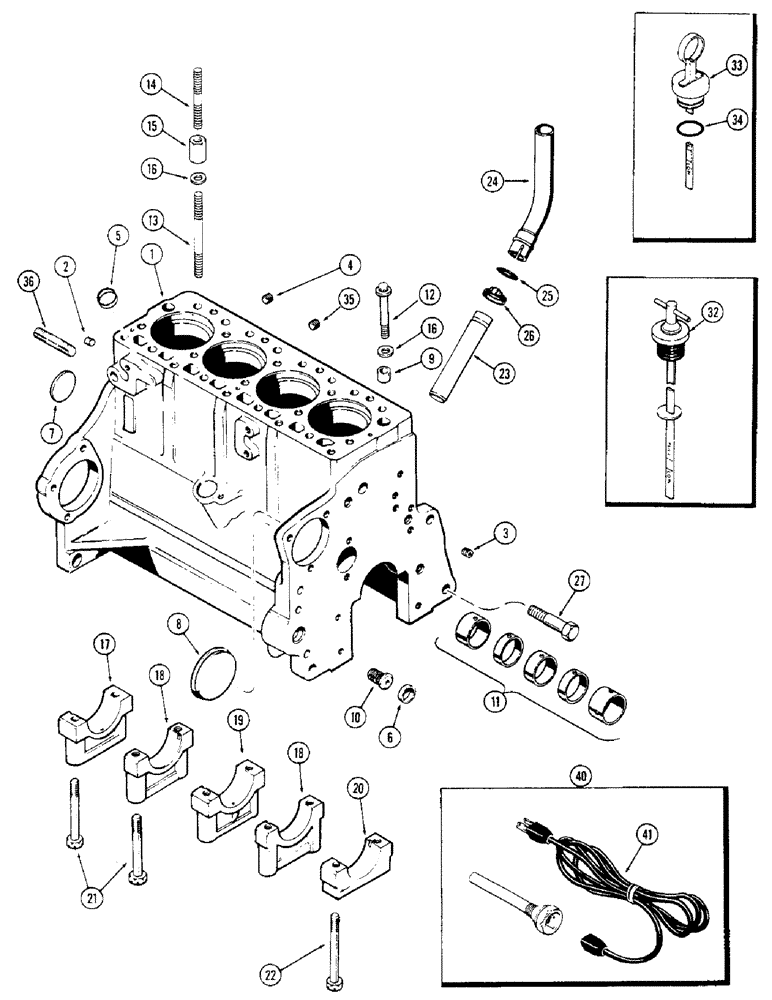
Запчасти Case 350 (024) - CYLINDER BLOCK, 188 DIESEL ENGINE, USED ENGINE SERIAL NOS. 2711005 TO 2859526 WITH CYL. HEAD BOLTS (01) - ENGINE

Схема запчастей Case 350 - (024) - CYLINDER BLOCK, 188 DIESEL ENGINE, USED ENGINE SERIAL NOS. 2711005 TO 2859526 WITH CYL. HEAD BOLTS (01) - ENGINE
41
32
12
18
3
26
6
16
19
18
14
36
11
33
25
23
9
21
5
1
20
13
27
15
22
24
40
35
7
2
8
34
10
4
17
16
FIT
1:1
100%

Артикул

Название

Примечание

Количество

A44703

BLOCK

ASSEMBLY - short (Order A46352) (Includes stripped block, crankshaft and bearings, connecting rods and bearings, piston assembly, camshaft, oil pump and timing gears), Includes: Ref. 1 - 27

1шт.

1

A44702

BLOCK

ASSEMBLY - stripped (Order A46351) (Casting no. A136813 ), Includes: Ref. 2 - 27

1шт.

2

217-433

PLUG,Hex Soc, 1/4" - 18 NPTF

Oil gallery Hex Soc, 1/4"-18 NPTF

2шт.

3

G49070

PLUG

- oil gallery (1/4" PT, drilled head)

1шт.

4

221-1032

DRAIN PLUG,Sq Soc, 3/8"-18 NPTF

PLUG (3/8" PT, socket head)

1шт.

5

A38534

PLUG

- tachometer drive hole (1-1/16" cup type)

1шт.

6

41-1016

PLUG,Cup, 1"

- adapter hole (1" cup type)

1шт.

7

A39241

PLUG,Exp, 2.12" dia

- camshaft hole (2-1/8" expansion)

1шт.

8

41-1052

PLUG,Cup, 3 1/4"

- auxiliary pump hole (3-1/4" cup type)

1шт.

9

G49608

RING

- dowel, head locating

2шт.

10

A153552

ADAPTER

- oil filter

1шт.

11

A42746

CAM

BUSHING SET - camshaft

1шт.

12

A39047

12 PT SCREW

BOLT - cylinder head (1/2 x 3-1/2" NC, 12 point head)

4шт.

12

A39048

12 PT SCREW

BOLT - cylinder head (1/2 x 5-1/8" NC, 12 point head)

11шт.

12

A39049

12 PT SCREW

BOLT - cylinder head (1/2 x 5-5/8" NC, 12 point head)

2шт.

13

A36902

STUD

- cylinder head, lower (1/2" NC x 5-5/8")

2шт.

14

A51271

STUD

- cylinder head, cover (3/8" NC x 3-3/4")

2шт.

15

A51114

NUT

- head studs (1/2" NC and 3/8" NC)

2шт.

16

A39046

WASHER,13.11mm ID x 22.23mm OD x 3.34mm Thk

- 1/2 x 7/8 x 1/8"

19шт.

17

A38385

CAP

- main bearing, rear

1шт.

18

G2128

CAP

- main bearing, intermediate

2шт.

19

G2127

CAP

- main bearing, center

1шт.

20

G2126

CAP

- main bearing, front

1шт.

21

26-872

BOLT,Hex, 1/2" - 13 x 4-1/2", Gr 8

- bearing caps (1/2 x 4-1/2" NC hex)

8шт.

22

26-880

BOLT,Hex, 1/2" - 13 x 5", Gr 8

- bearing caps (1/2 x 5" NC hex)

2шт.

23

A37149

TUBE

- oil filler and dipstick

1шт.

24

A37407

TUBE

EXTENSION - oil filler tube

1шт.

25

A27342

O-RING,1.109" ID x 1.387" OD x 0.139"

- tube (1-1/8 x 1-3/8 x 1/8")

1шт.

26

214-256

HOSE CLAMP,#20, 0.81" - 1.75", Type F Worm

CLAMP - tube (1-3/16" to 1-3/4")

1шт.

27

A38303

BOLT

BOLT - front support (5/8 x 3-3/16" NC hex)

1шт.

32

A39936

DIPSTICK

- engine oil level (Turn-tite type) (1st used engine serial no. 2718147)

1шт.

33

A37148

DIPSTICK

ASSEMBLY - engine oil level (O-ring type) (Order A39936) (Used prior to engine serial no. 2718147), Includes: Ref. 34

1шт.

34

F62075

O-RING,0.139" Thk x 0.734" ID, -210, Cl 5, 75 Duro

- dipstick (3/4 x 1 x 1/8")

2шт.

35

221-662

PLUG,Hex Hd, 1/4"-18

- drain, cylinder block (1/4" PT square head)

1шт.

36

A29363

STUD

- engine mounting (5/8" NC-NF x 2-1/4")

2шт.

40

A44815

HEATER

ASSEMBLY (Replaces A40637), block

1шт.

41

A44814

ELECTRIC CABLE

CORD ASSEMBLY (12" long) (Replaces A40477), block heater

1шт.

Выбрано товаров: 0