Запчасти Case 350 (044) - WATER PUMP, 188 DIESEL ENGINE, USED ENGINE SERIAL NO. 2728315 AND AFTER (01) - ENGINE

Схема запчастей Case 350 - (044) - WATER PUMP, 188 DIESEL ENGINE, USED ENGINE SERIAL NO. 2728315 AND AFTER (01) - ENGINE
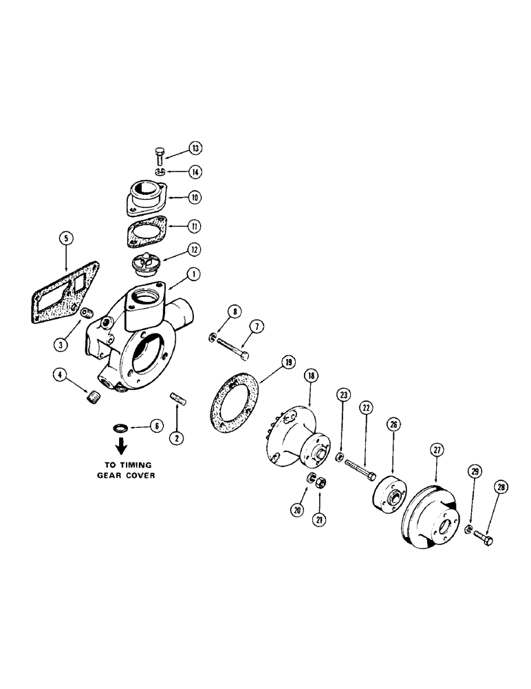
12
10
5
21
19
14
20
2
3
1
11
7
29
13
27
4
8
6
18
26
23
22
28
FIT
1:1
100%

Артикул

Название

Примечание

Количество

1

A152801

BODY

BODY ASSEMBLY - water pump (Replaces A51735 and A144504), Includes: Ref. 2 - 4

1шт.

2

A29433

STUD

STUD - water pump (3/8" NC x 1")

2шт.

3

211-843

PLUG - body (3/8" PT, socket head)

1шт.

4

221-844

PLUG,Hex Soc, 1/2"-14

PLUG - body (1/2" PT, socket head)

1шт.

5

A38084

GASKET,1.27mm Thk

GASKET - body to cylinder head

1шт.

6

F62075

O-RING,0.139" Thk x 0.734" ID, -210, Cl 5, 75 Duro

O-RING - body to cover (3/4 x 1 x 1/8")

1шт.

7

13-630

BOLT,Hex, 3/8" - 16 x 1-7/8", Gr 5

BOLT - body to cylinder head (3/8 x 1-7/8" NC hex)

1шт.

7

13-644

BOLT,Hex, 3/8" - 16 x 2-3/4", Gr 5

BOLT - body to cylinder head (3/8 x 2-3/4" NC hex)

1шт.

7

13-648

BOLT,Hex, 3/8" - 16 x 3", Gr 5

BOLT - body to cylinder head (3/8 x 3" NC hex)

1шт.

8

92-6

LOCK WASHER,3/8"

LOCK WASHER, 3/8"

3шт.

10

G2144

FITTING

HOUSING - thermostat and water outlet

1шт.

11

G46907

GASKET

GASKET -, Serial Range: housing-body

1шт.

12

A57641

THERMOSTAT

THERMOSTAT (180 degrees)

1шт.

13

13-616

BOLT,Hex, 3/8" - 16 x 1", Gr 5, Full Thd

BOLT, , Housing Hex, 3/8"-16 x 1", G5, Full Thd

2шт.

14

92-6

LOCK WASHER,3/8"

LOCK WASHER, 3/8"

2шт.

18

A146584

PUMP, WATER

PUMP ASSEMBLY - water (Replaces A39074), Includes: Ref. 19

1шт.

18

A146584GV

WATER PUMP

Value, Water Pump Assy.

1шт.

18

A146584R

REMAN-WATER PUMP

Reman For New P/N A146584, Pump Assembly

1шт.

18

A146584C

CORE-WATER PUMP

Return Part Number

1шт.

18

A48363

REMAN-WATER PUMP

Remanufactured WATER PUMP

1шт.

18

A48323

CORE-WATER PUMP

Return Number, WATER PUMP

1шт.

19

A38083

GASKET

GASKET -, Serial Range: pump-body

1шт.

20

92-6

LOCK WASHER,3/8"

LOCK WASHER, 3/8"

2шт.

21

25-106

NUT,3/8"-16, G5

NUT - 3/8" NC hex

2шт.

22

13-644

BOLT,Hex, 3/8" - 16 x 2-3/4", Gr 5

BOLT - pump to body (3/8 x 2-3/4" NC hex)

1шт.

23

A22317

WASHER

WASHER - 3/8 x 11/16 x 1/16"

1шт.

26

A37191

BUSHING

SPACER - fan hub

1шт.

27

G11339

PULLEY

PULLEY - fan drive

1шт.

28

13-520

BOLT,Hex, 5/16" - 18 x 1-1/4", Gr 5

BOLT - pulley and spacer (5/16 x 1-1/4" NC hex)

4шт.

29

92-5

LOCK WASHER,5/16"

WASHER - lock, 5/16"

4шт.

Выбрано товаров: 30