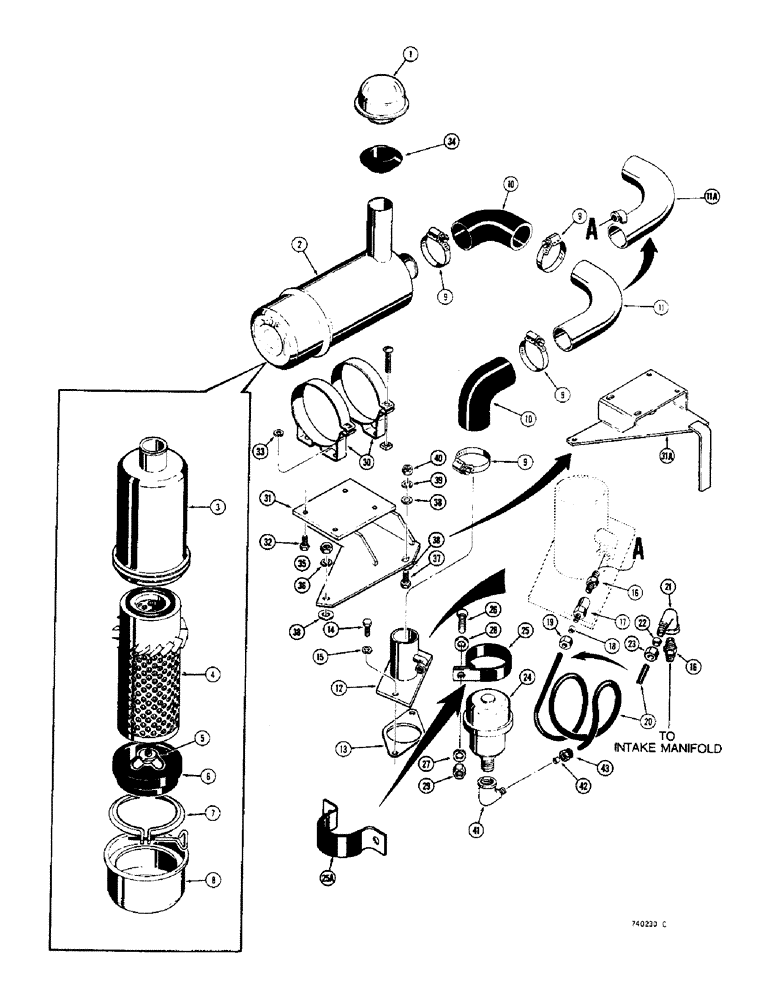
Запчасти Case 350 (052) - DRY TYPE AIR CLEANER (01) - ENGINE

Схема запчастей Case 350 - (052) - DRY TYPE AIR CLEANER (01) - ENGINE
37
1
38
18
23
34
13
24
40
10
39
38
9
9
2
10
19
11
28
22
38
30
26
5
7
6
36
11a
9
8
17
31
27
41
8
42
25
15
16
33
35
4
29
14
31a
32
21
43
16
20
12
3
25a
FIT
1:1
100%

Артикул

Название

Примечание

Количество

1

D22685

CAP

- air intake

1шт.

2

D43712

AIR CLEANER

ASSEMBLY - complete, Includes: Ref. 3 - 8

1шт.

3

NSS

NOT SOLD SEPARAT

BODY - air cleaner

1шт.

4

D48198

AIR CLEANER

ELEMENT - air cleaner

1шт.

5

F91761

WING NUT

AND GASKET ASSEMBLY - wing

1шт.

6

D48200

BAFFLE

- air cleaner

1шт.

7

D48199

CLAMP

- air cleaner

1шт.

8

D48201

CUP

- air cleaner

1шт.

9

214-260

HOSE CLAMP,#36, 1.81" - 2.75", Type F Worm

4шт.

10

D43714

INTAKE AIR HOSE,2.00" ID, SAE 20R4 Class SC or SAE 20R4 Class R

2.00" ID, SAE 20R4 Class SC or SAE 20R4 Class R

2шт.

11

D43715

TUBE - air cleaner to manifold, used with vertical style muffler

1шт.

11

R25799

TUBE - air cleaner to manifold, used with horizontal style muffler, not shown

1шт.

11a

R31198

TUBE

- air cleaner to muffler, used with horizontal style muffler

1шт.

12

D43716

INLET - manifold, used with vertical style muffler

1шт.

13

D22670

GASKET

- air inlet manifold

1шт.

14

13-616

BOLT,Hex, 3/8" - 16 x 1", Gr 5, Full Thd

2шт.

15

92-6

LOCK WASHER,3/8"

2шт.

16

D36264

FITTING

NIPPLE - filter

1шт.

17

D35091

PIPE FITTING

CONNECTOR - straight, if used, Includes: Ref. 18 and 19

1шт.

18

D37176

SLEEVE

- connector

1шт.

19

D37362

TUBE NUT

- connector

1шт.

20

D35275

TUBE

- air, Serial Range: cleaner-indicator

1шт.

222-5390

ELBOW,90 Degree, 3/8"-24 x 1/8" NPT

- 90 degree, female, Includes: Ref. 21 - 23

1шт.

21

NSS

NOT SOLD SEPARAT

BODY - elbow

1шт.

22

NSS

NOT SOLD SEPARAT

SLEEVE - elbow

1шт.

23

NSS

NOT SOLD SEPARAT

NUT - elbow

1шт.

24

D47217

INDICATOR

- air restriction

1шт.

25

D45064

CLAMP,1 3/8", Insul, 1/4" Bolt

- indicator, P-style, if used

1шт.

25a

R33808

CLAMP

- indicator, U-style, if used

1шт.

26

173-202

SCREW,Rnd Hd, 1/4" - 20 x 3/4"

- machine, 1/4" - 20 NC x 3/4", plated

1-2шт.

27

92-4

LOCK WASHER,1/4"

WASHER, LOCK, 1/4"

1-2шт.

28

195-18

WASHER,1/4"

- flat, 3/4"

1шт.

29

25-104

NUT,1/4"-20, G5

1-2шт.

30

R41654

COLLAR CLAMP

BAND - mounting, air cleaner

2шт.

31

D44450

BRACKET - mounting, air cleaner, used with vertical style muffler

1шт.

31

R25800

BRACKET - mounting, air cleaner, used with horizontal style air cleaner

1шт.

31a

R30416

BRACKET - mounting, air cleaner, used with horizontal style muffler

1шт.

32

13-512

BOLT,Hex, 5/16" - 18 x 3/4", Gr 5

4шт.

33

92-5

LOCK WASHER,5/16"

WASHER - lock, 5/16"

4шт.

34

R14780

GROMMET

- air cleaner inlet

1шт.

35

25-146

JAM NUT,Jam, 3/8"-16, G5

- hex, lock, 3/8" - 16 NC

3шт.

36

92-6

LOCK WASHER,3/8"

3шт.

37

13-620

BOLT,Hex, 3/8" - 16 x 1-1/4", Gr 5, Full Thd

1шт.

38

195-25

WASHER,3/8"

- flat, 3/8"

1шт.

39

92-6

LOCK WASHER,3/8"

1шт.

40

25-106

NUT,3/8"-16, G5

- hex, 3/8" - 16 NC

1шт.

D45588

FITTING

ELBOW - 90 degree, female, Includes: Ref. 41 - 43

1шт.

41

NSS

NOT SOLD SEPARAT

BODY - elbow

1шт.

42

D37176

SLEEVE

- elbow

1шт.

43

D37362

TUBE NUT

- elbow

1шт.

Выбрано товаров: 50