Запчасти Case 350 (054) - EXHAUST SYSTEM (01) - ENGINE

Схема запчастей Case 350 - (054) - EXHAUST SYSTEM (01) - ENGINE
5
23
21
16
4
29
19
2
22
1
24
30
6
26
13
17
21
11
14
7
31
3
8
15
20
28
10
18
9
25
12
27
FIT
1:1
100%

Артикул

Название

Примечание

Количество

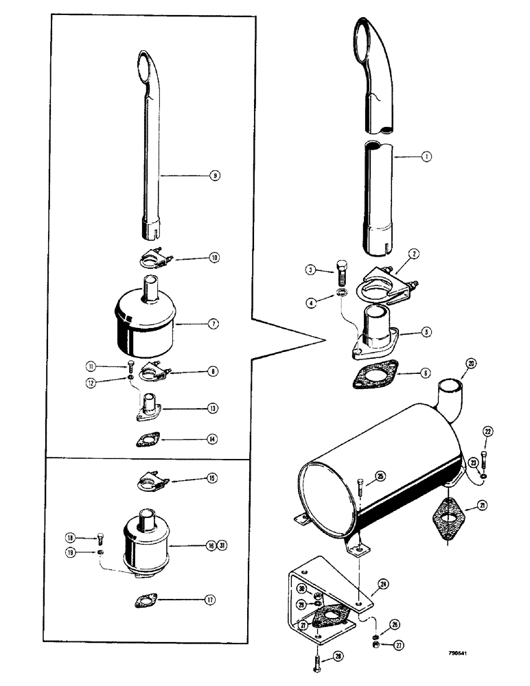
1

R42588

PIPE

- exhaust, use with D22864 outlet

1шт.

2

A13240

CLAMP,2-5/8" ID

- exhaust pipe

1шт.

3

13-616

BOLT,Hex, 3/8" - 16 x 1", Gr 5, Full Thd

2шт.

4

92-6

LOCK WASHER,3/8"

2шт.

5

D22864

OUTLET

- exhaust

1шт.

6

G46853

MANIFOLD GASKET

- exhaust

1шт.

7

D45256

MUFFLER,W/ Spark Arrester

- spark arresting, Includes: Ref. 8

1шт.

8

A13240

CLAMP,2-5/8" ID

- muffler

1шт.

9

D33535

PIPE

- exhaust extension

1шт.

10

A27115

CLAMP

-, Serial Range: pipe-muffler

1шт.

11

13-616

BOLT,Hex, 3/8" - 16 x 1", Gr 5, Full Thd

2шт.

12

92-6

LOCK WASHER,3/8"

2шт.

13

D22864

OUTLET

- exhaust

1шт.

14

G46853

MANIFOLD GASKET

- outlet exhaust

1шт.

15

A27115

CLAMP

- muffler to exhaust pipe

1шт.

16

R38891

MUFFLER

- vertical style, service with R41889 muffler

1шт.

17

G46853

MANIFOLD GASKET

- outlet

1шт.

18

13-616

BOLT,Hex, 3/8" - 16 x 1", Gr 5, Full Thd

2шт.

19

92-6

LOCK WASHER,3/8"

2шт.

20

R25522

MUFFLER

- exhaust, horizontal style

1шт.

21

G46853

MANIFOLD GASKET

- outlet

2шт.

22

13-616

BOLT,Hex, 3/8" - 16 x 1", Gr 5, Full Thd

2шт.

23

92-6

LOCK WASHER,3/8"

2шт.

24

R34556

SUPPORT

BRACKET - mounting, muffler

1шт.

25

13-512

BOLT,Hex, 5/16" - 18 x 3/4", Gr 5

2шт.

26

92-5

LOCK WASHER,5/16"

WASHER - lock, 5/16"

2шт.

27

9635082

NUT,5/16" - 18, Gr 5

- hex, 5/16" - 18 NC

2шт.

28

13-624

BOLT,Hex, 3/8" - 16 x 1-1/2", Gr 5

- hex, 3/8" - 16 NC x 1-1/2"

2шт.

29

195-25

WASHER,3/8"

- flat, 3/8"

2шт.

30

131-903

NUT,3/8"-16

NUT - hex, 3/8" - 16 NC, Seez Proof

2шт.

31

R41889

MUFFLER

- vertical style

1шт.

Выбрано товаров: 31