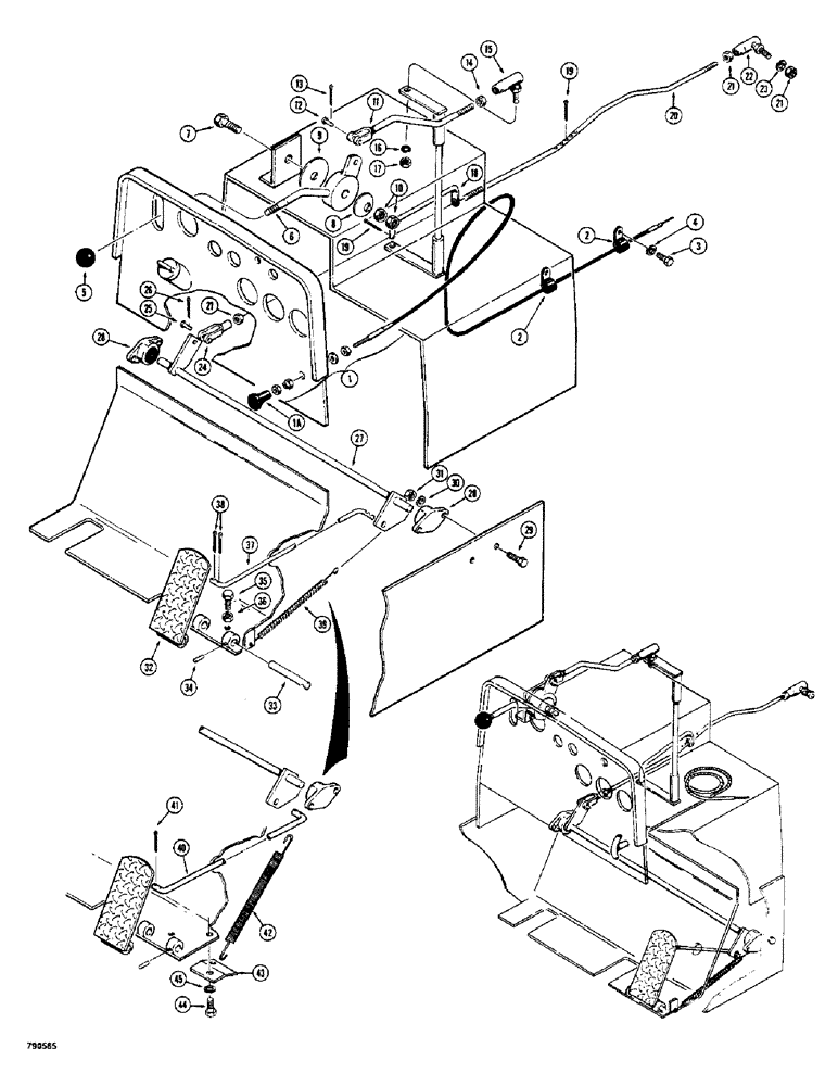
Запчасти Case 350 (056) - THROTTLE CONTROL LINKAGE (01) - ENGINE

Схема запчастей Case 350 - (056) - THROTTLE CONTROL LINKAGE (01) - ENGINE
7
37
32
35
26
43
29
8
2
31
13
39
42
40
5
27
14
19
1
17
21
6
22
38
25
1a
16
41
11
4
36
21
21
45
23
30
34
28
44
3
33
2
18
28
20
15
12
19
24
10
9
FIT
1:1
100%

Артикул

Название

Примечание

Количество

1

R42067

CABLE

CONTROL - engine shutoff, fuel, Includes: Ref. 1A

1шт.

1a

L33717

KNOB

- engine shutoff control

1шт.

2

515-23127

CLAMP,1/2", Insul, 3/8" Bolt

- engine shutoff cable

2шт.

3

13-48

BOLT,Hex, 1/4" - 20 x 1/2", Gr 5

1шт.

4

92-4

LOCK WASHER,1/4"

WASHER, LOCK, 1/4"

1шт.

5

D49996

KNOB

- throttle lever

1шт.

6

D50241

LEVER

- throttle

1шт.

7

13-836

BOLT,Hex, 1/2" - 13 x 2-1/4", Gr 5

- hex, 1/2" - 13 NC x 2-1/4"

1шт.

8

R14771

WASHER

- special, Belleville

1шт.

9

R15071

DISC

- friction

1шт.

10

25-148

JAM NUT,Jam, 1/2"-13, G5

- hex, lock, 1/2"-13 NC

2шт.

11

D33925

ROD

- throttle lever

1шт.

12

141-3

CLEVIS PIN,5/16" x .940"

PIN, CLEVIS, 5/16" x .940"

1шт.

13

132-25

COTTER PIN,3/32" x 5/8"

Pin, Split (Cotter), 3/32" x 5/8"

1шт.

14

25-115

NUT,5/16"-24, G5

- hex, 5/16"-24 NF

1шт.

15

A19105

BALL JOINT

- adjustable

1шт.

16

92-5

LOCK WASHER,5/16"

WASHER - lock, 5/16"

1шт.

17

25-115

NUT,5/16"-24, G5

- hex, 5/16"-24 NF

1шт.

18

D26783

LINK

- throttle lever

1шт.

19

132-25

COTTER PIN,3/32" x 5/8"

Pin, Split (Cotter), 3/32" x 5/8"

2шт.

20

D33225

ROD

- throttle

1шт.

21

25-114

NUT,1/4"-28, G5

- hex, 1/4" - 28 NF

3шт.

22

A10329

BALL JOINT,1/4" - 28 x 1"

- adjustable

1шт.

23

92-4

LOCK WASHER,1/4"

WASHER, LOCK, 1/4"

1шт.

24

213-2

ADJUSTABLE CLEVIS,1/4"-28 x 2"

YOKE - end, adjustable

1шт.

25

141-2

CLEVIS PIN,1/4" x .770"

PIN - clevis, 1/4"

1шт.

26

132-5

COTTER PIN,1/16" x 1/2"

Pin, Split (Cotter), 1/16" x 1/2"

1шт.

27

D33224

CONTROL BLOCK

SHAFT - pivot, foot throttle

1шт.

28

D33219

FLANGE

BEARING - pivot shaft, before tractor sn 3052701

2шт.

28

R29593

FLANGED BEARING,1.125" OD x 0.562"

BEARING - pivot shaft, tractor sn 3052701 and after

2шт.

29

13-616

BOLT,Hex, 3/8" - 16 x 1", Gr 5, Full Thd

D33219 bearing Hex, 3/8"-16 x 1", G5, Full Thd

4шт.

29

13-410

BOLT,Hex, 1/4" - 20 x 5/8", Gr 5, Full Thd

R29593 bearing Hex, 1/4"-20 x 5/8", G5, Full Thd

4шт.

30

92-4

LOCK WASHER,1/4"

WASHER, LOCK, 1/4"

4шт.

30

92-6

LOCK WASHER,3/8"

4шт.

31

25-104

NUT,1/4"-20, G5

4шт.

31

25-106

NUT,3/8"-16, G5

- hex, 3/8" - 16 NC

4шт.

32

D48465

PEDAL

- before tractor sn 3065712

1шт.

32

R40681

PEDAL ASSY.

PEDAL - tractor sn 3065712 and after

1шт.

33

R17364

SHAFT

- foot throttle

1шт.

34

135-737

GROOVED PIN,5/32" x 1", Type E

PIN, GROOVED, , Shaft 5/32" x 1", Type E

1шт.

35

13-832

BOLT,Hex, 1/2" - 13 x 2", Gr 5

1шт.

36

25-148

JAM NUT,Jam, 1/2"-13, G5

- hex, lock, 1/2"-13 NC

1шт.

37

D48464

ROD - foot throttle to pivot shaft, used before tractor sn 3043118

1шт.

38

132-25

COTTER PIN,3/32" x 5/8"

Pin, Split (Cotter), , Used before tractor S/N 3043118 3/32" x 5/8"

4шт.

39

D42889

SPRING

- throttle return, used before tractor sn 3043118

1шт.

40

D51753

ROD

- used before tractor sn 3065712, used tractor sn 3043118 and after

1шт.

40a

R40680

ROD - used tractor sn 3065712 and after, used tractor sn 3043118 and after

1шт.

41

136-157

COTTER PIN,Int, 9/64" x .054"

PIN - cotter, 1/4" diameter x 2-1/2", used tractor sn 3043118 and after

2шт.

42

D42889

SPRING

- throttle return, used tractor sn 3043118 and after

1шт.

43

D51754

ANCHOR - throttle spring, used tractor sn 3043118 and after

1шт.

44

13-616

BOLT,Hex, 3/8" - 16 x 1", Gr 5, Full Thd

Used tractor S/N 3043118 and after Hex, 3/8"-16 x 1", G5, Full Thd

1шт.

45

92-6

LOCK WASHER,3/8"

used tractor S/N 3043118 and after 3/8"

1шт.

Выбрано товаров: 52