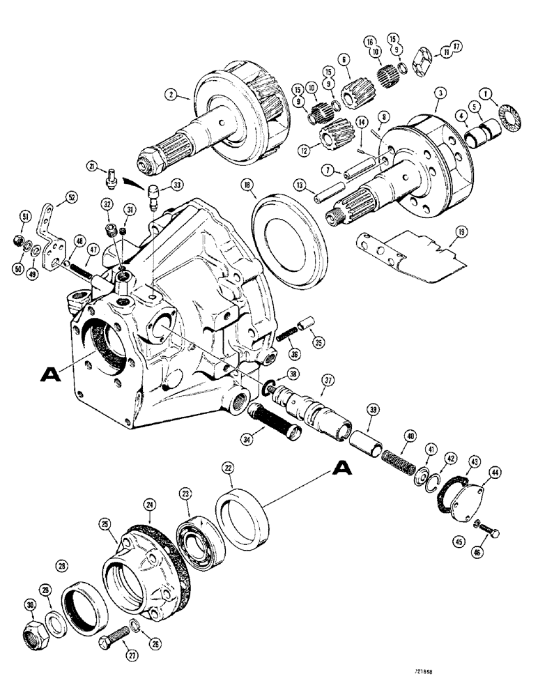
Запчасти Case 350 (126) - D48467,R24152,R29681&R35238 PWR.SHUTTLE TRANS. PINION CAGE&OUTPUT SHAFT BEFORE S/N 3065738 (03) - TRANSMISSION

Схема запчастей Case 350 - (126) - D48467,R24152,R29681&R35238 PWR.SHUTTLE TRANS. PINION CAGE&OUTPUT SHAFT BEFORE S/N 3065738 (03) - TRANSMISSION
47
7
42
9
3
2
9
12
13
50
26
27
25
17
28
29
6
43
35
15
36
16
32
38
8
21
46
15
11
18
52
10
15
34
48
19
5
45
14
24
9
37
4
49
40
10
30
33
41
51
23
1
39
44
31
22
FIT
1:1
100%

Артикул

Название

Примечание

Количество

REF

INSTRUCTION

SHUTTLE ASSEMBLY - complete, see figures 122 thru 126, 134 and 136, Includes: Ref. 1 - 42

1шт.

1

D50055

WASHER, THRUST,22.38mm ID x 44.45mm OD x 1.6mm Thk

WASHER - thrust, clutch hub

1шт.

2

D50026

SHAFT

PINION CAGE AND OUTPUT SHAFT, Includes: Ref. 3 - 18

1шт.

3

NSS

NOT SOLD SEPARAT

CAGE AND SHAFT - basic

1шт.

D50029

BUSHING

KIT - internal, Includes: Ref. 4 and 5

1шт.

4

NSS

NOT SOLD SEPARAT

BUSHING - inner (7/8" I.D. x 1" O.D. x 3/4" Long)

1шт.

5

NSS

NOT SOLD SEPARAT

BUSHING - outer (7/8" I.D. x 1" O.D. x 3/4" Long)

1шт.

D50030

GEAR

PINION KIT - inner, Includes: Ref. 6 - 11

3шт.

6

NSS

NOT SOLD SEPARAT

PINION GEAR - inner

1шт.

7

NSS

NOT SOLD SEPARAT

SHAFT - pinion

1шт.

8

NSS

NOT SOLD SEPARAT

PIN - shaft retaining

1шт.

9

NSS

NOT SOLD SEPARAT

SPACER - pinion bearing

3шт.

10

NSS

NOT SOLD SEPARAT

ROLLER - pinion

48шт.

11

NSS

NOT SOLD SEPARAT

PLATE - thrust

2шт.

D50031

KIT

PINION KIT - outer, Includes: Ref. 12 - 17

3шт.

12

NSS

NOT SOLD SEPARAT

PINION GEAR - outer

1шт.

13

NSS

NOT SOLD SEPARAT

SHAFT - pinion

1шт.

14

NSS

NOT SOLD SEPARAT

PIN - shaft retaining

1шт.

15

NSS

NOT SOLD SEPARAT

SPACER - pinion bearing

3шт.

16

NSS

NOT SOLD SEPARAT

ROLLER - pinion

48шт.

17

NSS

NOT SOLD SEPARAT

PLATE - thrust

2шт.

18

D50087

RING

- collector

1шт.

19

D50056

GUARD

BAFFLE - plate

1шт.

21

D52517

CONNECTOR, ELEC

FITTING - hose barb, R29681 and R35238 shuttles

1шт.

22

D50057

SLEEVE

- rear bearing spacer

1шт.

23

ST291

BEARING, BALL,35mm ID x 80mm OD x 21mm W

BEARING - output shaft

1шт.

24

D50058

GASKET

- bearing retainer

1шт.

25

D50059

BEARING HOUSING

RETAINER - rear bearing

1шт.

26

92-7

LOCK WASHER,7/16"

6шт.

27

13-720

BOLT,Hex, 7/16" - 14 x 1-1/4", Gr 5, Full Thd

6шт.

28

D50060

SEAL,53.98mm ID x 77.93mm OD x 13.11mm Thk

- oil, rear

1шт.

29

D50061

WASHER

- output shaft

1шт.

30

131-91

LOCK NUT,3/4"-16, G8

NUT - hex, self lock, 3/4" 16 NF

1шт.

31

221-849

PLUG,Hex Soc, 1/8"-27

- hex socket head, 1/8" NPT

2шт.

32

221-843

PLUG,Hex Soc, 3/8"-18

- hex socket head, 3/8" NPT

1шт.

33

D50062

BREATHER

- R24152 shuttle

1шт.

34

D50063

STRAINER ASSY.

STRAINER - oil, if used

1шт.

35

D50064

LOCK VALVE

VALVE - regulator, used on D48467 and R24152 shuttles

1шт.

36

D50065

VALVE SPRING

SPRING - valve, used on D48467 and R24152 shuttles

1шт.

D74520

VALVE

ASSEMBLY, Includes: Ref. 37 - 42

1шт.

37

NSS

NOT SOLD SEPARAT

BODY - valve

1шт.

38

F62075

O-RING,0.139" Thk x 0.734" ID, -210, Cl 5, 75 Duro

1шт.

39

D50089

VALVE

- pressure regulator

1шт.

40

D50090

SPRING

- valve

1шт.

41

D50091

RETAINER,9.53mm ID x 28.42mm OD x 1.34mm Thk

- spring

1шт.

42

D50092

RING

SNAP RING - spring retainer

1шт.

REF

INSTRUCTION

SHUTTLE ASSEMBLY - complete, see figures 122 thru 126, 134, and 136, Includes: Ref. 43 - 52

1шт.

43

D50066

GASKET,0.41mm Thk

- valve cover

1шт.

44

D50067

COVER

- valve

1шт.

45

92-4

LOCK WASHER,1/4"

WASHER, LOCK, 1/4"

3шт.

46

13-410

BOLT,Hex, 1/4" - 20 x 5/8", Gr 5, Full Thd

3шт.

47

D50068

VALVE SPRING

SPRING - poppet

1шт.

48

211-5

BALL,3/16" Dia

- steel, meter 3/16" Dia

1шт.

49

195-21

WASHER,5/16"

- flat, 5/16"

1шт.

50

192-160

WASHER,5/16"

- lock, 5/16"

1шт.

51

25-115

NUT,5/16"-24, G5

- hex, 5/16"-24 NF

1шт.

52

D50070

LEVER

- shift

1шт.

Выбрано товаров: 57