Запчасти Case 350 (138) - TRANSMISSION, HOUSING AND CONTROLS (03) - TRANSMISSION

Схема запчастей Case 350 - (138) - TRANSMISSION, HOUSING AND CONTROLS (03) - TRANSMISSION
35
39
3
25
46
50
18
32
24
34
21
49
1
27
44
59
38
20
55
52
22
38
26
38b
45
27
23
43
57
29
24
42
58
54
41
28
16
11
26
40
47
31
33
15
3
19
17
37
56
51
37
49
13
12
48
4
30
38a
53
14
FIT
1:1
100%

Артикул

Название

Примечание

Количество

R29910

TRANSMISSION

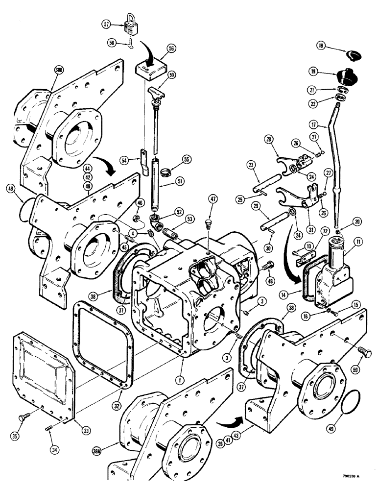
ASSEMBLY - includes parts on figures 138 thru 144, Includes: Ref. 1 - 32

1шт.

NLS

NO LONGER SERVICED

CASE ASSEMBLY - transmission, Includes: Ref. 1 - 10

1шт.

1

NSS

NOT SOLD SEPARAT

CASE - transmission

1шт.

2

11451

RING, SNAP

RING - retaining, countershaft bearing, not shown, see ref 32 figure 142

1шт.

3

221-674

DRAIN PLUG,Sq Hd, 1/2" NPT

PLUG - drain, magnetic

2шт.

4

221-16

PLUG,Sq Hd, 1"-11 1/2 NPTF

- filler

1шт.

5

D29626

WASHER

- thrust, reverse idler, not shown, see ref 39 on figure 142

2шт.

6

D37370

BEARING CUP,2.6542" OD x 0.625"

CUP - bearing, not shown, see ref 23 on figure 142

1шт.

7

A31272

ROLLER BEARING,1" ID x 0.8125"

CONE - bearing, not shown, see ref 22 on figure 142

1шт.

8

D37368

CYLINDER END CAP

CAP - bearing, not shown, see ref 18 on figure 142

1шт.

9

D37369

GASKET

- cap, not shown, see ref 19 on figure 142

1шт.

10

23016

CAP

BOLT AND LOCK WASHER - cap, not shown, see ref 20 on figure 142

3шт.

D33506

SHIFTING UNIT

CONTROL ASSEMBLY - gear shift, Includes: Ref. 11 - 31

1шт.

37911

SLIDE GUIDE

COVER AND GUIDE ASSEMBLY - gear shift, Includes: Ref. 11 - 13

1шт.

11

NSS

NOT SOLD SEPARAT

COVER - control

1шт.

12

11389

PLATE

- guide, control

1шт.

13

45-414

RIVET,But Hd, 1/4" x 7/8"

- guide plate, 1/4" - 7/8"

2шт.

14

11391

GASKET

- control cover

1шт.

15

13-614

BOLT,Hex, 3/8" - 16 x 7/8", Gr 5, Full Thd

4шт.

16

92-6

LOCK WASHER,3/8"

4шт.

17

D33480

LEVER

- gear shift

1шт.

18

A26727

BALL

KNOB - gear shift lever

1шт.

19

A57876

COVER

- dust, gear shift lever

1шт.

20

A30294

PIN

- gear shift lever

1шт.

21

CAS11454

RING, SNAP

RING - retaining, gear shift lever

1шт.

22

CAS11393

WASHER

- pivot, gear shift lever

1шт.

23

11396

ROD

- shift, first and reverse

1шт.

24

D28299

WASHER

- spacer, shift rod, first and reverse

1шт.

25

R17820

AXLE PIN,4.76mm OD x 25.4mm L

PIN - lock, shift rod

1шт.

26

11403

SPRING

- mesh lock, shift fork

2шт.

27

211-11

BALL,3/8" Dia

- mesh lock, shift fork, meter 3/8" Dia

2шт.

28

11400

FORK TEDDER

FORK - shift, first and reverse

1шт.

29

11397

ROD

- shift, second and third

1шт.

30

11399

PIN

- lock, shift rod, second and third

1шт.

31

NLS

NO LONGER SERVICED

FORK - shift, second and third

1шт.

32

11429

GASKET

- transmission cover plate

1шт.

33

D21185

PLATE

- cover, transmission

1шт.

34

49882

PIN

- dowel

4шт.

35

13-720

BOLT,Hex, 7/16" - 14 x 1-1/4", Gr 5, Full Thd

11шт.

37

A28239

O-RING,0.139" Thk x 5.984" ID, -258, Cl 5, 75 Duro

- final drive spacer, 48" (1219 MM) gauge only

2шт.

38

D29309

GASKET

- final drive spacer, 60" (1524 MM) gauge and 72" (1829 MM) gauge only

2шт.

38a

D29728

SPACER - RH, 48" (1219 MM) gauge, except rops models, Serial Range: -3050472

1шт.

38a

R35305

SPACER

- RH, 60" (1524 MM) gauge, except rops models, Serial Range: -3050472

1шт.

38a

R35307

SPACER

- RH, 72" (1829 MM) gauge, except rops models, Serial Range: -3050472

1шт.

38b

D29729

SPACER - LH, 48" (1219 MM) gauge, except rops models, Serial Range: -3050472

1шт.

38b

R35306

SPACER

- LH, 60" (1524 MM) gauge, except rops models, Serial Range: -3050472

1шт.

38b

R35308

SPACER

- LH, 72" (1829 MM) gauge, except rops models, Serial Range: -3050472

1шт.

39

R35303

SPACER

- RH, 48" (1219 MM) gauge, models w/ rops, Serial Range: -3050472

1шт.

39

R35303

SPACER

- RH, 48" (1219 MM) gauge, all models, Start Serial: 3050742

1шт.

40

R35304

SPACER

- LH, 48" (1219 MM) gauge, models w/ rops, Serial Range: -3050472

1шт.

40

R35304

SPACER

- LH, 48" (1219 MM) gauge, all models, Start Serial: 3050742

1шт.

41

R35305

SPACER

- RH, 60" (1524 MM) gauge, models w/ rops, Serial Range: -3050472

1шт.

41

R35305

SPACER

- RH, 60" (1524 MM) gauge, all models, Start Serial: 3050742

1шт.

42

R35306

SPACER

- LH, 60" (1524 MM) gauge, models w/ rops, Serial Range: -3050472

1шт.

42

R35306

SPACER

- LH, 60" (1524 MM) gauge, all models, Start Serial: 3050742

1шт.

43

R35307

SPACER

- RH, 72" (1829 MM) gauge, models w/ rops, Serial Range: -3050472

1шт.

43

R35307

SPACER

- RH, 72" (1829 MM) gauge, all models, Start Serial: 3050742

1шт.

44

R35308

SPACER

- LH, 72" (1829 MM) gauge, models w/ rops, Serial Range: -3050472

1шт.

44

R35308

SPACER

- LH, 72" (1829 MM) gauge, all models, Start Serial: 3050742

1шт.

45

46505

STUD

- final drive spacer, used on all models

12шт.

46

131-675

LOCK NUT,9/16"-18, GB

NUT - hex, self lock, 9/16" - 18 NF, used on all models

12шт.

47

13-916

BOLT,Hex, 9/16" - 12 x 1", Gr 5

- hex, 9/16" - 12 NC x 1", used on all models

4шт.

48

13-1020

BOLT,Hex, 5/8" - 11 x 1-1/4", Gr 5, Full Thd

Used on all models Hex, 5/8"-11 x 1 1/4", G5, Full Thd

1шт.

49

A27507

O-RING,0.139" Thk x 3.984" ID, -242, Cl 5, 75 Duro

- final drive, used on all models

2шт.

D38931

FILLER

KIT - transmission dipstick and filler tube, used on all models, Includes: Ref. 50 - 53

1шт.

50

D38929

DIPSTICK

- transmission, used on all models

1шт.

51

D38928

TUBE

- filler, used on all models

1шт.

52

221-385

ELBOW

- 90 degree, female, used on all models

1шт.

53

221-190

PIPE,Nipple, 1/2" NPT x 2"

NIPPLE - pipe, used on all models

1шт.

54

D44505

STRAP - transmission dipstick lockup, used on all models

1шт.

55

214-256

HOSE CLAMP,#20, 0.81" - 1.75", Type F Worm

CLAMP - lockup strap, used on all models

1шт.

56

D44502

LOCK

CAP - tranmission dipstick lockup, used on all models

1шт.

57

R29556

LOCK

PADLOCK - transmission dipstick, includes key, used on all models, Includes: Ref. 59

1шт.

58

R29555

KEY

- padlock, used on all models

2шт.

59

13-1224

BOLT,Hex, 3/4" - 10 x 1-1/2", Gr 5

Used on all models Hex, 3/4"-10 x 1 1/2", G5

4шт.

Выбрано товаров: 75