Запчасти Case 350 (352) - LOADER FRAME AND CYLINDERS (05) - UPPERSTRUCTURE CHASSIS

Схема запчастей Case 350 - (352) - LOADER FRAME AND CYLINDERS (05) - UPPERSTRUCTURE CHASSIS
46
2
26
34
53
8a
72
50
62
75
22
63
14
3
29
49
43
1
58
16
2
52
19
27
39
61
5
18
26
25
48
24
41
38
47
27
60
30
10
42
31
45
53
68
7
7
74
16
51
6
35
48
71
34
32
63
54
59
19
17
55
24
15
36
33
65
73
37
16
9
13
8
8a
61
4
22
21
67
54
64
70
62
66
28
11
12
56
69
FIT
1:1
100%

Артикул

Название

Примечание

Количество

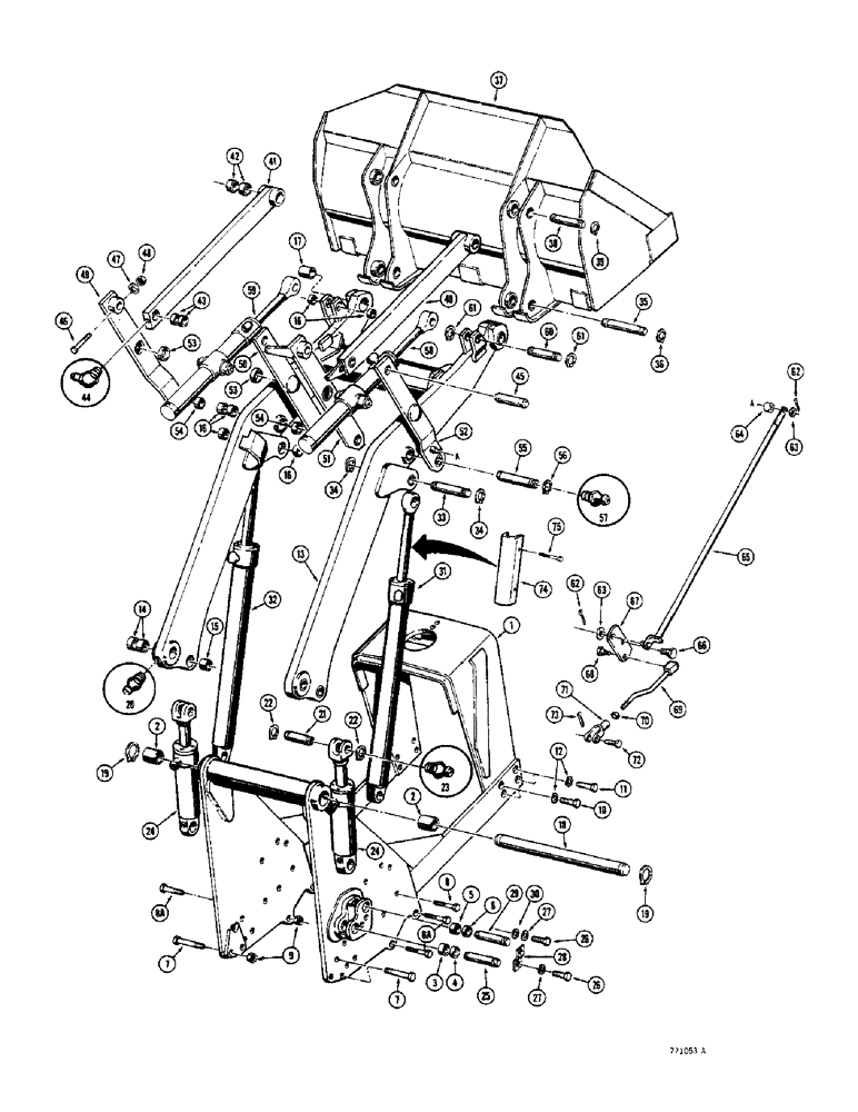
1

R24037

FRAME

- loader, use R42564 frame, (2) D57285 light seals, and (2) D57288 light retainers, Includes: Ref. 2 - 6, Serial Range: -3054401

1шт.

Serial number applies to production models only.

1шт.

1

R31448

FRAME

- loader, Includes: Ref. 2 - 6, Start Serial: 3054401

1шт.

Serial number applies to production models only.

1шт.

2

D31142

BUSHING,51.02mm ID x 63.5mm OD x 38.1mm L

- lift arm pivot

2шт.

3

D33827

BUSHING,31.98mm ID x 41.27mm OD x 31.8mm L

- hydra-leveling cylinder anchor, inner

2шт.

4

D32789

BUSHING,31.98mm ID x 41.27mm OD x 19.05mm L

- hydra-leveling cylinder anchor, outer

2шт.

5

D30933

BUSHING,38.41mm ID x 47.63mm OD x 31.75mm L

- lift cylinder anchor, inner

2шт.

6

D32919

BUSHING,38.4mm ID x 47.63mm OD x 19.05mm L

- lift cylinder anchor, outer

2шт.

7

13-1248

BOLT,Hex, 3/4" - 10 x 3", Gr 5

6шт.

8

13-1244

BOLT,Hex, 3/4" - 10 x 2-3/4", Gr 5

2шт.

8a

13-1236

BOLT,Hex, 3/4" - 10 x 2-1/4", Gr 5

4шт.

9

25-1012

NUT,3/4"-10, G5

6шт.

10

13-824

BOLT,Hex, 1/2" - 13 x 1-1/2", Gr 5, Full Thd

4шт.

11

13-828

BOLT,Hex, 1/2" - 13 x 1-3/4", Gr 5

- hex, 1/2" - 13 NC x 1-3/4"

4шт.

12

92-8

LOCK WASHER,1/2"

8шт.

13

R39207

ARM

- loader, lift, Includes: Ref. 14 - 17

1шт.

14

D30756

BUSHING,51.02mm ID x 63.5mm OD x 31.8mm L

- lift arm, rear pivot

4шт.

15

D33827

BUSHING,31.98mm ID x 41.27mm OD x 31.8mm L

- hydra-leveling cylinder pivot

2шт.

16

D32919

BUSHING,38.4mm ID x 47.63mm OD x 19.05mm L

- lift cylinder pivot and dump link pivot

12шт.

17

D33094

BUSHING

- bucket pivot

2шт.

18

D33145

SHAFT - lift arm rear pivot

1шт.

19

D26919

SNAP RING,#200, Ext

Ring, Snap, , D33145 pivot shaft #200, Ext

2шт.

20

219-1

LUBE NIPPLE,1/8" - 27 NPTF

GREASE FITTING - straight, 1/8" NPT

2шт.

21

D33833

AXLE PIN

PIN - mounting, hydra-levelling cylinder to lift arm

2шт.

22

D26918

SNAP RING,#125, Ext

Ring, Snap, , D33833 mounting pin #125, Ext

4шт.

23

219-1

LUBE NIPPLE,1/8" - 27 NPTF

GREASE FITTING - straight, 1/8" NPT

2шт.

24

REF

INSTRUCTION

CYLINDER - hydra-leveling, see figure 220 for cylinders

2шт.

25

D33150

HEADED PIN

PIN - mounting, hydra-leveling cylinder to loader frame

2шт.

26

13-1016

BOLT,Hex, 5/8" - 11 x 1", Gr 5, Full Thd

4шт.

27

92-10

LOCK WASHER,5/8"

WASHER, LOCK, 5/8"

4шт.

28

D33981

BRACKET

- retaining, D33150 mounting pin

2шт.

29

D33144

PIN - mounting, lift cylinder to loader frame

2шт.

30

70523

WASHER,16.67mm ID x 47.63mm OD x 6.35mm Thk

- retaining, D33144 mounting pin

2шт.

31

REF

INSTRUCTION

CYLINDER - lift, RH, see figure 220 for cylinders

1шт.

32

REF

INSTRUCTION

CYLINDER - lift, LH, see figure 220 for cylinders

1шт.

33

D33142

PIVOT PIN

PIN - mounting, lift cylinder to lift arm

2шт.

34

D25279

SNAP RING,M35, Int

- D33142 mounting pin

4шт.

35

D33146

AXLE PIN

PIN - mounting, bucket to lift arm

2шт.

36

D25280

SNAP RING,#175, Ext

Ring, Snap, , D33146 mounting pin #175, Ext

4шт.

37

REF

INSTRUCTION

BUCKET - loader, parts list figure 356

1шт.

38

D32931

PIN

- mounting, bucket to dump arm

2шт.

39

D25279

SNAP RING,M35, Int

- D32931 mounting pin

4шт.

40

D33124

DRAG LINK

ARM - dump, RH, Includes: Ref. 42 and 43

1шт.

41

D33125

ARM - dump, LH, Includes: Ref. 42 and 43

1шт.

42

D30929

BUSHING,38.33mm ID x 47.63mm OD x 38.1mm L

- dump arms, bucket end

2шт.

43

D33127

BUSHING,38.33mm ID x 47.63mm OD x 12.7mm L

- dump arms, dump link end

2шт.

44

219-55

LUBE NIPPLE,90 Degree Elbow, 1/8" - 27 NPTF

NIPPLE, LUBE, 90º, 1/8" NPT x .84" lg

2шт.

45

D33148

AXLE PIN

PIN - mounting, dump arm to dump link

2шт.

46

13-860

BOLT,Hex, 1/2" - 13 x 3-3/4", Gr 5

4шт.

47

92-8

LOCK WASHER,1/2"

4шт.

48

25-108

NUT,1/2"-13, G5

- hex, 1/2" - 13 NC

4шт.

49

D49243

DRAG LINK

LINK - dump, outer LH, Includes: Ref. 53 and 54

1шт.

50

D49242

DRAG LINK

LINK - dump, inner LH, Includes: Ref. 53 and 54

1шт.

51

D49245

LINK - dump, inner RH, Includes: Ref. 53 and 54

1шт.

52

D49244

DRAG LINK

LINK - dump, outer RH, Includes: Ref. 53 and 54

1шт.

53

D31512

BUSHING,47.75mm ID x 57.15mm OD x 19.05mm L

- center, all dump links

1шт.

54

D32919

BUSHING,38.4mm ID x 47.63mm OD x 19.05mm L

- lower, all dump links

1шт.

55

D34656

PIN,38.1mm OD x 101.6mm L

- mounting, dump link to lift arm

2шт.

56

D25279

SNAP RING,M35, Int

- mounting pin

4шт.

57

219-1

LUBE NIPPLE,1/8" - 27 NPTF

GREASE FITTING - straight, 1/8" NPT

2шт.

58

REF

INSTRUCTION

CYLINDER - bucket, RH, see figure 220 for cylinders

1шт.

59

REF

INSTRUCTION

CYLINDER - bucket, LH, see figure 220 for cylinders

1шт.

60

D33140

AXLE PIN

PIN - mounting, dump cylinder to lift arm

2шт.

61

D25279

SNAP RING,M35, Int

- D33140 mounting pin

4шт.

62

132-46

COTTER PIN,1/8" x 3/4"

Pin, Split (Cotter), , Anti-rollback 1/8" x 3/4"

2шт.

63

195-33

WASHER,1/2"

- flat, , anti-rollback 1/2"

2шт.

64

D43923

SPACER

- rollback, link to RH dump link, if used, anti-rollback

1шт.

65

D49611

LINK - anti-rollback

1шт.

66

A14265

STUD

BOLT - special, anti-rollback

1шт.

67

D43782

LINK

- pivot, anti-rollback

1шт.

68

D43780

BOLT (SPREADER)

BOLT - special, anti-rollback

1шт.

69

D46102

ROD

- adjusting, anti-rollback

1шт.

70

25-116

NUT,Hex, 3/8"-24, G5

- hex, 3/8" - 24 NF, anti-rollback

1шт.

71

213-4

ADJUSTABLE CLEVIS,3/8"-24 x 2 1/2"

YOKE - clevis, anti-rollback

1шт.

72

141-4

CLEVIS PIN,3/8" x 1.060"

PIN, CLEVIS, , Anti-rollback 3/8" x 1.060"

1шт.

73

132-25

COTTER PIN,3/32" x 5/8"

Pin, Split (Cotter), , Anti-rollback 3/32" x 5/8"

1шт.

74

R38895

STRUT - safety strut, use on right hand lift arm only

1шт.

75

13-1056

BOLT,Hex, 5/8" - 11 x 3-1/2", Gr 5

- hex, 5/8" - 11 NC x 2-1/2", safety strut, use on right hand lift arm only

2шт.

Выбрано товаров: 79