Запчасти Case 350 (360) - D51664 4-IN-1 BUCKET (05) - UPPERSTRUCTURE CHASSIS

Схема запчастей Case 350 - (360) - D51664 4-IN-1 BUCKET (05) - UPPERSTRUCTURE CHASSIS
23
14
10
24
8
1
37
38
42
37
24
29
43
10
33
6
17
45
4
32
23
13
21
38
39
28
9
44
25
22
20a
2
17
40
36
30
30
12
27
16
41
7
3
35
31
32
31
39
33
5
15
26
3
34
FIT
1:1
100%

Артикул

Название

Примечание

Количество

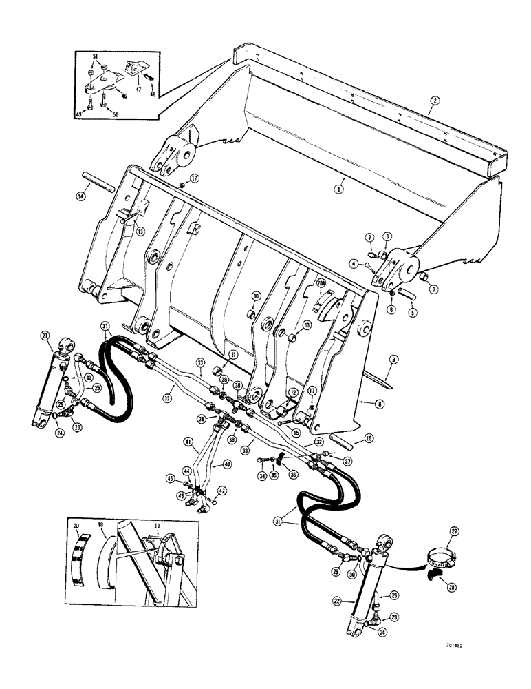
D51664

BUCKET ASSEMBLY - machinery item, see Figure 2 for ordering, Includes: Ref. 1 - 17

1шт.

D51663

CLAM ASSEMBLY - complete, Includes: Ref. 1 - 3

1шт.

1

NSS

NOT SOLD SEPARAT

CLAM - bucket

1шт.

2

D51885

EDGE

CUTTING EDGE - one-piece

1шт.

3

D31140

BUSHING,38.33mm ID x 47.63mm OD x 25.4mm L

- pivot

4шт.

4

13-656

BOLT,Hex, 3/8" - 16 x 3-1/2", Gr 5

- hex, 3/8" - 16 NC x 3-1/2"

2шт.

5

D51392

PIN,31.72mm OD x 101.6mm L

- cylinder mounting, upper

2шт.

6

131-352

LOCK NUT,3/8"-16, GA

NUT - hex, self lock, 3/8" - 16 NC

2шт.

7

219-1

LUBE NIPPLE,1/8" - 27 NPTF

GREASE FITTING - straight, 1/8" NPT

2шт.

D51665

BLADE ASSEMBLY - complete, Includes: Ref. 8 - 12

1шт.

8

NSS

NOT SOLD SEPARAT

BLADE - bucket

1шт.

9

D51678

EDGE, CUTTING

CUTTING EDGE - clam

1шт.

10

D32919

BUSHING,38.4mm ID x 47.63mm OD x 19.05mm L

- upper

4шт.

11

D33047

BUSHING,44.68mm ID x 53.98mm OD x 22.23mm L

- lower, inner

2шт.

12

D33054

BUSHING

- lower, outer

2шт.

13

13-664

BOLT,Hex, 3/8" - 16 x 4", Gr 5

2шт.

14

D51391

PIN,15mm OD x 74mm L

, Serial Range: clam-blade

2шт.

15

13-644

BOLT,Hex, 3/8" - 16 x 2-3/4", Gr 5

- hex, 3/8" - 16 NC x 2-3/4"

2шт.

16

D51393

PIN,31.72mm OD x 152.4mm L

Cylinder mounting, lower

2шт.

17

131-352

LOCK NUT,3/8"-16, GA

NUT - hex, self lock, 3/8" - 16 NC

4шт.

17a

321-1708

DECAL

- clam opening

1шт.

18

D51816

PLATE

INDICATOR - bucket position

1шт.

19

D51726

PIN

POINTER - bucket position

1шт.

20

321-1707

DECAL

- bucket position

1шт.

21

REF

INSTRUCTION

CYLINDER - clam, left hand, see Figure 222 for cylinders

1шт.

22

REF

INSTRUCTION

CYLINDER - clam, right hand, see Figure 222 for cylinders

1шт.

23

218-5107

90 ELBOW,90 Degree Elbow, 7/8" - 14 Male JIC x 7/8" - 14 Male ORB

GREASE FITTING - male, 90 degree, Incl. Ref. 24

2шт.

24

237-6010

O-RING,0.097" Thk x 0.755" ID, -910, Cl 6, 90 Duro

- elbow

1шт.

25

D51619

TUBE

- left hand cylinder, closed end

1шт.

26

D51621

TUBE

- right hand cylinder, closed end

1шт.

27

214-267

HOSE CLAMP,#64, 3.56" - 4.5", Type F Worm

CLAMP - tube

2шт.

28

D38648

BLOCK

CUSHION - rubber

2шт.

29

218-5137

ELBOW,45 Degree Elbow, 7/8" - 14 Male JIC x 7/8" - 14 Male ORB

GREASE FITTING - 45 degree, Incl. Ref 30

2шт.

30

237-6010

O-RING,0.097" Thk x 0.755" ID, -910, Cl 6, 90 Duro

1шт.

31

D27984

HOSE,12.7mm ID x 660.4mm L, SAE 100R2

- hydraulic, 26" (660.4 MM) long

4шт.

32

D51733

TUBE

- hydraulic, right hand upper and left hand lower

2шт.

33

D51731

TUBE

- hydraulic, right hand lower and left hand upper

2шт.

34

13-624

BOLT,Hex, 3/8" - 16 x 1-1/2", Gr 5

- hex, 3/8" - 16 NC x 1-1/2"

2шт.

35

92-6

LOCK WASHER,3/8"

2шт.

36

D40236

CLAMP

- tube

2шт.

37

D33552

BUSHING

SPACER - clamp

2шт.

38

218-1237

TEE,7/8"-14, 37 Degree, Blkhd

- bulk head

2шт.

39

218-1251

BHD LOCK NUT,Blkhd, 7/8"-14

NUT, LOCK, Blkhd, 7/8"-14

2шт.

40

D51617

TUBE

- vertical, right hand

1шт.

41

D51615

TUBE

- vertical, left hand

1шт.

42

13-516

BOLT,Hex, 5/16" - 18 x 1", Gr 5

1шт.

43

38188

CLAMP

- tube

2шт.

44

92-5

LOCK WASHER,5/16"

WASHER - lock, 5/16"

1шт.

45

9635082

NUT,5/16" - 18, Gr 5

- hex, 5/16" - 18 NC

1шт.

D50780

TOOTH

ASSEMBLY - bucket, optional, Includes: Ref. 46 - 48

6шт.

46

NSS

NOT SOLD SEPARAT

SHANK - tooth

1шт.

47

D51750

BUCKET TOOTH POINT

POINT - tooth

1шт.

48

D39094

BUCKET TOOTH KEY

PIN - flex

1шт.

49

113-633

SCREW

BOLT - hex, 5/8" - 11 NC x 2-1/4", bucket teeth, optional

6шт.

50

113-645

X

BOLT - hex, 5/8" - 11 NC x 2-1/2", bucket teeth, optional

6шт.

51

25-1010

NUT,5/8"-11, G5

Bucket teeth, optional 5/8"-11, G5

12шт.

Выбрано товаров: 0