Запчасти Case 350B (080) - COLD START SYSTEM (06) - ELECTRICAL SYSTEMS

Схема запчастей Case 350B - (080) - COLD START SYSTEM (06) - ELECTRICAL SYSTEMS
FIT
1:1
100%

Артикул

Название

Примечание

Количество

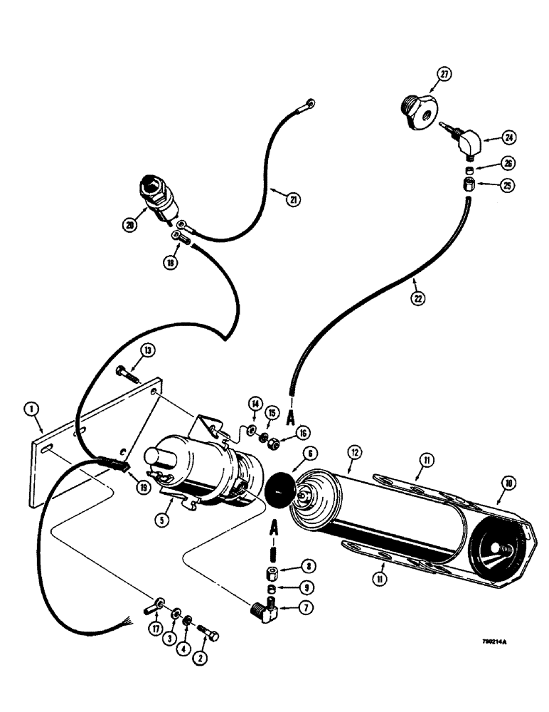
1

R42253

PLATE - mounting, valve assembly

1шт.

2

13-412

BOLT,Hex, 1/4" - 20 x 3/4", Gr 5, Full Thd

2шт.

3

195-18

WASHER,1/4"

- flat, 1/4"

2шт.

4

92-4

LOCK WASHER,1/4"

WASHER, LOCK, 1/4"

2шт.

A143381

SOLENOID

VALVE ASSEMBLY - ether injection, Includes: Ref. 5 - 10

1шт.

5

NSS

NOT SOLD SEPARAT

VALVE - ether injection

1шт.

6

R30786

GASKET

- fluid container

1шт.

7

222-615

ELBOW,90 Degree, 5/16"-24 x 1/8" NPT, Comp

1шт.

8

222-660

FLANGE NUT,5/16"-24, 45 Degree Fl, Comp

1шт.

9

222-650

SLEEVE,1/8" Tube, Comp

1шт.

10

D77648

BAIL

HOLDER - fluid container

1шт.

11

R30812

LINK

- holder extension

2шт.

12

B17072

START SPRAY FLUID

CAN - ether, 16 fluid ounces (473 ML)

1шт.

13

13-516

BOLT,Hex, 5/16" - 18 x 1", Gr 5

2шт.

14

195-21

WASHER,5/16"

- flat, 5/16"

2шт.

15

92-5

LOCK WASHER,5/16"

2шт.

16

9635082

NUT,5/16" - 18, Gr 5

- hex, 5/16"

2шт.

17

NSS

NOT SOLD SEPARAT

TERMINAL - wire, at solenoid, 5/16", buy locally

1шт.

18

NSS

NOT SOLD SEPARAT

TERMINAL - wire, at switch, no. 10, buy locally

1шт.

19

R29794

CABLE

WIRE ASSEMBLY -, Serial Range: switch-solenoid

1шт.

20

D34924

SWITCH

- push button, ether injection

1шт.

21

F21342

ELECTRICAL WIRE

WIRE - switch, ground, to ignition switch

1шт.

22

37216

TUBE - nylon, 6" (152 mm) long

1шт.

23

RESERVED

1шт.

R36920

INJECTOR ASSY.

INJECTOR ASSEMBLY - ether, Includes: Ref. 24 - 26

1шт.

24

NSS

NOT SOLD SEPARAT

INJECTOR - ether

1шт.

25

222-110

TUBE NUT,3/8"-24

NUT - compression

1шт.

26

222-100

TUBE NUT,1/8" Tube

SLEEVE - compression

1шт.

27

L10283

PLUG

- intake manifold

1шт.

Выбрано товаров: 29