Запчасти Case 350B (146) - EQUIPMENT HYD CIRCUIT, CONTROL VALVE TO RESERVOIR, MODELS W/ MARVEL FILTER - BEFORE TRAC. SN 3073926 (07) - HYDRAULIC SYSTEM

Схема запчастей Case 350B - (146) - EQUIPMENT HYD CIRCUIT, CONTROL VALVE TO RESERVOIR, MODELS W/ MARVEL FILTER - BEFORE TRAC. SN 3073926 (07) - HYDRAULIC SYSTEM
FIT
1:1
100%

Артикул

Название

Примечание

Количество

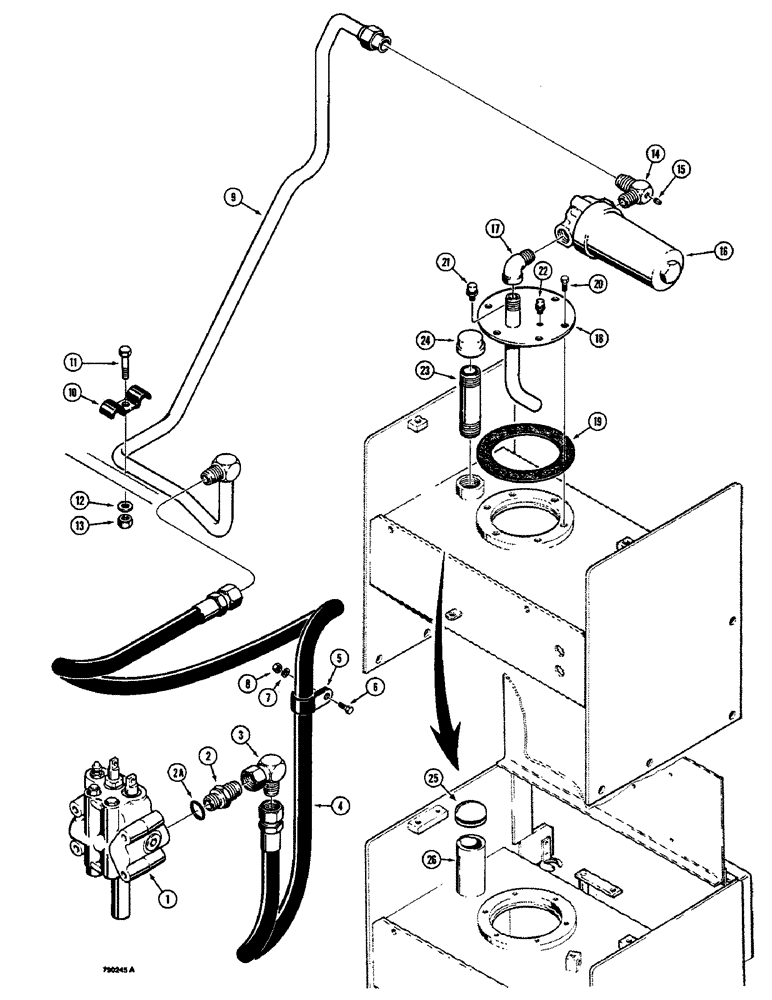
1

REF

INSTRUCTION

CONTROL VALVE - equipment, for correct assembly and components see figures 206-214

1шт.

2

D2889-

CONNECTOR - straight, Includes: Ref. 2A

1шт.

2a

218-5008

O-RING,0.116" Thk x 0.924" ID, -912, Cl 6, 90 Duro

- connector

1шт.

3

218-5234

ELBOW,90 Degree, 1 5/16"-12, 37 Degree x 1 5/16"-12, 37 Degree Fem Sw

- 90 degree, adjustable

1шт.

4

R46137

HOSE ASSY.

HOSE - return, 3/4" ID x 30" (762 mm) long

1шт.

5

D40471

CLAMP

- hose

1шт.

6

13-620

BOLT,Hex, 3/8" - 16 x 1-1/4", Gr 5, Full Thd

1шт.

7

92-6

LOCK WASHER,3/8"

1шт.

8

25-106

NUT,3/8"-16, G5

- hex, 3/8" - 16 NC

1шт.

9

R47467

TUBE ASSY.

TUBE, Serial Range: --filter

1шт.

10

D42833

CLAMP

- tube

1шт.

11

13-732

BOLT,Hex, 7/16" - 14 x 2", Gr 5

1шт.

12

95-7

WASHER,7/16"

- flat, 7/16"

1шт.

13

231-1447

NUT,7/16"-14, GB

NUT, LOCK, 7/16"-14, GB

1шт.

14

R43483

ELBOW - 90 degree

1шт.

15

221-11

PLUG,Sq Hd, 1/8"-27

- square head, 1/8" NPT

1шт.

16

D43567

FILTER ASSY

- oil, Marvel, with separate inner element, parts list figure 156

1шт.

17

221-416

ELBOW,90 Degree, 1"-11 1/2, NPT

- 90 degree, street

1шт.

18

R41768

COVER - hydraulic reservoir

1шт.

19

D50547

GASKET,1.52mm Thk

- hydraulic reservoir

1шт.

20

D50550

BOLT

- hex head, self-locking, 3/8" - 16 NC

6шт.

21

R15538

VALVE

- air inlet

1шт.

22

R15536

VALVE

- relief

1шт.

23

221-269

NIPPLE - 1-1/4" NPT x 5-1/2" long, used on models with threaded filler cap, if used

1шт.

24

221-528

CAP,1 1/4" NPT

- filler, threaded, used with ref. 23 only, if used

1шт.

25

R44356

CAP

- filler, used on models with welded hydraulic reservoir filler neck, if used

1шт.

26

R44357

TUBE - filler neck, welded, if used

1шт.

Выбрано товаров: 27