Запчасти Case 350B (192) - EQUIPMENT CONTROL VALVE AND LEVERS, ONE CONTROL LEVER - TWO SPOOL VALVE LOADER MODELS ONLY (07) - HYDRAULIC SYSTEM

Схема запчастей Case 350B - (192) - EQUIPMENT CONTROL VALVE AND LEVERS, ONE CONTROL LEVER - TWO SPOOL VALVE LOADER MODELS ONLY (07) - HYDRAULIC SYSTEM
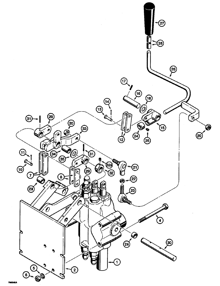
FIT
1:1
100%

Артикул

Название

Примечание

Количество

1

REF

INSTRUCTION

CONTROL VALVE - two spool, loader models, for correct assembly and components see figure 206

1шт.

2

R42423

BRACKET - mounting, Includes: Ref. 2A and 2B

1шт.

2a

A13583

BUSHING

- outer, bracket

2шт.

2b

L10818

BUSHING

- inner, bracket

2шт.

4

13-668

BOLT,Hex, 3/8" - 16 x 4-1/4", Gr 5

- hex head, 3/8" - 16 NC x 4-1/4"

4шт.

5

92-6

LOCK WASHER,3/8"

4шт.

6

25-106

NUT,3/8"-16, G5

- hex, 3/8" - 16 NC

4шт.

7

D43453

LINK

- inner, bellcrank to control valve

2шт.

8

D46075

DRAG LINK

LINK - outer, lever to control valve

2шт.

10

141-53

CLEVIS PIN,5/16" x .940"

plated 5/16" x .940"

4шт.

11

132-25

COTTER PIN,3/32" x 5/8"

PIN, Split (Cotter), 3/32" x 5/8"

4шт.

12

D43454

LINK

- at pivot lever

2шт.

13

141-53

CLEVIS PIN,5/16" x .940"

plated 5/16" x .940"

2шт.

14

132-25

COTTER PIN,3/32" x 5/8"

PIN, Split (Cotter), 3/32" x 5/8"

2шт.

15

R43118

CRANK

LEVER - pivot

1шт.

16

D46074

AXLE PIN

PIN - pivot lever

1шт.

17

138-98

LOCK PIN,3/16" x 1 1/4", Slotted

PIN, 3/16" x 1 1/4", Slotted

1шт.

18

A26411

WASHER

- flat, spacer

1шт.

20

131-1232

BOLT (MACHINE)

NUT - hex, self-locking, 3/8" - 24 NF, replaces lock washer and regular hex nut used in production on some models

2шт.

21

R47940

BALL JOINT

- female

1шт.

22

131-1232

BOLT (MACHINE)

NUT - hex, self-locking, 3/8" - 24 NF

1шт.

23

R47941

JOINT TURNING

BALL JOINT - male

1шт.

24

D46079

COLLAR

- locking, control lever

1шт.

25

83-44

SET SCREW,Hex Soc, 1/4"-20 x 1/4"

SCREW - set, 1/4" - 20 NC x 1/4", cup point

1шт.

26

D47804

LEVER

CONTROL LEVER - loader

1шт.

27

D37550

KNOB

- control lever

1шт.

28

D38662

RING

BUSHING - knob

2шт.

29

R42432

LINK ASSY.

LEVER - actuating, at mounting shaft

2шт.

30

R42436

SHAFT

- mounting, linkage

1шт.

31

138-2067

PIN,3/16" x 1", Coiled

2шт.

32

R42435

COLLAR

- locking, shaft, includes set screw, Includes: Ref. 32A

1шт.

32a

83-54

SET SCREW,Hex Soc, 5/16"-18 x 1/4", Cup Pt

1шт.

33

R42424

BELLCRANK - bucket control, Includes: Ref. 34

1шт.

34

R42425

BUSHING

- bellcrank

1шт.

35

A26411

WASHER

- flat, spacer if used

1шт.

Выбрано товаров: 35