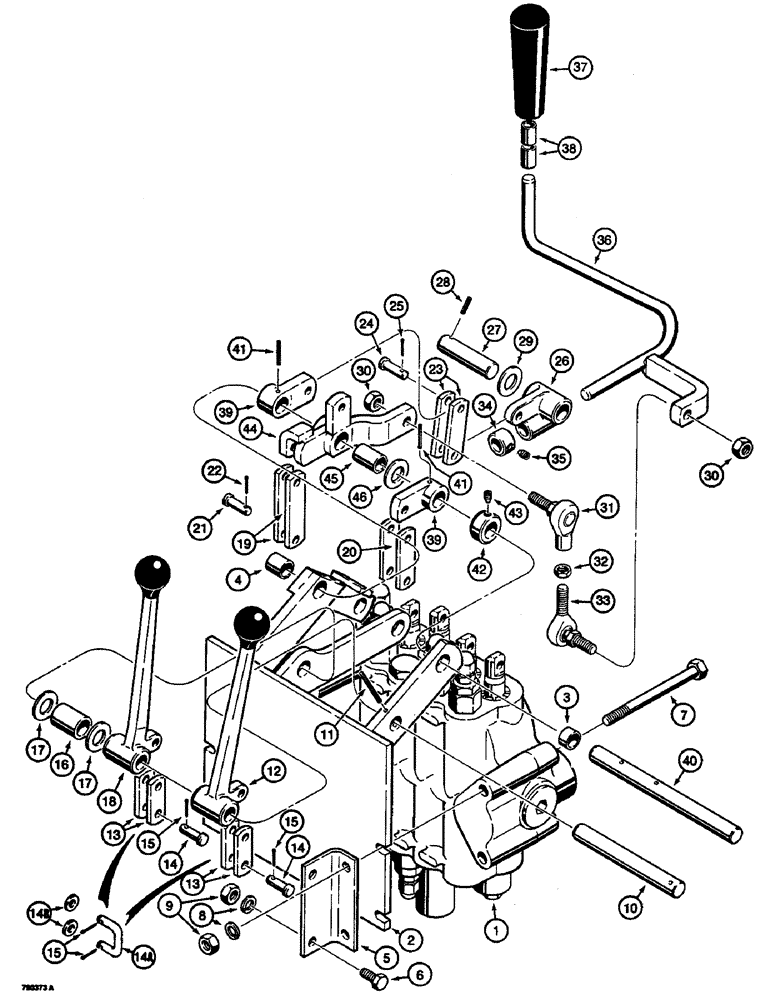
Запчасти Case 350B (196) - EQUIPMENT CONTROL VALVE AND LEVERS, THREE CONTROL LEVERS - FOUR SPOOL VALVE LOADER MODELS ONLY (07) - HYDRAULIC SYSTEM

Схема запчастей Case 350B - (196) - EQUIPMENT CONTROL VALVE AND LEVERS, THREE CONTROL LEVERS - FOUR SPOOL VALVE LOADER MODELS ONLY (07) - HYDRAULIC SYSTEM
FIT
1:1
100%

Артикул

Название

Примечание

Количество

1

REF

INSTRUCTION

CONTROL VALVE - four spool, loader models, for correct assembly and components see figure 210

1шт.

2

R42417

BRACKET - mounting, Includes: Ref. 3 and 4

1шт.

3

A13583

BUSHING

- outer, bracket

2шт.

4

L10818

BUSHING

- inner, bracket

2шт.

5

R42366

SUPPORT - mounting bracket

1шт.

6

13-612

BOLT,Hex, 3/8" - 16 x 3/4", Gr 5, Full Thd

2шт.

7

13-668

BOLT,Hex, 3/8" - 16 x 4-1/4", Gr 5

- hex head, 3/8" - 16 NC x 4-1/4"

4шт.

8

92-6

LOCK WASHER,3/8"

6шт.

9

25-106

NUT,3/8"-16, G5

- hex, 3/8" - 16 NC

6шт.

10

D34898

SHAFT

- rear, control levers

1шт.

11

138-100

LOCK PIN,3/16" x 1 1/2", Slotted

PIN, 3/16" x 1 1/2", Slotted

1шт.

12

D33254

CONTROL LEVER - rear, outer

1шт.

13

D46077

LINK

- rear control levers, straight, no longer used, replace with refs. 14A and 14B

4шт.

14

141-53

CLEVIS PIN,5/16" x .940"

plated, used with Ref 13 links only, if used 5/16" x .940"

4шт.

14a

R49010

LINK

- rear control levers, bent

2шт.

14b

195-521

WASHER,5/16", SAE

- flat, 5/16", plated, used with ref. 14A link

4шт.

15

132-331

COTTER PIN,3/32" x 5/8"

PIN, SPLIT (COTTER), , Used with either straight or bent links 3/32" x 5/8"

4шт.

16

D46080

SPACER

- control lever shaft

1шт.

17

A26411

WASHER

- flat, spacer

2шт.

18

R42369

CONTROL LEVER - rear, inner

1шт.

19

D43453

LINK

- inner, bellcrank to control valve

2шт.

20

D46075

DRAG LINK

LINK - actuating lever to control valve

2шт.

21

141-53

CLEVIS PIN,5/16" x .940"

plated 5/16" x .940"

4шт.

22

132-25

COTTER PIN,3/32" x 5/8"

PIN, Split (Cotter), 3/32" x 5/8"

4шт.

23

D43454

LINK

- at pivot lever

2шт.

24

141-53

CLEVIS PIN,5/16" x .940"

plated 5/16" x .940"

2шт.

25

132-25

COTTER PIN,3/32" x 5/8"

PIN, Split (Cotter), 3/32" x 5/8"

2шт.

26

R43118

CRANK

LEVER - pivot

1шт.

27

D46074

AXLE PIN

PIN - pivot lever

1шт.

28

138-98

LOCK PIN,3/16" x 1 1/4", Slotted

PIN, 3/16" x 1 1/4", Slotted

1шт.

29

A26411

WASHER

- flat, spacer

1шт.

30

131-1232

BOLT (MACHINE)

NUT - hex, self-locking, 3/8" - 24 NF, replaces lock washer and regular hex nut used in production on some models

2шт.

31

R47940

BALL JOINT

- female

1шт.

32

131-1232

BOLT (MACHINE)

NUT - hex, self-locking, 3/8" - 24 NF

1шт.

33

R47941

JOINT TURNING

BALL JOINT - male

1шт.

34

D46079

COLLAR

- locking, control lever

1шт.

35

83-44

SET SCREW,Hex Soc, 1/4"-20 x 1/4"

SCREW SET - 1/4" - 20 NC x 1/4", cup point

1шт.

36

D47804

LEVER

CONTROL LEVER - front

1шт.

37

D37550

KNOB

- control lever

1шт.

38

D38662

RING

BUSHING - knob

2шт.

39

R42432

LINK ASSY.

LEVER - actuating, at mounting shaft

2шт.

40

R42440

SHAFT - mounting, linkage

1шт.

41

138-2067

PIN,3/16" x 1", Coiled

2шт.

42

R42435

COLLAR

- locking, shaft, includes set screw, Includes: Ref. 43

1шт.

43

83-54

SET SCREW,Hex Soc, 5/16"-18 x 1/4", Cup Pt

1шт.

44

R42424

BELLCRANK - bucket control, Includes: Ref. 45

1шт.

45

R42425

BUSHING

- bellcrank

1шт.

46

A26411

WASHER

- flat, spacer, if used

1шт.

Выбрано товаров: 48