Запчасти Case 350B (200) - EQUIPMENT CONTROL VALVE AND LEVERS, ONE CONTROL LEVER - TWO SPOOL VALVES DRAWBAR MODELS ONLY (07) - HYDRAULIC SYSTEM

Схема запчастей Case 350B - (200) - EQUIPMENT CONTROL VALVE AND LEVERS, ONE CONTROL LEVER - TWO SPOOL VALVES DRAWBAR MODELS ONLY (07) - HYDRAULIC SYSTEM
FIT
1:1
100%

Артикул

Название

Примечание

Количество

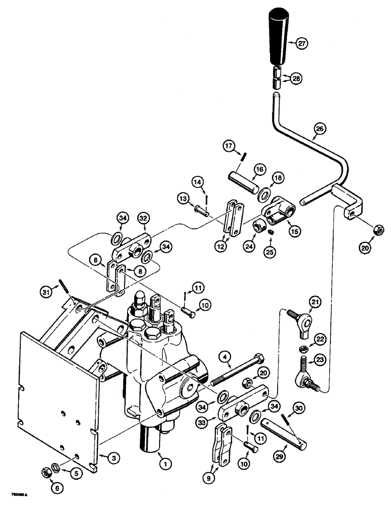
1

REF

INSTRUCTION

CONTROL VALVE - two spool, drawbar models, parts list figure 212

1шт.

3

D46098

BRACKET

- mounting

1шт.

4

13-668

BOLT,Hex, 3/8" - 16 x 4-1/4", Gr 5

- hex head, 3/8" - 16 NC x 4-1/4"

4шт.

5

92-6

LOCK WASHER,3/8"

4шт.

6

25-106

NUT,3/8"-16, G5

- hex, 3/8" - 16 NC

4шт.

8

D46075

DRAG LINK

LINK - to control valve, inner

2шт.

9

D46078

DRAG LINK

LINK - to control valve, outer

2шт.

10

141-53

CLEVIS PIN,5/16" x .940"

plated 5/16" x .940"

4шт.

11

132-25

COTTER PIN,3/32" x 5/8"

PIN, Split (Cotter), 3/32" x 5/8"

4шт.

12

D43454

LINK

- at pivot lever

2шт.

13

141-53

CLEVIS PIN,5/16" x .940"

plated 5/16" x .940"

2шт.

14

132-25

COTTER PIN,3/32" x 5/8"

PIN, Split (Cotter), 3/32" x 5/8"

2шт.

15

R43118

CRANK

LINK - pivot

1шт.

16

D46074

AXLE PIN

PIN - pivot lever

1шт.

17

138-98

LOCK PIN,3/16" x 1 1/4", Slotted

PIN, 3/16" x 1 1/4", Slotted

1шт.

18

A26411

WASHER

- flat, spacer

1шт.

20

131-1232

BOLT (MACHINE)

NUT - hex, self-locking, 3/8" - 24 NF, replaces lock washer and regular hex nut used in production on some models

2шт.

21

R47940

BALL JOINT

- female

1шт.

22

131-1232

BOLT (MACHINE)

NUT - hex, self-locking, 3/8" - 24 NF

1шт.

23

R47941

JOINT TURNING

BALL JOINT - male

1шт.

24

D46079

COLLAR

- locking, control lever

1шт.

25

83-44

SET SCREW,Hex Soc, 1/4"-20 x 1/4"

- 1/4" - 20 NC x 1/4"

1шт.

26

D47804

LEVER

CONTROL LEVER - equipment

1шт.

27

D37550

KNOB

- control lever

1шт.

28

D38662

RING

BUSHING - knob

2шт.

29

D46073

AXLE PIN

SHAFT - mounting, linkage

1шт.

30

138-96

LOCK PIN,3/16" x 1", Slotted

PIN, 3/16" x 1", Slotted

1шт.

31

138-98

LOCK PIN,3/16" x 1 1/4", Slotted

PIN, 3/16" x 1 1/4", Slotted

1шт.

32

D46083

LEVER

- to pivot lever

1шт.

33

D46087

LEVER

- ball joints to control valve

1шт.

34

A26411

WASHER

- flat, spacer

4шт.

Выбрано товаров: 31