Запчасти Case 350B (222) - N6007 THREE POSITION SPOOL, WITH MAGNETIC DETENT (07) - HYDRAULIC SYSTEM

Схема запчастей Case 350B - (222) - N6007 THREE POSITION SPOOL, WITH MAGNETIC DETENT (07) - HYDRAULIC SYSTEM
FIT
1:1
100%

Артикул

Название

Примечание

Количество

N6007

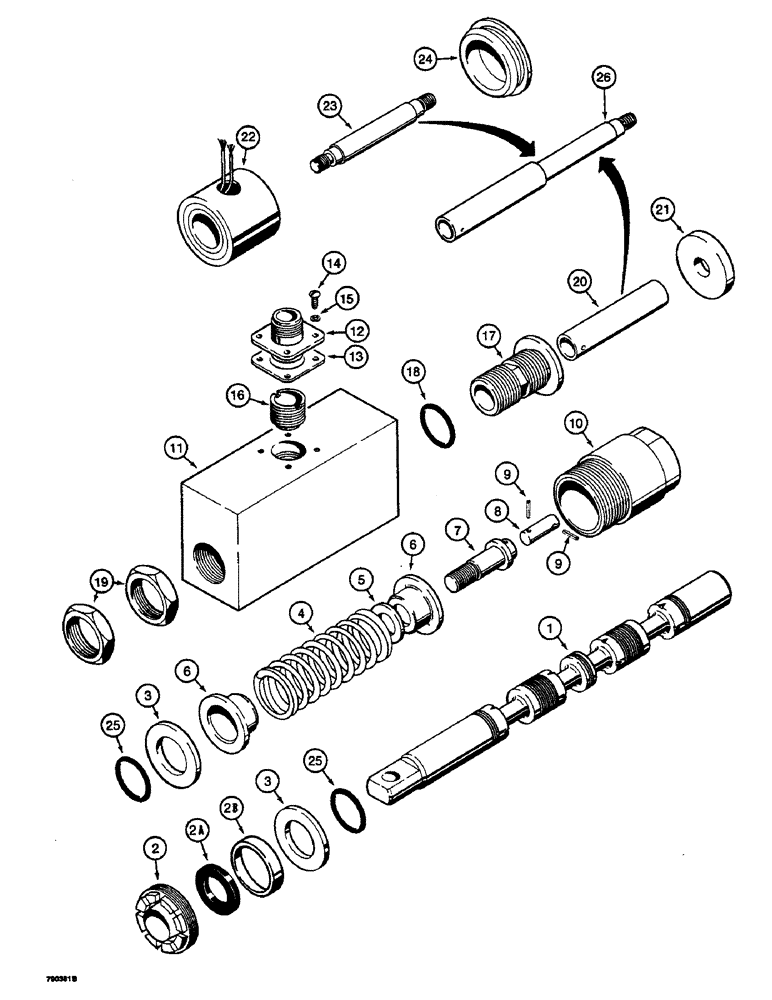
SPOOL ASSEMBLY - three position, Includes: Ref. 1 - 26

1шт.

1

L36051

SPOOL

- three position

1шт.

D80412

GLAND

AND WIPER - spool, Includes: Ref. 2, 2A and 2B

1шт.

2

NSS

NOT SOLD SEPARAT

GLAND - spool

1шт.

2a

A14527

SCRAPER

WIPER - spool

1шт.

2b

NSS

NOT SOLD SEPARAT

SLEEVE - gland and wiper

1шт.

3

A14535

RETAINER

- seal

2шт.

4

A25285

SPRING

- spool return

1шт.

5

A25286

WASHER

- special

1шт.

6

A14533

BRONZE BUSHING

RETAINER - spring

2шт.

7

L36048

PLUG

- spool end

1шт.

8

D33858

LINK

- spool

1шт.

9

138-2012

PIN,1/8" x 1/2", Coiled

2шт.

10

L36047

CAP

HOUSING - spring

1шт.

11

L36040

CAP

HOUSING - coil and sleeve

1шт.

12

R33408

CONNECTOR, ELEC

CONNECTOR - special, magnetic detent

1шт.

13

D80410

GASKET

- connector

1шт.

14

187-1350

SELF-TAP SCREW,Cross Pan Hd, #4 x 5/16"

SCREW - Phillips pan head, No. 4-40 NC x 5/16", plated

4шт.

15

192-53

LOCK WASHER,#4

WASHER, LOCK, #4

4шт.

16

L36042

TUBE

- wiper, connector

1шт.

17

L36046

CONNECTOR, ELEC

CONNECTOR - spool to coil housing

1шт.

18

F62114

O-RING,0.103" Thk x 0.674" ID, -115, Cl 5, 75 Duro

- connector

1шт.

19

L36045

NUT

JAM NUT - hex, 7/8" - 14 NF

2шт.

20

L36049

SPACER

- spool and link, no longerused, replace this spacer and ref. 23 with one ref. 26 spacer

1шт.

21

N6008

WASHER

- coil

1шт.

22

D78419

COIL

AND SLEEVE ASSEMBLY - magnetic detent

1шт.

23

L36050

BUSHING

SPACER - coil, rod, no longer used, replace this spacer and ref. 20 with one ref. 26 spacer

1шт.

24

L36039

CAP

PLUG - spool, coil and sleeve end

1шт.

25

A27365

O-RING,0.103" Thk x 0.75" ID, -116, Cl 5, 75 Duro

- spool seal, valve housing

2шт.

26

N9078

SPACER

- coil, one-piece, replaces refs. 20 and 23

1шт.

Выбрано товаров: 30