Запчасти Case 350B (034) - CYLINDER BLOCK, 188 DIESEL ENGINE (01) - ENGINE

Схема запчастей Case 350B - (034) - CYLINDER BLOCK, 188 DIESEL ENGINE (01) - ENGINE
FIT
1:1
100%

Артикул

Название

Примечание

Количество

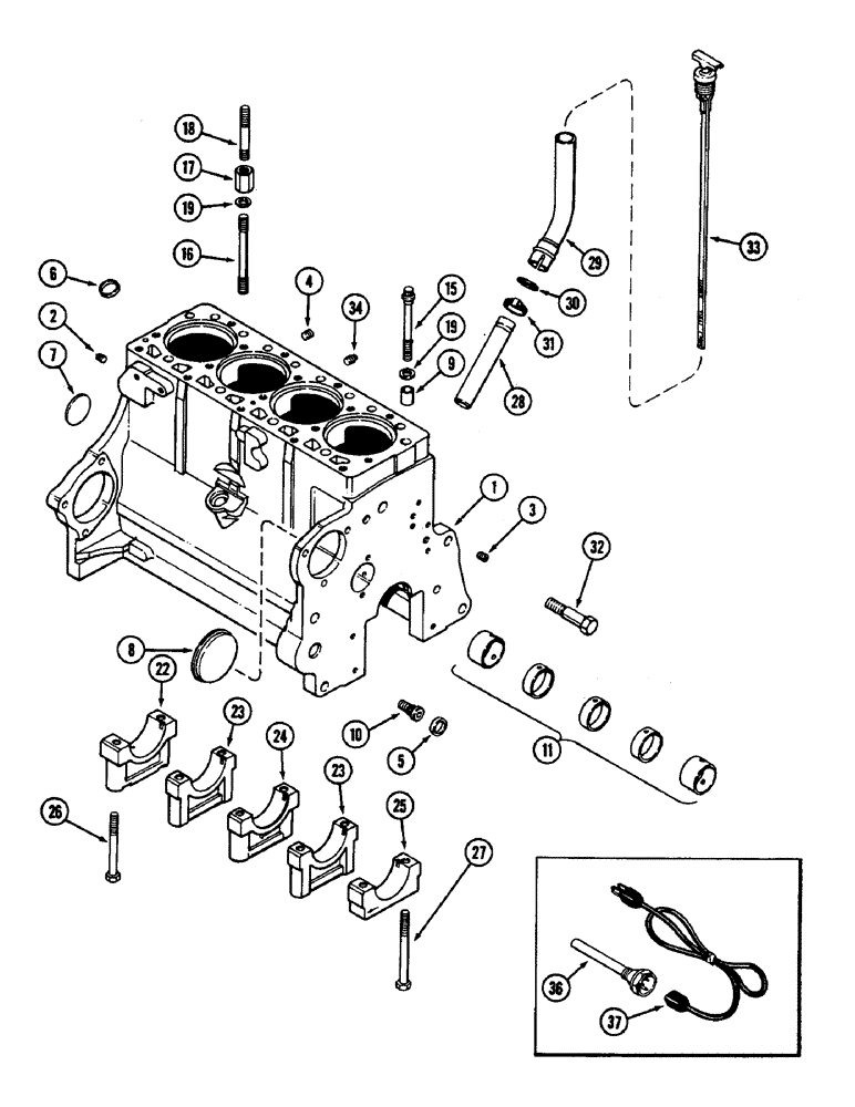
A46352

CRANKCASE

BLOCK ASSEMBLY - short (Includes stripped block, piston assembly, connecting rods and bearings, crankshaft and bearings, camshaft, oil pump and timing gears), Includes: Ref. 2 - 32

1шт.

1

A46351

BASIC BLOCK

LOCK ASSEMBLY - stripped (Casting no. A152625), Includes: Ref. 2 - 32

1шт.

2

217-433

PLUG,Hex Soc, 1/4" - 18 NPTF

Oil gallery Hex Soc, 1/4"-18 NPTF

3шт.

3

G49070

PLUG

- oil gallery, front, drilled head, 1/4" PT

1шт.

4

221-1032

DRAIN PLUG,Sq Soc, 3/8"-18 NPTF

PLUG - socket head, 3/8" PT

1шт.

5

41-1016

PLUG,Cup, 1"

- adapter hole, 1" cup type (25 mm)

1шт.

6

A38534

PLUG

- tachometer drive hole, 1-1/16" cup type (27 mm)

1шт.

7

41-1030

PLUG,Cup, 1 7/8"

- camshaft hole, 1-7/8" expansion (48 mm)

1шт.

8

41-1052

PLUG,Cup, 3 1/4"

- auxiliary drive hole, 3-1/4" cup type (83 mm)

1шт.

9

G49608

RING

- dowel, head locating

2шт.

10

A153552

ADAPTER

- oil filter (Replaces A37206)

1шт.

11

REF

INSTRUCTION

BUSHINGS - camshaft (See figure 32)

1шт.

15

A39047

12 PT SCREW

BOLT - cylinder head, 12 point head, 1/2 NC x 3-1/2"

4шт.

15

A39048

12 PT SCREW

BOLT - cylinder head, 12 point head, 1/2 NC x 5-1/8"

11шт.

15

A39049

12 PT SCREW

BOLT - cylinder head, 12 point head, 1/2 NC x 5-5/8"

2шт.

16

A36902

STUD

- cylinder head, 1/2 NC x 5-5/8"

2шт.

17

A51114

NUT

- cylinder head studs, 1/2 NC and 3/8" NC

2шт.

18

A51271

STUD

- cylinder head cover, 3/8 NC and 3-3/4"

2шт.

19

A39046

WASHER,13.11mm ID x 22.23mm OD x 3.34mm Thk

- stud

19шт.

22

A38385

CAP

- main bearing, rear

1шт.

23

G2128

CAP

- main bearing, intermediate

2шт.

24

G2127

CAP

- main bearing, center (Thrust)

1шт.

25

G2126

CAP

- main bearing, front

1шт.

26

26-872

BOLT,Hex, 1/2" - 13 x 4-1/2", Gr 8

- bearing caps, hex, 1/2 NC x 4-1/2"

8шт.

27

26-882

BOLT,Hex, 1/2" - 13 x 5-1/8", Gr 8

- front bearing cap, hex, 1/2 NC x 5-1/8"

2шт.

28

A37149

TUBE

- oil filler and dipstick

1шт.

29

A37407

TUBE

- extension, oil filler

1шт.

30

A27342

O-RING,1.109" ID x 1.387" OD x 0.139"

- extension tube

1шт.

31

214-256

HOSE CLAMP,#20, 0.81" - 1.75", Type F Worm

CLAMP - extension, 1-3/16 to 1-3/4" (30 to 45 mm)

1шт.

32

A38303

BOLT

BOLT - front support, hex, 5/8 NC x 3-3/16"

1шт.

33

A39936

DIPSTICK

- oil level

1шт.

34

217-433

PLUG,Hex Soc, 1/4" - 18 NPTF

- drain, cylinder block, square head, 1/4" PT

1шт.

36

A44815

HEATER

ASSEMBLY - block, Includes: Ref. 37

1шт.

37

A44814

ELECTRIC CABLE

CORD - heater, 12" long (305 mm), block

1шт.

Выбрано товаров: 34