Запчасти Case 350B (042) - OIL FILTER, 188 DIESEL ENGINE (01) - ENGINE

Схема запчастей Case 350B - (042) - OIL FILTER, 188 DIESEL ENGINE (01) - ENGINE
FIT
1:1
100%

Артикул

Название

Примечание

Количество

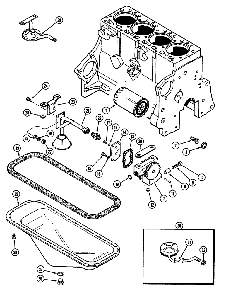
1

A146696

ENGINE OIL FILTER

FILTER - engine oil

1шт.

2

A153552

ADAPTER

ADAPTER - filter to block (Replaces A37206)

1шт.

3

41-106

PLUG,Cup, 3/8"

PLUG - adapter hole, 1" cup type (25 mm)

1шт.

7

A38372

PUMP

PUMP ASSEMBLY - engine oil, Includes: Ref. 8 - 18

1шт.

7

AR38372

REMAN-ENG OIL PUMP

REMAN-ENGINE OIL PUMP Remanufactured Oil Pump; For N.A. only

1шт.

7

AC38372

CORE-ENGINE OIL PUMP

CORE-ENGINE OIL PUMP Return number - For N.A. only

1шт.

8

A155144

VALVE, PRESSURE RELI

EF VALVE - relief, oil pump

1шт.

9

G48500

SPRING

SPRING - relief valve, 2-1/8" free length (54 mm), oil pump

1шт.

10

A29260

RETAINER

RETAINER - relief valve spring, oil pump

1шт.

11

132-50

COTTER PIN,1/8" x 1 1/4"

PIN, Split (Cotter), , Oil pump 1/8" x 1 1/4"

1шт.

12

A39321

PLUG,Cup, 7/16"

PLUG - body, 1/2" cup type (13 mm), oil pump

1шт.

13

G46852

GASKET

GASKET - pump cover, oil

1шт.

14

NSS

NOT SOLD SEPARAT

COVER - pump body, oil

1шт.

15

13-420

BOLT,Hex, 1/4" - 20 x 1-1/4", Gr 5

BOLT, , Oil pump Hex, 1/4"-20 x 1 1/4", G5

1шт.

15

13-412

BOLT,Hex, 1/4" - 20 x 3/4", Gr 5, Full Thd

BOLT, , Oil pump Hex, 1/4"-20 x 3/4", G5, Full Thd

3шт.

16

92-4

LOCK WASHER,1/4"

WASHER, LOCK, , Oil pump 1/4"

4шт.

17

73-410

SCREW,Slotted Flat Hd, 1/4"-20 x 5/8"

SCREW - slotted flat head, 1/4 NC x 5/8", oil pump

2шт.

18

193-52

LOCK WASHER,Ext Csk Tooth, 1/4"

WASHER, LOCK, , Oil pump Ext Csk Tooth, 1/4"

2шт.

19

A27365

O-RING,0.103" Thk x 0.75" ID, -116, Cl 5, 75 Duro

O-RING - oil port, pump

1шт.

20

G11337

SHIM,.002" Thk

SHIM, , Pump to bearing cap (0.06 mm), Oil .002" Thk

1шт.

20

G11338

SHIM,.005" Thk

SHIM, , Pump to bearing cap (0.13 mm), Oil .005" Thk

1шт.

21

A156794

FILTER SCREEN

SCREEN ASSEMBLY - engine oil (Engine serial no. 4309700 and after), pump

1шт.

22

218-1026

HYD CONNECTOR,7/8"-14, 37 Degree x 3/8"-18, NPTF

CONNECTOR - straight, 7/8-14" x 3/8" PT, oil pump

1шт.

23

A156845

BRACKET

BRACKET - support, screen (Replaces A155169), oil pump

1шт.

24

113-1

BOLT,Hex, 1/4" - 20 x 1/2", Gr 5

BOLT, , Oil pump Hex, 1/4"-20 x 1/2", G5, Full Thd

2шт.

25

95-4

WASHER,1/4"

WASHER - flat, 5/16 x 3/4 x 1/16" (8 x 19 x 2 mm), oil pump

2шт.

26

92-4

LOCK WASHER,1/4"

WASHER, LOCK, , Oil pump 1/4"

2шт.

27

25-104

NUT,1/4"-20, G5

NUT, , Oil pump 1/4"-20, G5

2шт.

28

G35009

WASHER

WASHER - mounting, bracket (Replaces G49404), oil pump

2шт.

29

A39896

FILTER SCREEN

SCREEN ASSEMBLY - engine oil (Not used in this application), pump

1шт.

A155221

KIT

SCREEN KIT - engine oil pump (Includes ref. 21 - 29)

1шт.

30

REF

INSTRUCTION

SCREEN ASSEMBLY - engine oil (Prior to engine serial no. 4309700) (Order A155221 kit), pump, Includes: Ref. 31 and 32

1шт.

31

132-50

COTTER PIN,1/8" x 1 1/4"

PIN, Split (Cotter), , Oil pump 1/8" x 1 1/4"

1шт.

32

223-207

LOCK NUT

NUT - pipe to pump, oil

1шт.

35

A36782

PAN

PAN ASSEMBLY - oil, Includes: Ref. 36 and 37

1шт.

36

A140222

PLUG

PLUG - drain, oil pan

1шт.

37

A58608

GASKET

GASKET - drain plug, oil pan

1шт.

38

193-514

SCREW,SEMS, Hex Hd, 5/16"-18 x 3/4"

BOLT ASSEMBLY - oil pan

18шт.

39

A51891

OIL PAN GASKET SET

GASKET - oil pan (See figure 44)

1шт.

Выбрано товаров: 39