Запчасти Case 350B (054) - FUEL FILTER (02) - FUEL SYSTEM

Схема запчастей Case 350B - (054) - FUEL FILTER (02) - FUEL SYSTEM
FIT
1:1
100%

Артикул

Название

Примечание

Количество

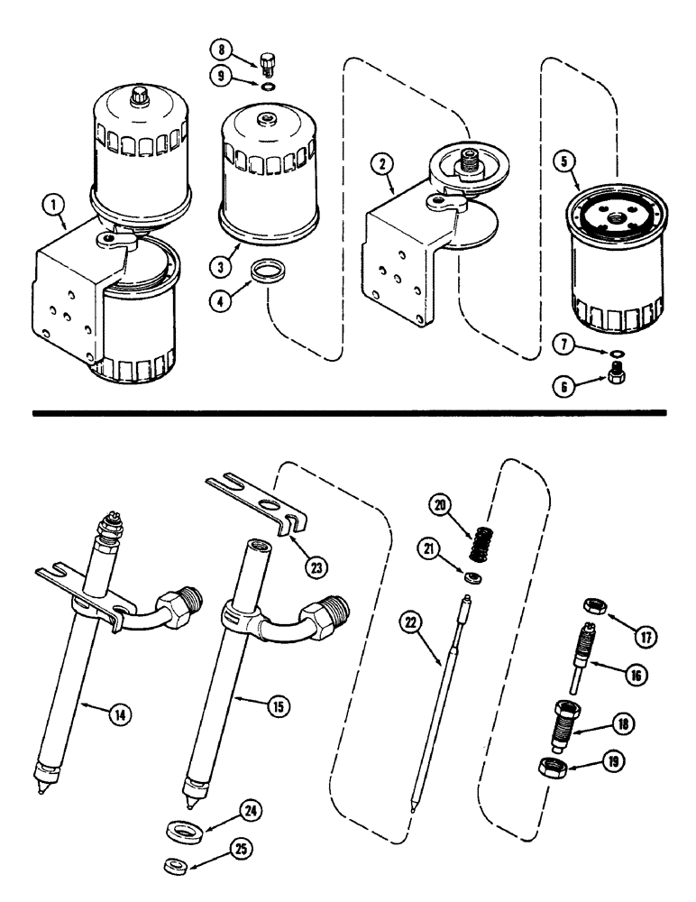
1

A154934

FILTER

ASSEMBLY - fuel, Includes: Ref. 2 - 9

1шт.

2

A154909

HEAD

- filter base

1шт.

A151281

FUEL FILTER

FILTER KIT - fuel, Includes: Ref. 3 - 5

1шт.

3

NSS

NOT SOLD SEPARAT

FILTER ASSEMBLY - secondary (15/16" threads) (Order A151281)

1шт.

4

A42315

GASKET

- secondary, Serial Range: filter-head

1шт.

5

NSS

NOT SOLD SEPARAT

FILTER ASSEMBLY - primary (13/16" threads) (Order A151281)

1шт.

6

G49080

PLUG

- drain, primary filter, 3/8" NF, 12 point head (Nylon)

1шт.

7

218-5002

O-RING,0.064" Thk x 0.301" ID, -903, Cl 6, 90 Duro

3-1, .301" ID x .064" Thk, drain plug

1шт.

8

218-5152

PLUG,Hex Hd, 3/8"-24 ORB

Assy, Drain, Secondary filter, Includes Ref. 9 Hex Hd, 3/8"-24 ORB

1шт.

9

218-5002

O-RING,0.064" Thk x 0.301" ID, -903, Cl 6, 90 Duro

3-1, .301" ID x .064" Thk, drain plug

1шт.

14

A140829

NOZZLE INJECTION

NOZZLE ASSEMBLY - injector (No. 20671 stamped on body) (White paint color code), Includes: Ref. 15 - 25

4шт.

When a nozzle is removed from the head, washer A41403 and seal A41402 must be replaced before the nozzle is installed back into the head.

1шт.

A140829R

REMAN-INJECT NOZZLE

350B

4шт.

A140829C

CORE-NOZZLE, INJECT

Return Number

1шт.

15

NSS

NOT SOLD SEPARAT

BODY - nozzle

1шт.

16

A43599

ADJUSTMENT SCREW,#10 - 56 x 1.39"

SCREW - lift adjusting, injector nozzle

1шт.

17

A43602

NUT

- lock, lift adjusting screw, injector nozzle

1шт.

18

A43600

ADJUSTMENT SCREW,#10 - 56 x 0.68"

SCREW - pressure adjusting, injector nozzle

1шт.

19

A42424

LOCK NUT

- lock, pressure adjusting screw, injector nozzle

1шт.

20

A43733

SPRING

- pressure adjusting, 9/16" free length (14 mm), injector nozzle

1шт.

21

A44369

SEAT

- pressure adjusting spring, injector nozzle

1шт.

22

NSS

NOT SOLD SEPARAT

VALVE - nozzle, injector

1шт.

23

A43506

PLATE ASSY.

PLATE - nozzle holder, injector

1шт.

24

A41403

WASHER,9.55mm ID x 14.18mm OD x 3.38mm Thk

- nozzle body, injector

1шт.

25

A41402

SEAL,7.89mm ID x 9.74mm OD x 2.87mm Thk

- carbon stop, injector

1шт.

Выбрано товаров: 25