Запчасти Case 350B (098) - POWER SHUTTLE, PINION CAGE, OUTPUT SHAFT, AND VALVE (03) - TRANSMISSION

Схема запчастей Case 350B - (098) - POWER SHUTTLE, PINION CAGE, OUTPUT SHAFT, AND VALVE (03) - TRANSMISSION
FIT
1:1
100%

Артикул

Название

Примечание

Количество

R43949

TRANSMISSION

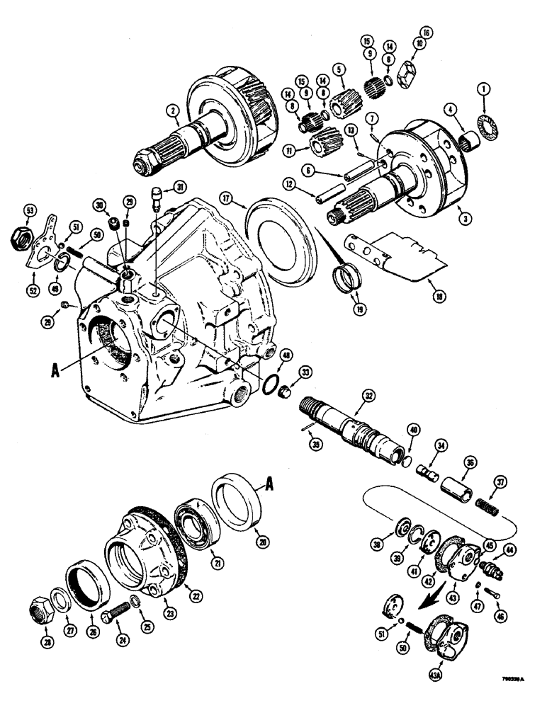
POWER SHUTTLE ASSEMBLY - complete parts list figures 96-104, Includes: Ref. 1 - 53

1шт.

1

D50055

WASHER, THRUST,22.38mm ID x 44.45mm OD x 1.6mm Thk

THRUST WASHER - clutch hub

1шт.

2

D70665

GEAR

PINION CAGE AND OUTPUT SHAFT ASSEMBLY - power shuttle, Includes: Ref. 3 - 10

1шт.

3

NSS

NOT SOLD SEPARAT

CAGE AND SHAFT - power shuttle

1шт.

4

H747964

NEEDLE BEARING,Needle, 20.64mm ID x 26.99mm OD x 22.23mm W

- output shaft

1шт.

D50030

GEAR

KIT - inner pinion gear and shaft, Includes: Ref. 5 - 10

3шт.

5

NSS

NOT SOLD SEPARAT

PINION GEAR - inner

1шт.

6

NSS

NOT SOLD SEPARAT

PINION SHAFT - inner

1шт.

7

NSS

NOT SOLD SEPARAT

PIN - shaft retaining

1шт.

8

NSS

NOT SOLD SEPARAT

SPACER - pinion bearing

3шт.

9

NSS

NOT SOLD SEPARAT

ROLLER - pinion bearing

48шт.

10

NSS

NOT SOLD SEPARAT

PLATE - thrust

2шт.

D50031

KIT

- outer pinion gear and shaft, Includes: Ref. 11 - 16

3шт.

11

NSS

NOT SOLD SEPARAT

PINION GEAR - outer

1шт.

12

NSS

NOT SOLD SEPARAT

PINION SHAFT - outer

1шт.

13

NSS

NOT SOLD SEPARAT

PIN - shaft retaining

1шт.

14

NSS

NOT SOLD SEPARAT

SPACER - pinion bearing

3шт.

15

NSS

NOT SOLD SEPARAT

ROLLER - pinion bearing

48шт.

16

NSS

NOT SOLD SEPARAT

PLATE - thrust

2шт.

17

D50087

RING

- collector, includes instruction sheet

1шт.

18

D50056

GUARD

BAFFLE - plate

1шт.

19

D50080

RING,40.25mm ID x 44.36mm OD x 2.38mm Thk

- seal

2шт.

20

D50057

SLEEVE

SPACER - ball bearing

1шт.

21

ST291

BEARING, BALL,35mm ID x 80mm OD x 21mm W

BALL BEARING - output shaft

1шт.

22

D50058

GASKET

- ball bearing retainer

1шт.

23

D50059

BEARING HOUSING

RETAINER - rear ball bearing

1шт.

24

13-718

SCREW,Hex, 7/16" - 14 x 1 1/8", Gr 5

BOLT, Hex, 7/16"-14 x 1 1/8", G5, Full Thd

6шт.

25

92-7

LOCK WASHER,7/16"

6шт.

26

D50060

SEAL,53.98mm ID x 77.93mm OD x 13.11mm Thk

- oil, rear

1шт.

27

D65247

WASHER

- output shaft

1шт.

345-84

ADHESIVE

SEAL - 3 oz (88.7 ML) of sealer in tube, not shown, can be used between D65247 washer and end of shaft

1шт.

28

131-37

LOCK NUT,3/4"-16

NUT - hex, self-locking, 3/4" - 16 NF

1шт.

29

221-849

PLUG,Hex Soc, 1/8"-27

- hex socket head, 1/8" NPT

2шт.

20

221-843

PLUG,Hex Soc, 3/8"-18

- hex socket head, 3/8" NPT

1шт.

Ref. 30 - 221-843 Used on early models

1шт.

Ref. 30A - 218-5155 Used on later models

1шт.

31

D50062

BREATHER

- shuttle

1шт.

D83122

SHAFT

VALVE ASSEMBLY - power shuttle, Includes: Ref. 32 - 40

1шт.

32

NSS

NOT SOLD SEPARAT

BODY - valve

1шт.

33

S113433

PLUG

- cup

1шт.

34

S113431

PLUG - valve

1шт.

35

135-198

GROOVED PIN,5/64" x 1", Type B

PIN, GROOVED, 5/64" x 1", Type B

1шт.

36

D50089

VALVE

- pressure regulator

1шт.

37

D50090

SPRING

- valve

1шт.

38

D50091

RETAINER,9.53mm ID x 28.42mm OD x 1.34mm Thk

- spring

1шт.

39

D50092

RING

- spring retaining

1шт.

40

41-12

PLUG,Exp, 3/4"

- expansion

1шт.

41

D86489

CAM

- neutral start switch

1шт.

42

D50066

GASKET,0.41mm Thk

- valve cover

1шт.

43

D72822

COVER

- valve, used on models with external detent spring and ball (Refs. 50 and 51) located on the left-hand side of valve under ref. 52 shift lever, if used

1шт.

43a

D86488

COVER

- valve, used on models with internal detent spring and ball (Refs. 50 and 51) on the right-hand side of valve under cover, if used

1шт.

44

S113435

SWITCH

- neutral start, Includes: Ref. 45

1шт.

45

218-5005

O-RING,0.078" Thk x 0.468" ID, -906, Cl 6, 90 Duro

6-1, 90 Duro, .468" ID x .078" Thk, neutral start switch

1шт.

46

13-414

BOLT,Hex, 1/4" - 20 x 7/8", Gr 5, Full Thd

3шт.

47

92-4

LOCK WASHER,1/4"

WASHER, LOCK, 1/4"

3шт.

48

D37156

O-RING,0.07" Thk x 1.051" ID, -23, Cl 5, 75 Duro

- valve

1шт.

49

A75171

SNAP RING,#112, 1.060", Ext

RING - retaining

1шт.

50

S47892

SPRING

- poppet, used under shift lever (Ref. 52) on models with non-detent valve cover (Ref. 43), used on right-hand side of valve on models with detent valve cover (Ref. 43A)

1шт.

51

211-9

BALL,5/16" Dia

- steel, meter, used under shift lever on models with non-detent valve cover (Ref. 43), used on right-hand side of valve on models with detent valve cover (Item 43A) 5/16" Dia

1шт.

52

D77621

LEVER

- shift, forward and reverse

1шт.

53

131-424

NUT,PAL, 1 1/8"-7

NUT - hex, self-locking, 1-1/8" - 7 NC

1шт.

Выбрано товаров: 61